2019 Vol.32
column
- Intelligent Manufacturing Technology
- Advanced Transportation Equipment
- Original Article
- Review
- Mechanism and Robotics
- Advanced transportation equipment
- Smart materials
- Smart Materials
- Manufacturing Technology
- Intelligent Manufactyring Technology
- Nondestructive Testing and Evaluation
- Tunnel Boring Machine Equipment
- Ocean Engineering Equipment
Display Mode: |
2019, 32: 1.
doi: 10.1186/s10033-018-0313-7
Abstract:
Grinding chatter is a self-induced vibration which is unfavorable to precision machining processes. This paper proposes a forecasting method for grinding state identification based on bivarition empirical mode decomposition (BEMD) and least squares support vector machine (LSSVM), which allows the monitoring of grinding chatter over time. BEMD is a promising technique in signal processing research which involves the decomposition of two-dimensional signals into a series of bivarition intrinsic mode functions (BIMFs). BEMD and the extraction criterion of its true BIMFs are investigated by processing a complex-value simulation chatter signal. Then the feature vectors which are employed as an amplification for the chatter premonition are discussed. Furthermore, the methodology is tested and validated by experimental data collected from a CNC guideway grinder KD4020X16 in Hangzhou Hangji Machine Tool Co., Ltd. The results illustrate that the BEMD is a superior method in terms of processing non-stationary and nonlinear signals. Meanwhile, the peak to peak, real-time standard deviation and instantaneous energy are proven to be effective feature vectors which reflect the different grinding states. Finally, a LSSVM model is established for grinding status classification based on feature vectors, giving a prediction accuracy rate of 96%.
Grinding chatter is a self-induced vibration which is unfavorable to precision machining processes. This paper proposes a forecasting method for grinding state identification based on bivarition empirical mode decomposition (BEMD) and least squares support vector machine (LSSVM), which allows the monitoring of grinding chatter over time. BEMD is a promising technique in signal processing research which involves the decomposition of two-dimensional signals into a series of bivarition intrinsic mode functions (BIMFs). BEMD and the extraction criterion of its true BIMFs are investigated by processing a complex-value simulation chatter signal. Then the feature vectors which are employed as an amplification for the chatter premonition are discussed. Furthermore, the methodology is tested and validated by experimental data collected from a CNC guideway grinder KD4020X16 in Hangzhou Hangji Machine Tool Co., Ltd. The results illustrate that the BEMD is a superior method in terms of processing non-stationary and nonlinear signals. Meanwhile, the peak to peak, real-time standard deviation and instantaneous energy are proven to be effective feature vectors which reflect the different grinding states. Finally, a LSSVM model is established for grinding status classification based on feature vectors, giving a prediction accuracy rate of 96%.
2019, 32: 2.
doi: 10.1186/s10033-019-0318-x
Abstract:
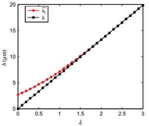
Micro milling is a flexible and economical method to fabricate micro components with three-dimensional geometry features over a wide range of engineering materials. But the surface roughness and micro topography always limit the performance of the machined micro components. This paper presents a surface generation simulation in micro end milling considering both axial and radial tool runout. Firstly, a surface generation model is established based on the geometry of micro milling cutter. Secondly, the influence of the runout in axial and radial directions on the surface generation are investigated and the surface roughness prediction is realized. It is found that the axial runout has a significant influence on the surface topography generation. Furthermore, the influence of axial runout on the surface micro topography was studied quantitatively, and a critical axial runout is given for variable feed per tooth to generate specific surface topography. Finally, the proposed model is validated by means of experiments and a good correlation is obtained. The proposed surface generation model offers a basis for designing and optimizing surface parameters of functional machined surfaces.
Micro milling is a flexible and economical method to fabricate micro components with three-dimensional geometry features over a wide range of engineering materials. But the surface roughness and micro topography always limit the performance of the machined micro components. This paper presents a surface generation simulation in micro end milling considering both axial and radial tool runout. Firstly, a surface generation model is established based on the geometry of micro milling cutter. Secondly, the influence of the runout in axial and radial directions on the surface generation are investigated and the surface roughness prediction is realized. It is found that the axial runout has a significant influence on the surface topography generation. Furthermore, the influence of axial runout on the surface micro topography was studied quantitatively, and a critical axial runout is given for variable feed per tooth to generate specific surface topography. Finally, the proposed model is validated by means of experiments and a good correlation is obtained. The proposed surface generation model offers a basis for designing and optimizing surface parameters of functional machined surfaces.
2019, 32: 3.
doi: 10.1186/s10033-019-0320-3
Abstract:
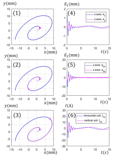
The current research of supporting and transmission system in flywheel energy storage system (FESS) focuses on the low consumption design. However, friction loss is a non-negligible factor in the high-speed but lightweight FESS energy and momentum storage with mechanical-type supporting system. In order to realize the support system without mechanical loss and to maximize the efficiency of the flywheel battery, a permanent magnet biased magnetic bearings (PMBMB) is applied to the FESS with the advantages of low loss, high critical speed, flexible controllability and compact structure. In this frame, the relevant research of three degrees of freedom (3-DOF) PMBMB for a new type FESS is carried out around the working principle, structural composition, coupling characteristics analysis, mathematical model, and structural design. In order to verify the performance of the 3-DOF PMBMB, the radial force mathematical model and the coupling determination equations of radial two DOF are calculated according to an equivalent magnetic circuit, and radial-axial coupling is analyzed through finite element analysis. Moreover, a control system is presented to solve the control problems in practical applications. The rotor returns to the balanced position in 0.05 s and maintains stable suspension. The displacement fluctuation is approximately 40 μm in the y direction and 30 μm in the x direction. Test results indicate that the dynamic rotor of the proposed flywheel energy storage system with PMBMB has excellent characteristics, such as good start-of-suspension performance and stable suspension characteristics. The proposed research provides the instruction to design and control a low loss support system for FESS.
The current research of supporting and transmission system in flywheel energy storage system (FESS) focuses on the low consumption design. However, friction loss is a non-negligible factor in the high-speed but lightweight FESS energy and momentum storage with mechanical-type supporting system. In order to realize the support system without mechanical loss and to maximize the efficiency of the flywheel battery, a permanent magnet biased magnetic bearings (PMBMB) is applied to the FESS with the advantages of low loss, high critical speed, flexible controllability and compact structure. In this frame, the relevant research of three degrees of freedom (3-DOF) PMBMB for a new type FESS is carried out around the working principle, structural composition, coupling characteristics analysis, mathematical model, and structural design. In order to verify the performance of the 3-DOF PMBMB, the radial force mathematical model and the coupling determination equations of radial two DOF are calculated according to an equivalent magnetic circuit, and radial-axial coupling is analyzed through finite element analysis. Moreover, a control system is presented to solve the control problems in practical applications. The rotor returns to the balanced position in 0.05 s and maintains stable suspension. The displacement fluctuation is approximately 40 μm in the y direction and 30 μm in the x direction. Test results indicate that the dynamic rotor of the proposed flywheel energy storage system with PMBMB has excellent characteristics, such as good start-of-suspension performance and stable suspension characteristics. The proposed research provides the instruction to design and control a low loss support system for FESS.
2019, 32: 4.
doi: 10.1186/s10033-019-0319-9
Abstract:
The annular volute is typically used in a slurry pump to reduce the collisions between solid particles and the volute tongue and to achieve a better resistance to blocking. However, only limited studies regarding annular volutes are available, and there is no systematic design method for annular volutes. In this study, the influence of volute casing cross-sectional flow area on the hydraulic loss, pressure pulsations, and radial force under varying working conditions in a centrifugal ceramic pump are discussed in detail. Experimental tests were conducted to validate the numerical results. The results indicated that, when the volute casing flow area increases, the hydraulic performance decreases marginally under the rated working conditions, but increases at the off-design points, specifically under large flow condition. However, the volute casing with a larger flow area has a wider high-efficiency region. In addition, the increase in the volute casing flow area will decrease the pressure pulsations in the volute, regardless of the working condition, and decrease the radial force on the shaft, therefore, providing an improved pump operational stability. It is anticipated that this study will be of benefit during the design of annular volutes.
The annular volute is typically used in a slurry pump to reduce the collisions between solid particles and the volute tongue and to achieve a better resistance to blocking. However, only limited studies regarding annular volutes are available, and there is no systematic design method for annular volutes. In this study, the influence of volute casing cross-sectional flow area on the hydraulic loss, pressure pulsations, and radial force under varying working conditions in a centrifugal ceramic pump are discussed in detail. Experimental tests were conducted to validate the numerical results. The results indicated that, when the volute casing flow area increases, the hydraulic performance decreases marginally under the rated working conditions, but increases at the off-design points, specifically under large flow condition. However, the volute casing with a larger flow area has a wider high-efficiency region. In addition, the increase in the volute casing flow area will decrease the pressure pulsations in the volute, regardless of the working condition, and decrease the radial force on the shaft, therefore, providing an improved pump operational stability. It is anticipated that this study will be of benefit during the design of annular volutes.
2019, 32: 6.
doi: 10.1186/s10033-019-0316-z
Abstract:
Compact hot extrusion (CHE) process of heavy caliber thick-wall pipe is a new material-saving production process. In order to reveal the optimum hot extrusion parameters in CHE process, the efects of the extrusion parameters on the microstructural evolution are investigated systematically. The metadynamic recrystallization (MDRX) kinetic models and grain size models of as-cast P91 steel are established for the frst time according to the hot compression tests performed on the Gleeble-3500 thermal-simulation machine. Then a thermal-mechanical and micro-macro coupled hot extrusion fnite element (FE) model is established and further developed in DEFORM software. The results indicated that the grain size of the extruded pipe increases with the increasing of initial temperature and extrusion speed, decreases when extrusion ratio increases. Moreover, the grain size is more sensitive to the initial temperature and the extrusion ratio. The optimum hot extrusion parameters are including that, the initial extrusion temperature of 1250 ℃, the extrusion ratio of 9 and the extrusion speed of 50 mm/s. Furthermore, in order to verify the simulation precisions, hot extrusion experiment verifcation on the heavy caliber thick-wall pipe is carried out on the 500 MN vertical hot extrusion equipment. The load–displacement curve of the extrusion process and the grain sizes of the middle part extruded pipe are in good accuracy with the simulation results, which confrms that the hot extrusion FE models of as-cast P91 steel could estimate the hot extrusion behaviors. The proposed hot extrusion FE model can be used to guide the industrial production research of CHE process.
Compact hot extrusion (CHE) process of heavy caliber thick-wall pipe is a new material-saving production process. In order to reveal the optimum hot extrusion parameters in CHE process, the efects of the extrusion parameters on the microstructural evolution are investigated systematically. The metadynamic recrystallization (MDRX) kinetic models and grain size models of as-cast P91 steel are established for the frst time according to the hot compression tests performed on the Gleeble-3500 thermal-simulation machine. Then a thermal-mechanical and micro-macro coupled hot extrusion fnite element (FE) model is established and further developed in DEFORM software. The results indicated that the grain size of the extruded pipe increases with the increasing of initial temperature and extrusion speed, decreases when extrusion ratio increases. Moreover, the grain size is more sensitive to the initial temperature and the extrusion ratio. The optimum hot extrusion parameters are including that, the initial extrusion temperature of 1250 ℃, the extrusion ratio of 9 and the extrusion speed of 50 mm/s. Furthermore, in order to verify the simulation precisions, hot extrusion experiment verifcation on the heavy caliber thick-wall pipe is carried out on the 500 MN vertical hot extrusion equipment. The load–displacement curve of the extrusion process and the grain sizes of the middle part extruded pipe are in good accuracy with the simulation results, which confrms that the hot extrusion FE models of as-cast P91 steel could estimate the hot extrusion behaviors. The proposed hot extrusion FE model can be used to guide the industrial production research of CHE process.
2019, 32: 7.
doi: 10.1186/s10033-019-0322-1
Abstract:
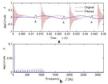
It is a challenging issue to detect bearing fault under nonstationary conditions and gear noise interferences. Meanwhile, the application of the traditional methods is limited by their deficiencies in the aspect of computational accuracy and efficiency, or dependence on the tachometer. Hence, a new fault diagnosis strategy is proposed to remove gear interferences and spectrum smearing phenomenon without the tachometer and angular resampling technique. In this method, the instantaneous dominant meshing multiple (IDMM) is firstly extracted from the time-frequency representation (TFR) of the raw signal, which can be used to calculate the phase functions (PF) and the frequency points (FP). Next, the resonance frequency band excited by the faulty bearing is obtained by the band-pass filter. Furthermore, based on the PFs, the generalized demodulation transform (GDT) is applied to the envelope of the filtered signal. Finally, the target bearing is diagnosed by matching the peaks in the spectra of demodulated signals with the theoretical FPs. The analysis results of simulated and experimental signal demonstrate that the proposed method is an effective and reliable tool for bearing fault diagnosis without the tachometer and the angular resampling.
It is a challenging issue to detect bearing fault under nonstationary conditions and gear noise interferences. Meanwhile, the application of the traditional methods is limited by their deficiencies in the aspect of computational accuracy and efficiency, or dependence on the tachometer. Hence, a new fault diagnosis strategy is proposed to remove gear interferences and spectrum smearing phenomenon without the tachometer and angular resampling technique. In this method, the instantaneous dominant meshing multiple (IDMM) is firstly extracted from the time-frequency representation (TFR) of the raw signal, which can be used to calculate the phase functions (PF) and the frequency points (FP). Next, the resonance frequency band excited by the faulty bearing is obtained by the band-pass filter. Furthermore, based on the PFs, the generalized demodulation transform (GDT) is applied to the envelope of the filtered signal. Finally, the target bearing is diagnosed by matching the peaks in the spectra of demodulated signals with the theoretical FPs. The analysis results of simulated and experimental signal demonstrate that the proposed method is an effective and reliable tool for bearing fault diagnosis without the tachometer and the angular resampling.
2019, 32: 10.
doi: 10.1186/s10033-019-0325-y
Abstract:
A precise detection of the fault feature parameter of motor current is a new research hotspot in the broken rotor bar (BRB) fault diagnosis of induction motors. Discrete Fourier transform (DFT) is the most popular technique in this field, owing to low computation and easy realization. However, its accuracy is often limited by the data window length, spectral leakage, fence effect, etc. Therefore, a new detection method based on a global optimization algorithm is proposed. First, a BRB fault current model and a residual error function are designed to transform the fault parameter detection problem into a nonlinear least-square problem. Because this optimization problem has a great number of local optima and needs to be resolved rapidly and accurately, a joint algorithm (called TR-MBPSO) based on a modified bare-bones particle swarm optimization (BPSO) and trust region (TR) is subsequently proposed. In the TR-MBPSO, a reinitialization strategy of inactive particle is introduced to the BPSO to enhance the swarm diversity and global search ability. Meanwhile, the TR is combined with the modified BPSO to improve convergence speed and accuracy. It also includes a global convergence analysis, whose result proves that the TR-MBPSO can converge to the global optimum with the probability of 1. Both simulations and experiments are conducted, and the results indicate that the proposed detection method not only has high accuracy of parameter estimation with short-time data window, e.g., the magnitude and frequency precision of the fault-related components reaches 10-4, but also overcomes the impacts of spectral leakage and non-integer-period sampling. The proposed research provides a new BRB detection method, which has enough precision to extract the parameters of the fault feature components.
A precise detection of the fault feature parameter of motor current is a new research hotspot in the broken rotor bar (BRB) fault diagnosis of induction motors. Discrete Fourier transform (DFT) is the most popular technique in this field, owing to low computation and easy realization. However, its accuracy is often limited by the data window length, spectral leakage, fence effect, etc. Therefore, a new detection method based on a global optimization algorithm is proposed. First, a BRB fault current model and a residual error function are designed to transform the fault parameter detection problem into a nonlinear least-square problem. Because this optimization problem has a great number of local optima and needs to be resolved rapidly and accurately, a joint algorithm (called TR-MBPSO) based on a modified bare-bones particle swarm optimization (BPSO) and trust region (TR) is subsequently proposed. In the TR-MBPSO, a reinitialization strategy of inactive particle is introduced to the BPSO to enhance the swarm diversity and global search ability. Meanwhile, the TR is combined with the modified BPSO to improve convergence speed and accuracy. It also includes a global convergence analysis, whose result proves that the TR-MBPSO can converge to the global optimum with the probability of 1. Both simulations and experiments are conducted, and the results indicate that the proposed detection method not only has high accuracy of parameter estimation with short-time data window, e.g., the magnitude and frequency precision of the fault-related components reaches 10-4, but also overcomes the impacts of spectral leakage and non-integer-period sampling. The proposed research provides a new BRB detection method, which has enough precision to extract the parameters of the fault feature components.
2019, 32: 11.
doi: 10.1186/s10033-019-0326-x
Abstract:
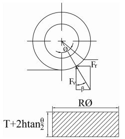
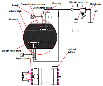
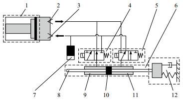
When an output curve force is applied to a horizontal servo cylinder with a heavy load, the piston rod bears a dynamic partial load based on the installation and load characteristics, which significantly affects the frequency response and control accuracy of the servo cylinder. Based on this partial load, increased friction can lead to cylinder bore scuffing, leakage, lack of output power, or even system failure. In this paper, a novel asymmetric static-pressure support structure is proposed based on the principle of hydrostatic support. The radial component force of a dynamic partial load is balanced by cooperation between the support oil cushion of the variable hydraulic pressure support structure, oil cushion of the supportive force, and the damper. Adaptive control of the servo cylinder piston rod, guide sleeve, and piston, as well as the cylinder oil film friction between lubricated surfaces is achieved. In this paper, theoretical design and analysis of the traditional hydrostatic bearing structure and novel structure are presented. A hydraulic dynamic shear scissor is used as a research target to derive a structural dynamic model. Comparative simulations are performed using Matlab Simulink. Additionally, flow field analysis of the novel structure is performed, which verifies the rationality and feasibility of the proposed structure and system.
When an output curve force is applied to a horizontal servo cylinder with a heavy load, the piston rod bears a dynamic partial load based on the installation and load characteristics, which significantly affects the frequency response and control accuracy of the servo cylinder. Based on this partial load, increased friction can lead to cylinder bore scuffing, leakage, lack of output power, or even system failure. In this paper, a novel asymmetric static-pressure support structure is proposed based on the principle of hydrostatic support. The radial component force of a dynamic partial load is balanced by cooperation between the support oil cushion of the variable hydraulic pressure support structure, oil cushion of the supportive force, and the damper. Adaptive control of the servo cylinder piston rod, guide sleeve, and piston, as well as the cylinder oil film friction between lubricated surfaces is achieved. In this paper, theoretical design and analysis of the traditional hydrostatic bearing structure and novel structure are presented. A hydraulic dynamic shear scissor is used as a research target to derive a structural dynamic model. Comparative simulations are performed using Matlab Simulink. Additionally, flow field analysis of the novel structure is performed, which verifies the rationality and feasibility of the proposed structure and system.
2019, 32: 12.
doi: 10.1186/s10033-019-0323-0
Abstract:
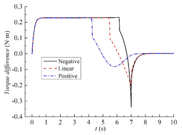
Differential braking and active steering have already been integrated to overcome their shortcomings. However, existing research mainly focuses on two-axle vehicles and controllers are mostly designed to use one control method to improve the other. Moreover, many experiments are needed to improve the robustness; therefore, these control methods are underutilized. This paper proposes an integrated control system specially designed for multi-axle vehicles, in which the desired lateral force and yaw moment of vehicles are determined by the sliding mode control algorithm. The output of the sliding mode control is distributed to the suitable wheels based on the abilities and potentials of the two control methods. Moreover, in this method, fewer experiments are needed, and the robustness and simultaneity are both guaranteed. To simplify the optimization system and to improve the computation speed, seven simple optimization subsystems are designed for the determination of control outputs on each wheel. The simulation results show that the proposed controller obviously enhances the stability of multi-axle trucks. The system improves 68% of the safe velocity, and its performance is much better than both differential braking and active steering. This research proposes an integrated control system that can simultaneously invoke differential braking and active steering of multi-axle vehicles to fully utilize the abilities and potentials of the two control methods.
Differential braking and active steering have already been integrated to overcome their shortcomings. However, existing research mainly focuses on two-axle vehicles and controllers are mostly designed to use one control method to improve the other. Moreover, many experiments are needed to improve the robustness; therefore, these control methods are underutilized. This paper proposes an integrated control system specially designed for multi-axle vehicles, in which the desired lateral force and yaw moment of vehicles are determined by the sliding mode control algorithm. The output of the sliding mode control is distributed to the suitable wheels based on the abilities and potentials of the two control methods. Moreover, in this method, fewer experiments are needed, and the robustness and simultaneity are both guaranteed. To simplify the optimization system and to improve the computation speed, seven simple optimization subsystems are designed for the determination of control outputs on each wheel. The simulation results show that the proposed controller obviously enhances the stability of multi-axle trucks. The system improves 68% of the safe velocity, and its performance is much better than both differential braking and active steering. This research proposes an integrated control system that can simultaneously invoke differential braking and active steering of multi-axle vehicles to fully utilize the abilities and potentials of the two control methods.
2019, 32: 14.
doi: 10.1186/s10033-019-0330-1
Abstract:
According to relevant airworthiness standards, the aircraft fuel tank access cover must withstand the impact by tire fragments, and minimize the penetration and deformation, which is critical for flight safety. To assess the safety of an aircraft fuel tank access cover subjected to tire fragments, a study of dynamic response was presented in this paper using the Finite element (FE) software ANSYS/LS-DYNA. To obtain the reliable mechanical characteristics of tire tread rubber, a series of material tests have been conducted. Then the proposed rubber material model is validated by comparing the numerical simulations with the experimental results of aluminium alloy plate impact. The simulation results indicate that the rubber fragment and alloy plate will undergo the largest deformation when impact angle is equal to 90°. Finally, the proposed FE model and modelling approaches are extended to the numerical simulation of a full-scale aircraft fuel tank access cover impact. The numerical simulations are carried out with impact velocity of 71.1 m/s and impact angle of 40.5°. The simulation results indicate that the aluminium alloy by precision casting is more likely to rupture, and the middle region of the access cover is vulnerable to fragment impact. This research proposes a reliable rubber model applying to various strain rates. Considering the influence of impact regions, the dynamic response and various failure patterns of fuel tank access cover are acquired. The findings of this paper can be used to improve the future aircraft safety design.
According to relevant airworthiness standards, the aircraft fuel tank access cover must withstand the impact by tire fragments, and minimize the penetration and deformation, which is critical for flight safety. To assess the safety of an aircraft fuel tank access cover subjected to tire fragments, a study of dynamic response was presented in this paper using the Finite element (FE) software ANSYS/LS-DYNA. To obtain the reliable mechanical characteristics of tire tread rubber, a series of material tests have been conducted. Then the proposed rubber material model is validated by comparing the numerical simulations with the experimental results of aluminium alloy plate impact. The simulation results indicate that the rubber fragment and alloy plate will undergo the largest deformation when impact angle is equal to 90°. Finally, the proposed FE model and modelling approaches are extended to the numerical simulation of a full-scale aircraft fuel tank access cover impact. The numerical simulations are carried out with impact velocity of 71.1 m/s and impact angle of 40.5°. The simulation results indicate that the aluminium alloy by precision casting is more likely to rupture, and the middle region of the access cover is vulnerable to fragment impact. This research proposes a reliable rubber model applying to various strain rates. Considering the influence of impact regions, the dynamic response and various failure patterns of fuel tank access cover are acquired. The findings of this paper can be used to improve the future aircraft safety design.
2019, 32: 16.
doi: 10.1186/s10033-019-0327-9
Abstract:
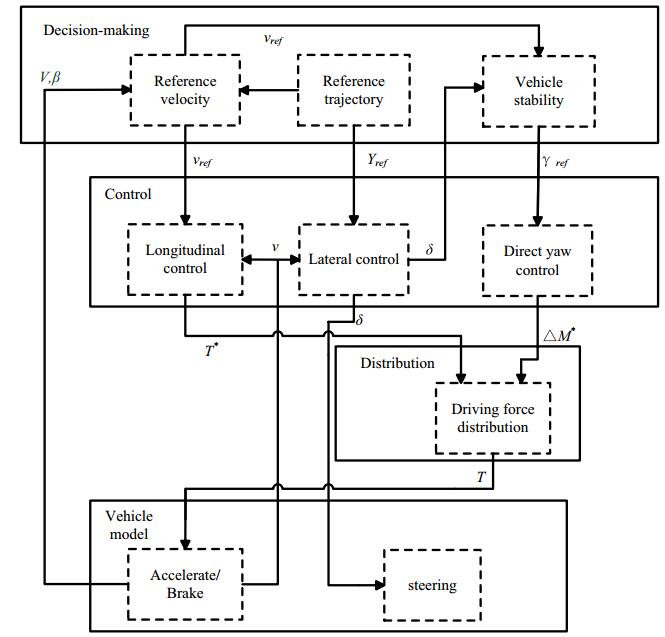
The current research of autonomous vehicle motion control mainly focuses on trajectory tracking and velocity tracking. However, numerous studies deal with trajectory tracking and velocity tracking separately, and the yaw stability is seldom considered during trajectory tracking. In this research, a combination of the longitudinal-lateral control method with the yaw stability in the trajectory tracking for autonomous vehicles is studied. Based on the vehicle dynamics, considering the longitudinal and lateral motion of the vehicle, the velocity tracking and trajectory tracking problems can be attributed to the longitudinal and lateral control. A sliding mode variable structure control method is used in the longitudinal control. The total driving force is obtained from the velocity error in order to carry out velocity tracking. A linear time-varying model predictive control method is used in the lateral control to predict the required front wheel angle for trajectory tracking. Furthermore, a combined control framework is established to control the longitudinal and lateral motions and improve the reliability of the longitudinal and lateral direction control. On this basis, the driving force of a tire is allocated reasonably by using the direct yaw moment control, which ensures good yaw stability of the vehicle when tracking the trajectory. Simulation results indicate that the proposed control strategy is good in tracking the reference velocity and trajectory and improves the performance of the stability of the vehicle.
The current research of autonomous vehicle motion control mainly focuses on trajectory tracking and velocity tracking. However, numerous studies deal with trajectory tracking and velocity tracking separately, and the yaw stability is seldom considered during trajectory tracking. In this research, a combination of the longitudinal-lateral control method with the yaw stability in the trajectory tracking for autonomous vehicles is studied. Based on the vehicle dynamics, considering the longitudinal and lateral motion of the vehicle, the velocity tracking and trajectory tracking problems can be attributed to the longitudinal and lateral control. A sliding mode variable structure control method is used in the longitudinal control. The total driving force is obtained from the velocity error in order to carry out velocity tracking. A linear time-varying model predictive control method is used in the lateral control to predict the required front wheel angle for trajectory tracking. Furthermore, a combined control framework is established to control the longitudinal and lateral motions and improve the reliability of the longitudinal and lateral direction control. On this basis, the driving force of a tire is allocated reasonably by using the direct yaw moment control, which ensures good yaw stability of the vehicle when tracking the trajectory. Simulation results indicate that the proposed control strategy is good in tracking the reference velocity and trajectory and improves the performance of the stability of the vehicle.
2019, 32: 17.
doi: 10.1186/s10033-019-0328-8
Abstract:
Cavitation has a significant effect on the flow fields and structural behaviors of a centrifugal pump. In this study, the unsteady flow and structural behaviors of a centrifugal pump are investigated numerically under different cavitation conditions. A strong two-way coupling fluid-structure interaction simulation is applied to obtain interior views of the effects of cavitating bubbles on the flow and structural dynamics of a pump. The renormalization-group k-ε turbulence model and the Zwart-Gerbe-Belamri cavitation model are solved for the fluid side, while a transient structural dynamic analysis is employed for the structure side. The different cavitation states are mapped in the head-net positive suction head (H-NPSH) curves and flow field features inside the impeller are fully revealed. Results indicate that cavitating bubbles grow and expand rapidly with decreasing NPSH. In addition, the pressure fluctuations, both in the impeller and volute, are quantitatively analyzed and associated with the cavitation states. It is shown that influence of the cavitation on the flow field is critical, specifically in the super-cavitation state. The effect of cavitation on the unsteady radial force and blade loads is also discussed. The results indicate that the averaged radial force increased from 8.5 N to 54.4 N in the transition progress from an onset cavitation state to a super-cavitation state. Furthermore, the structural behaviors, including blade deformation, stress, and natural frequencies, corresponding to the cavitation states are discussed. A large volume of cavitating bubbles weakens the fluid forces on the blade and decreases the natural frequencies of the rotor system. This study could enhance the understanding of the effects of cavitation on pump flow and structural behaviors.
Cavitation has a significant effect on the flow fields and structural behaviors of a centrifugal pump. In this study, the unsteady flow and structural behaviors of a centrifugal pump are investigated numerically under different cavitation conditions. A strong two-way coupling fluid-structure interaction simulation is applied to obtain interior views of the effects of cavitating bubbles on the flow and structural dynamics of a pump. The renormalization-group k-ε turbulence model and the Zwart-Gerbe-Belamri cavitation model are solved for the fluid side, while a transient structural dynamic analysis is employed for the structure side. The different cavitation states are mapped in the head-net positive suction head (H-NPSH) curves and flow field features inside the impeller are fully revealed. Results indicate that cavitating bubbles grow and expand rapidly with decreasing NPSH. In addition, the pressure fluctuations, both in the impeller and volute, are quantitatively analyzed and associated with the cavitation states. It is shown that influence of the cavitation on the flow field is critical, specifically in the super-cavitation state. The effect of cavitation on the unsteady radial force and blade loads is also discussed. The results indicate that the averaged radial force increased from 8.5 N to 54.4 N in the transition progress from an onset cavitation state to a super-cavitation state. Furthermore, the structural behaviors, including blade deformation, stress, and natural frequencies, corresponding to the cavitation states are discussed. A large volume of cavitating bubbles weakens the fluid forces on the blade and decreases the natural frequencies of the rotor system. This study could enhance the understanding of the effects of cavitation on pump flow and structural behaviors.
2019, 32: 19.
doi: 10.1186/s10033-019-0329-7
Abstract:
A novel method was proposed to design the structure of a bone tissue engineering scaffold based on triply periodic minimal surface. In this method, reverse engineering software was used to reconstruct the surface from point cloud data. This method overcomes the limitations of commercially available software packages that prevent them from generating models with complex surfaces used for bone tissue engineering scaffolds. Additionally, the fluid field of the scaffolds was simulated through a numerical method based on finite volume and the cell proliferation performance was evaluated via an in vitro experiment. The cell proliferation and the mass flow evaluated in a bioreactor further verified the flow field simulated using computational fluid dynamics. The result of this study illustrates that the pressure value drops rapidly from 0.103 Pa to 0.011 Pa in the y-axis direction and the mass flow is unevenly distributed in the outlets. The mass flow in the side outlets is observed to be approximately 24.3 times higher than that in the bottom outlets in the range 6.13 × 10-8 kg/s to 1.49 × 10-6 kg/s. Moreover, the mass flow in the bottom outlets decreases from the center to the edge, whereas the mass flow in the side outlets decreases from the top to the bottom. Importantly, although the mean value of wall shear stress is significantly more than 0.05 Pa, there is still a large area with a suitable shear stress below 0.05 Pa where most cells can proliferate well. The result shows that the inlet velocity 0.0075 m/s is suitable for cell proliferation in the scaffold. This study provides an insight into the design, analysis, and in vitro experiment of a bone tissue engineering scaffold.
A novel method was proposed to design the structure of a bone tissue engineering scaffold based on triply periodic minimal surface. In this method, reverse engineering software was used to reconstruct the surface from point cloud data. This method overcomes the limitations of commercially available software packages that prevent them from generating models with complex surfaces used for bone tissue engineering scaffolds. Additionally, the fluid field of the scaffolds was simulated through a numerical method based on finite volume and the cell proliferation performance was evaluated via an in vitro experiment. The cell proliferation and the mass flow evaluated in a bioreactor further verified the flow field simulated using computational fluid dynamics. The result of this study illustrates that the pressure value drops rapidly from 0.103 Pa to 0.011 Pa in the y-axis direction and the mass flow is unevenly distributed in the outlets. The mass flow in the side outlets is observed to be approximately 24.3 times higher than that in the bottom outlets in the range 6.13 × 10-8 kg/s to 1.49 × 10-6 kg/s. Moreover, the mass flow in the bottom outlets decreases from the center to the edge, whereas the mass flow in the side outlets decreases from the top to the bottom. Importantly, although the mean value of wall shear stress is significantly more than 0.05 Pa, there is still a large area with a suitable shear stress below 0.05 Pa where most cells can proliferate well. The result shows that the inlet velocity 0.0075 m/s is suitable for cell proliferation in the scaffold. This study provides an insight into the design, analysis, and in vitro experiment of a bone tissue engineering scaffold.
2019, 32: 21.
doi: 10.1186/s10033-019-0337-7
Abstract:
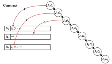
The flexible job shop scheduling problem (FJSP) is considered as an important problem in the modern manufacturing system. It is known to be an NP-hard problem. Most of the algorithms used in solving FJSP problem are categorized as metaheuristic methods. Some of these methods normally consume more CPU time and some other methods are more complicated which make them difficult to code and not easy to reproduce. This paper proposes a modified iterated greedy (IG) algorithm to deal with FJSP problem in order to provide a simpler metaheuristic, which is easier to code and to reproduce than some other much more complex methods. This is done by separating the classical IG into two phases. Each phase is used to solve a sub-problem of the FJSP: sequencing and routing sub-problems. A set of dispatching rules are employed in the proposed algorithm for the sequencing and machine selection in the construction phase of the solution. To evaluate the performance of proposed algorithm, some experiments including some famous FJSP benchmarks have been conducted. By compared with other algorithms, the experimental results show that the presented algorithm is competitive and able to find global optimum for most instances. The simplicity of the proposed IG provides an effective method that is also easy to apply and consumes less CPU time in solving the FJSP problem.
The flexible job shop scheduling problem (FJSP) is considered as an important problem in the modern manufacturing system. It is known to be an NP-hard problem. Most of the algorithms used in solving FJSP problem are categorized as metaheuristic methods. Some of these methods normally consume more CPU time and some other methods are more complicated which make them difficult to code and not easy to reproduce. This paper proposes a modified iterated greedy (IG) algorithm to deal with FJSP problem in order to provide a simpler metaheuristic, which is easier to code and to reproduce than some other much more complex methods. This is done by separating the classical IG into two phases. Each phase is used to solve a sub-problem of the FJSP: sequencing and routing sub-problems. A set of dispatching rules are employed in the proposed algorithm for the sequencing and machine selection in the construction phase of the solution. To evaluate the performance of proposed algorithm, some experiments including some famous FJSP benchmarks have been conducted. By compared with other algorithms, the experimental results show that the presented algorithm is competitive and able to find global optimum for most instances. The simplicity of the proposed IG provides an effective method that is also easy to apply and consumes less CPU time in solving the FJSP problem.
2019, 32: 22.
doi: 10.1186/s10033-019-0340-z
Abstract:
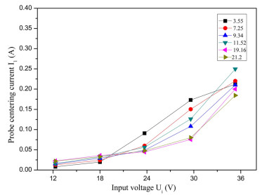
As a new composite welding heat source introduced in recent years, the cross-coupling arc uses a non-consumable electrode arc (plasma arc) and a consumable electrode arc (inter-wire arc) in cross-coupling, in which the plasma arc is the main arc and the inter-wire arc is the vice arc, to realize the separate control of the heat input to the workpiece, arc force, and droplet transfer. To reveal the electrical characteristics of the inter-wire arc under the action of the plasma arc, in this study, rotating probes are used to sweep across the plasma arc. When the probes rotate into the plasma arc, a circuit is formed, and the electrical characteristics of the inter-wire arc are indirectly analyzed according to the circuit: the probe centering current and input voltage are used as the physical quantities. The results show that at a certain wire feed rate, the inter-wire arc current increases with increasing input voltage. When the input voltage is low, the wire feed rate has no obvious effect on the inter-wire arc current. At a higher input voltage, where the wire feed rate is high, the inter-wire arc current decreases. With the increase in the plasma arc current, the inter-wire arc current first increases quickly and then increases slowly, and simultaneously, the striking arc time becomes longer. With the increase in the interval between the nozzle and the workpiece, the inter-wire arc current increases, but when the arc length increases to a certain limit, the slope of the welding current clearly declines.
As a new composite welding heat source introduced in recent years, the cross-coupling arc uses a non-consumable electrode arc (plasma arc) and a consumable electrode arc (inter-wire arc) in cross-coupling, in which the plasma arc is the main arc and the inter-wire arc is the vice arc, to realize the separate control of the heat input to the workpiece, arc force, and droplet transfer. To reveal the electrical characteristics of the inter-wire arc under the action of the plasma arc, in this study, rotating probes are used to sweep across the plasma arc. When the probes rotate into the plasma arc, a circuit is formed, and the electrical characteristics of the inter-wire arc are indirectly analyzed according to the circuit: the probe centering current and input voltage are used as the physical quantities. The results show that at a certain wire feed rate, the inter-wire arc current increases with increasing input voltage. When the input voltage is low, the wire feed rate has no obvious effect on the inter-wire arc current. At a higher input voltage, where the wire feed rate is high, the inter-wire arc current decreases. With the increase in the plasma arc current, the inter-wire arc current first increases quickly and then increases slowly, and simultaneously, the striking arc time becomes longer. With the increase in the interval between the nozzle and the workpiece, the inter-wire arc current increases, but when the arc length increases to a certain limit, the slope of the welding current clearly declines.
2019, 32: 24.
doi: 10.1186/s10033-019-0338-6
Abstract:
Although there are some multi-sensor methods for measuring the straightness and tilt errors of a linear slideway, they need to be further improved in some aspects, such as suppressing measurement noise and reducing precondition. In this paper, a new four-sensor method with an improved measurement system is proposed to on-machine separate the straightness and tilt errors of a linear slideway from the sensor outputs, considering the influences of the reference surface profile and the zero-adjustment values. The improved system is achieved by adjusting a single sensor to different positions. Based on the system, a system of linear equations is built by fusing the sensor outputs to cancel out the effects of the straightness and tilt errors. Three constraints are then derived and supplemented into the linear system to make the coefficient matrix full rank. To restrain the sensitivity of the solution of the linear system to the measurement noise in the sensor outputs, the Tikhonov regularization method is utilized. After the surface profile is obtained from the solution, the straightness and tilt errors are identified from the sensor outputs. To analyze the effects of the measurement noise and the positioning errors of the sensor and the linear slideway, a series of computer simulations are carried out. An experiment is conducted for validation, showing good consistency. The new four-sensor method with the improved measurement system provides a new way to measure the straightness and tilt errors of a linear slideway, which can guarantee favorable propagations of the residuals induced by the noise and the positioning errors.
Although there are some multi-sensor methods for measuring the straightness and tilt errors of a linear slideway, they need to be further improved in some aspects, such as suppressing measurement noise and reducing precondition. In this paper, a new four-sensor method with an improved measurement system is proposed to on-machine separate the straightness and tilt errors of a linear slideway from the sensor outputs, considering the influences of the reference surface profile and the zero-adjustment values. The improved system is achieved by adjusting a single sensor to different positions. Based on the system, a system of linear equations is built by fusing the sensor outputs to cancel out the effects of the straightness and tilt errors. Three constraints are then derived and supplemented into the linear system to make the coefficient matrix full rank. To restrain the sensitivity of the solution of the linear system to the measurement noise in the sensor outputs, the Tikhonov regularization method is utilized. After the surface profile is obtained from the solution, the straightness and tilt errors are identified from the sensor outputs. To analyze the effects of the measurement noise and the positioning errors of the sensor and the linear slideway, a series of computer simulations are carried out. An experiment is conducted for validation, showing good consistency. The new four-sensor method with the improved measurement system provides a new way to measure the straightness and tilt errors of a linear slideway, which can guarantee favorable propagations of the residuals induced by the noise and the positioning errors.
2019, 32: 26.
doi: 10.1186/s10033-019-0341-y
Abstract:
Existing eddy current non-destructive testing (NDT) techniques generally do not consider the inclination angle of inclined cracks, which potentially harms a larger region of a tested structure.This work proposes the use of 2D scan images generated by using pulsed eddy current (PEC) non-destructive testing (NDT) technique in the quantifcation of the inclination and depth of inclined cracks.The image-based feature extraction technique efectively identifes the crack axis, which consequently enables extraction of features from the extracted linear scans.The technique extracts linear scans from the images to allow the extraction of three novel image-based features, namely the length of extracted linear scans (LLS), the linear scan skewness (LSS), and the highest value on linear scan (LSmax).The correlation of the three features to surface crack inclination angles and depths were analysed and found to be highly dependent on the crack depths, while only LLS and LSS are correlated to the crack inclination angles
Existing eddy current non-destructive testing (NDT) techniques generally do not consider the inclination angle of inclined cracks, which potentially harms a larger region of a tested structure.This work proposes the use of 2D scan images generated by using pulsed eddy current (PEC) non-destructive testing (NDT) technique in the quantifcation of the inclination and depth of inclined cracks.The image-based feature extraction technique efectively identifes the crack axis, which consequently enables extraction of features from the extracted linear scans.The technique extracts linear scans from the images to allow the extraction of three novel image-based features, namely the length of extracted linear scans (LLS), the linear scan skewness (LSS), and the highest value on linear scan (LSmax).The correlation of the three features to surface crack inclination angles and depths were analysed and found to be highly dependent on the crack depths, while only LLS and LSS are correlated to the crack inclination angles
2019, 32: 28.
doi: 10.1186/s10033-019-0339-5
Abstract:
In order to solve the springback problem in sheet metal forming, the trial and error method is a widely used method in the factory, which is time-consuming and costly for its non-direction and non-quantitative. Finite element simulation is an effective method to predict the springback of complex shape parts, but its precision is sensitive to the simulation model, particularly material model and boundary conditions. In this paper, the simple iterative method is introduced to establish the iterative compensation algorithm, and the convergence criterion of iterative parameters is put forward. In addition, the new algorithm is applied to the V-free bending and stretch-bending processes, and the convergence of curvature and bending angle is proved theoretically and verified experimentally. At the same time, the iterative compensation experiments for plane bending show that, the new method can predict the next compensation value based on the springback of each test, so that the target bending angle with the error of less than ± 0.1% and the target curvature with the error of less than 0.5% are obtained after 2?3 iterations. This research proposes a new iterative compensation algorithm to predict springback in sheet metal forming process, where each compensation value depends only on the iteration parameter difference before and after springback for the same forming process of same material.
In order to solve the springback problem in sheet metal forming, the trial and error method is a widely used method in the factory, which is time-consuming and costly for its non-direction and non-quantitative. Finite element simulation is an effective method to predict the springback of complex shape parts, but its precision is sensitive to the simulation model, particularly material model and boundary conditions. In this paper, the simple iterative method is introduced to establish the iterative compensation algorithm, and the convergence criterion of iterative parameters is put forward. In addition, the new algorithm is applied to the V-free bending and stretch-bending processes, and the convergence of curvature and bending angle is proved theoretically and verified experimentally. At the same time, the iterative compensation experiments for plane bending show that, the new method can predict the next compensation value based on the springback of each test, so that the target bending angle with the error of less than ± 0.1% and the target curvature with the error of less than 0.5% are obtained after 2?3 iterations. This research proposes a new iterative compensation algorithm to predict springback in sheet metal forming process, where each compensation value depends only on the iteration parameter difference before and after springback for the same forming process of same material.
2019, 32: 30.
doi: 10.1186/s10033-019-0342-x
Abstract:
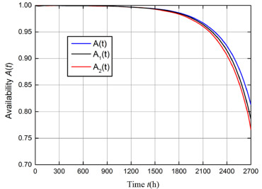
Conventional reliability models of belt drive systems in the failure mode of fatigue are mainly based on the static stress strength interference model and its extended models, which cannot consider dynamic factors in the operational duration and be used for further availability analysis. In this paper, time-dependent reliability models, failure rate models and availability models of belt drive systems are developed based on the system dynamic equations with the dynamic stress and the material property degradation taken into account. In the proposed models, dynamic failure dependence and imperfect maintenance are taken into consideration. Furthermore, the issue of time scale inconsistency between system failure rate and system availability is proposed and addressed in the proposed system availability models. Besides, Monte Carlo simulations are carried out to validate the established models. The results from the proposed models and those from the Monte Carlo simulations show a consistency. Furthermore, the case studies show that the failure dependence, imperfect maintenance and the time scale inconsistency have significant influences on system availability. The independence assumption about the belt drive systems results in underestimations of both reliability and availability. Moreover, the neglect of the time scale inconsistency causes the underestimate of the system availability. Meanwhile, these influences show obvious time-dependent characteristics.
Conventional reliability models of belt drive systems in the failure mode of fatigue are mainly based on the static stress strength interference model and its extended models, which cannot consider dynamic factors in the operational duration and be used for further availability analysis. In this paper, time-dependent reliability models, failure rate models and availability models of belt drive systems are developed based on the system dynamic equations with the dynamic stress and the material property degradation taken into account. In the proposed models, dynamic failure dependence and imperfect maintenance are taken into consideration. Furthermore, the issue of time scale inconsistency between system failure rate and system availability is proposed and addressed in the proposed system availability models. Besides, Monte Carlo simulations are carried out to validate the established models. The results from the proposed models and those from the Monte Carlo simulations show a consistency. Furthermore, the case studies show that the failure dependence, imperfect maintenance and the time scale inconsistency have significant influences on system availability. The independence assumption about the belt drive systems results in underestimations of both reliability and availability. Moreover, the neglect of the time scale inconsistency causes the underestimate of the system availability. Meanwhile, these influences show obvious time-dependent characteristics.
2019, 32: 31.
doi: 10.1186/s10033-019-0345-7
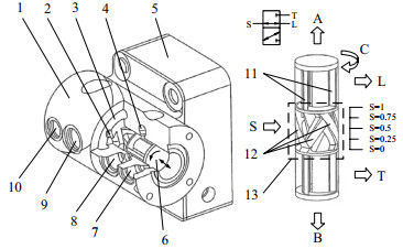
Abstract:
In current research on deflector jet servo valves, the receiver pressure estimated using traditional two-dimensional simulation and theoretical calculation is always lower than the experimental data; therefore, credible information about the flow field in the prestage part of the valve can hardly be obtained. To investigate this issue and understand the internal characteristics of the deflector jet valve, a realistic numerical model is constructed and a three-dimensional simulation carried out that displays a complex flow pattern in the deflector jet structure. Then six phases of the flow pattern are presented, and the defects of the two-dimensional simulation are revealed. Based on the simulation results, it is found that the jet in the deflector has a longer core area and the fluid near the shunt wedge cannot resist the impact of the high-speed fluid. Therefore, two assumptions about the flow distribution are presented by which to construct a more complete theoretical model. The receiver pressure and prestage pressure gain are significantly enhanced in the calculations. Finally, special experiments on the prestage of the servo valve are performed, and the pressure performance of the numerical simulation and the theoretical calculation agree well with the experimental data. Finally, the internal mechanism described by the theoretical and numerical models is verified. From this research, more accurate numerical and theoretical models are proposed by which to figure out the internal characteristics of the deflector jet valve.
In current research on deflector jet servo valves, the receiver pressure estimated using traditional two-dimensional simulation and theoretical calculation is always lower than the experimental data; therefore, credible information about the flow field in the prestage part of the valve can hardly be obtained. To investigate this issue and understand the internal characteristics of the deflector jet valve, a realistic numerical model is constructed and a three-dimensional simulation carried out that displays a complex flow pattern in the deflector jet structure. Then six phases of the flow pattern are presented, and the defects of the two-dimensional simulation are revealed. Based on the simulation results, it is found that the jet in the deflector has a longer core area and the fluid near the shunt wedge cannot resist the impact of the high-speed fluid. Therefore, two assumptions about the flow distribution are presented by which to construct a more complete theoretical model. The receiver pressure and prestage pressure gain are significantly enhanced in the calculations. Finally, special experiments on the prestage of the servo valve are performed, and the pressure performance of the numerical simulation and the theoretical calculation agree well with the experimental data. Finally, the internal mechanism described by the theoretical and numerical models is verified. From this research, more accurate numerical and theoretical models are proposed by which to figure out the internal characteristics of the deflector jet valve.
2019, 32: 33.
doi: 10.1186/s10033-019-0334-x
Abstract:
With the improvement of vehicles electrical equipment, the existing silicon rectification generator and permanent magnet generator cannot meet the requirement of the electric power consumption of the modern vehicles electrical equipment. It is difficult to adjust the air gap magnetic field of the permanent magnet generator. Consequently, the output voltage is not stable. The silicon rectifying generator has the problems of low efficiency and high failure rate. In order to solve these problems, a new type of hybrid excitation generator is developed in this paper. The developed hybrid excitation generator has a double-radial permanent magnet, a salient-pole electromagnetic combined rotor, and a fractional slot winding stator, where each rotor pole corresponds to 4.5 stator teeth. The equivalent magnetic circuit diagram of permanent magnet rotor and magnetic rotor is established. Magnetic field finite element analysis (FEA) software is used to conduct the modeling and simulation analysis on double-radial permanent magnet magnetic field, salient-pole electro-magnetic magnetic field and hybrid magnetic field. The magnetic flux density mold value diagram and vector diagram are obtained. The diagrams are used to verify the feasibility of this design. The designed electromagnetic coupling regulator controller can ensure the stable voltage export by changing the magnitude and direction of the excitation current to adjust the size of the air gap magnetic field. Therefore, the problem of output voltage instability in the wide speed range and wide load range of the hybrid excitation generator is solved.
With the improvement of vehicles electrical equipment, the existing silicon rectification generator and permanent magnet generator cannot meet the requirement of the electric power consumption of the modern vehicles electrical equipment. It is difficult to adjust the air gap magnetic field of the permanent magnet generator. Consequently, the output voltage is not stable. The silicon rectifying generator has the problems of low efficiency and high failure rate. In order to solve these problems, a new type of hybrid excitation generator is developed in this paper. The developed hybrid excitation generator has a double-radial permanent magnet, a salient-pole electromagnetic combined rotor, and a fractional slot winding stator, where each rotor pole corresponds to 4.5 stator teeth. The equivalent magnetic circuit diagram of permanent magnet rotor and magnetic rotor is established. Magnetic field finite element analysis (FEA) software is used to conduct the modeling and simulation analysis on double-radial permanent magnet magnetic field, salient-pole electro-magnetic magnetic field and hybrid magnetic field. The magnetic flux density mold value diagram and vector diagram are obtained. The diagrams are used to verify the feasibility of this design. The designed electromagnetic coupling regulator controller can ensure the stable voltage export by changing the magnitude and direction of the excitation current to adjust the size of the air gap magnetic field. Therefore, the problem of output voltage instability in the wide speed range and wide load range of the hybrid excitation generator is solved.
2019, 32: 34.
doi: 10.1186/s10033-019-0347-5
Abstract:
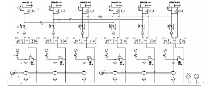
Posture adjustment of open-type hard rock tunnel boring machine (TBM) can be achieved by properly adjusting the hydraulic pressure of gripper cylinder and torque cylinders. However, the time-varying inhomogeneous load acting on tunneling face of TBM and complex stratum working condition can cause the trajectory deviation. In this paper, the position and posture rectification kinematics and dynamics models of TBM have been established in order to track the trajectory. Moreover, there are uncertain parameters and uncertain loads from complex working conditions in the dynamic model. An indirect adaptive robust control strategy is applied to achieve precise position and posture trajectory tracking control. Simulation results show when the position deviation only occurs in Y-axis and the current orientation is parallel with the designed axis, the deviation can be corrected by controlling the pressure of gripper cylinder and the actual trajectory meets the designed axis when TBM is pushed forward 0.14 m in X-axis. If the deviation only occurs in Z-axis, then the deviation can be corrected by controlling torque cylinders. If the position deviation occurs both in Y-axis and Z-axis at the same time, the pressure of gripper cylinder and torque cylinders should be controlled at the same time to rectify the deviation. Simulation results are shown to illustrate the effectiveness and robustness of the proposed controller. This research proposes an indirect adaptive robust controller that can track the planned tracking trajectory smoothly and rapidly.
Posture adjustment of open-type hard rock tunnel boring machine (TBM) can be achieved by properly adjusting the hydraulic pressure of gripper cylinder and torque cylinders. However, the time-varying inhomogeneous load acting on tunneling face of TBM and complex stratum working condition can cause the trajectory deviation. In this paper, the position and posture rectification kinematics and dynamics models of TBM have been established in order to track the trajectory. Moreover, there are uncertain parameters and uncertain loads from complex working conditions in the dynamic model. An indirect adaptive robust control strategy is applied to achieve precise position and posture trajectory tracking control. Simulation results show when the position deviation only occurs in Y-axis and the current orientation is parallel with the designed axis, the deviation can be corrected by controlling the pressure of gripper cylinder and the actual trajectory meets the designed axis when TBM is pushed forward 0.14 m in X-axis. If the deviation only occurs in Z-axis, then the deviation can be corrected by controlling torque cylinders. If the position deviation occurs both in Y-axis and Z-axis at the same time, the pressure of gripper cylinder and torque cylinders should be controlled at the same time to rectify the deviation. Simulation results are shown to illustrate the effectiveness and robustness of the proposed controller. This research proposes an indirect adaptive robust controller that can track the planned tracking trajectory smoothly and rapidly.
2019, 32: 35.
doi: 10.1186/s10033-019-0349-3
Abstract:
Rolling element bearings are key components of mechanical equipment. The bearing fault characteristics are afected by the interaction in the vibration signals. The low harmonics of the bearing characteristic frequencies cannot be usually observed in the Fourier spectrum. The frequency loss in the bearing vibration signal is presented through two independent experiments in this paper. The existence of frequency loss phenomenon in the low frequencies, side band frequencies and resonant frequencies and revealed. It is demonstrated that the lost frequencies are actually suppressed by the internal action in the bearing fault signal rather than the external interference. The amplitude and distribution of the spectrum are changed due to the interaction of the bearing fault signal. The interaction mechanism of bearing fault signal is revealed through theoretical and practical analysis. Based on mathematical morphology, a new method is provided to recover the lost frequencies. The multi-resonant response signal of the defective bearing are decomposed into low frequency and high frequency response, and the lost frequencies are recovered by the combination morphological flter (CMF). The efectiveness of the proposed method is validated on simulated and experimental data.
Rolling element bearings are key components of mechanical equipment. The bearing fault characteristics are afected by the interaction in the vibration signals. The low harmonics of the bearing characteristic frequencies cannot be usually observed in the Fourier spectrum. The frequency loss in the bearing vibration signal is presented through two independent experiments in this paper. The existence of frequency loss phenomenon in the low frequencies, side band frequencies and resonant frequencies and revealed. It is demonstrated that the lost frequencies are actually suppressed by the internal action in the bearing fault signal rather than the external interference. The amplitude and distribution of the spectrum are changed due to the interaction of the bearing fault signal. The interaction mechanism of bearing fault signal is revealed through theoretical and practical analysis. Based on mathematical morphology, a new method is provided to recover the lost frequencies. The multi-resonant response signal of the defective bearing are decomposed into low frequency and high frequency response, and the lost frequencies are recovered by the combination morphological flter (CMF). The efectiveness of the proposed method is validated on simulated and experimental data.
2019, 32: 36.
doi: 10.1186/s10033-019-0348-4
Abstract:
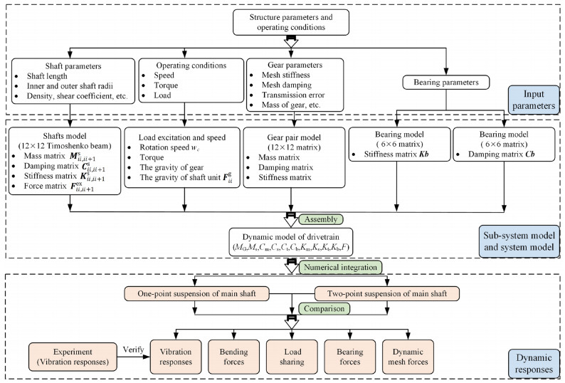
The current research of wind turbine drivetrain is mainly concentrated in dynamic characteristics of gearbox with a specific suspension of main shaft, such as one-point and two-point suspension. However, little attention is paid to the effects of these suspension configurations on the dynamic responses of wind turbine gearbox. This paper investigates the influences of suspension configurations of main shaft on the dynamic characteristics of drivetrain. For evaluating the dynamic behaviors of drivetrain with multi-stage transmission system more realistically, a dynamic modeling approach of drivetrain is proposed based on Timoshenko beam theory and Lagrange's equation. Considering the flexibility and different suspension configurations of main shaft, time-varying mesh stiffness excitation, time-varying transmission error excitation and gravity excitation, etc., a three-dimensional dynamic model of drivetrain is developed, and the dynamic responses of drivetrain are investigated. Results show that with the one-point suspension of main shaft, the resonance frequencies in gearbox, especially at the low-speed stage, obviously shift to the higher frequency range compared to the gearbox without main shaft, but this trend could be inversed by increasing main shaft length. Meanwhile, the loads in main shaft, main shaft bearing and carrier bearing are greatly sensitive to the main shaft length. Hence, the load sharing is further disrupted by main shaft, but this effect could be alleviated by larger load torque. Comparing to the one-point suspension of main shaft, there occurs the obvious load reduction at the low-speed stage with two-point suspension of main shaft. However, those advantages greatly depend on the distance between two main bearings, and come at the expense of increased load in upwind main shaft unit and the corresponding main bearing. Finally, a wind field test is conducted to verify the proposed drivetrain model. This study develops a numerical model of drivetrain which is able to evaluate the effects of different suspension configurations of main shaft on gearbox.
The current research of wind turbine drivetrain is mainly concentrated in dynamic characteristics of gearbox with a specific suspension of main shaft, such as one-point and two-point suspension. However, little attention is paid to the effects of these suspension configurations on the dynamic responses of wind turbine gearbox. This paper investigates the influences of suspension configurations of main shaft on the dynamic characteristics of drivetrain. For evaluating the dynamic behaviors of drivetrain with multi-stage transmission system more realistically, a dynamic modeling approach of drivetrain is proposed based on Timoshenko beam theory and Lagrange's equation. Considering the flexibility and different suspension configurations of main shaft, time-varying mesh stiffness excitation, time-varying transmission error excitation and gravity excitation, etc., a three-dimensional dynamic model of drivetrain is developed, and the dynamic responses of drivetrain are investigated. Results show that with the one-point suspension of main shaft, the resonance frequencies in gearbox, especially at the low-speed stage, obviously shift to the higher frequency range compared to the gearbox without main shaft, but this trend could be inversed by increasing main shaft length. Meanwhile, the loads in main shaft, main shaft bearing and carrier bearing are greatly sensitive to the main shaft length. Hence, the load sharing is further disrupted by main shaft, but this effect could be alleviated by larger load torque. Comparing to the one-point suspension of main shaft, there occurs the obvious load reduction at the low-speed stage with two-point suspension of main shaft. However, those advantages greatly depend on the distance between two main bearings, and come at the expense of increased load in upwind main shaft unit and the corresponding main bearing. Finally, a wind field test is conducted to verify the proposed drivetrain model. This study develops a numerical model of drivetrain which is able to evaluate the effects of different suspension configurations of main shaft on gearbox.
2019, 32: 37.
doi: 10.1186/s10033-019-0351-9
Abstract:
Owing to heavy dynamic and thermal loads, PCBN tools are seriously worn during hard cutting, which largely constrains the improvement of their machining performance. Therein, the chamfered structure of a cutting edge has a notable influence on the tool wear. Thus, a comparative study was carried out on the wear morphology and wear mechanism of PCBN tools with either a variable chamfered edge or an invariable chamfered edge. The results indicate that, for a PCBN tool with a variable chamfered edge, the rake wear area is far from the cutting edge and slowly extends toward it. A shallow large-area crater wear occurs on the rake face, and the flank wear area has a long triangular shape with a smaller wear area and width, and the cutting edge remains in a good state during the cutting process. In contrast, for a PCBN tool with an invariable chamfered edge, a deep small-area crater appears on the rake face, and the wear area is close to the cutting edge and quickly extends toward it. Thus, it is easy for chips to accumulate in the crater, resulting in large-area and high-speed wear on the flank face. In addition, the tool shows a weak wear resistance. In the initial wear stage, the rake wear mechanism of the two cutting tools is a mixture of abrasive, oxidation, and other types of wear, whereas their flank wear mechanism is dominated by abrasive wear. With an aggravation of the tool wear, the oxidation and diffusion wear mechanism are both increasingly strengthened. The rake wear of the cutter with a variable chamfered edge showed an obvious increase in the oxidation and diffusion wear, as did the flank wear of the cutter with an invariable chamfered edge. This study revealed the wear mechanism of the PCBN tool with a variable chamfered edge and provided theoretical and technological support for its popularization and application in the machining of high-hardness materials.
Owing to heavy dynamic and thermal loads, PCBN tools are seriously worn during hard cutting, which largely constrains the improvement of their machining performance. Therein, the chamfered structure of a cutting edge has a notable influence on the tool wear. Thus, a comparative study was carried out on the wear morphology and wear mechanism of PCBN tools with either a variable chamfered edge or an invariable chamfered edge. The results indicate that, for a PCBN tool with a variable chamfered edge, the rake wear area is far from the cutting edge and slowly extends toward it. A shallow large-area crater wear occurs on the rake face, and the flank wear area has a long triangular shape with a smaller wear area and width, and the cutting edge remains in a good state during the cutting process. In contrast, for a PCBN tool with an invariable chamfered edge, a deep small-area crater appears on the rake face, and the wear area is close to the cutting edge and quickly extends toward it. Thus, it is easy for chips to accumulate in the crater, resulting in large-area and high-speed wear on the flank face. In addition, the tool shows a weak wear resistance. In the initial wear stage, the rake wear mechanism of the two cutting tools is a mixture of abrasive, oxidation, and other types of wear, whereas their flank wear mechanism is dominated by abrasive wear. With an aggravation of the tool wear, the oxidation and diffusion wear mechanism are both increasingly strengthened. The rake wear of the cutter with a variable chamfered edge showed an obvious increase in the oxidation and diffusion wear, as did the flank wear of the cutter with an invariable chamfered edge. This study revealed the wear mechanism of the PCBN tool with a variable chamfered edge and provided theoretical and technological support for its popularization and application in the machining of high-hardness materials.
2019, 32: 41.
doi: 10.1186/s10033-019-0359-1
Abstract:
The current research on gear system dynamics mainly utilizes linear spring damping model to calculate the contact force between gears. However, this linear model cannot correctly describe the energy transfer process of collision that often occurs in gear system. Focus on the contact-impact events, this paper proposes an improved gear contact force model for dynamic analysis in helical gear transmission system. In this model, a new factor associated with hysteresis damping is developed for contact-impact state, whereas the traditional linear damping factor is utilized for normal meshing state. For determining the selection strategy of these two damping factors, the fundamental contact mechanics of contact-impact event affected by supporting forces are analyzed. During this analysis, an effect factor is proposed for evaluating the influence of supporting forces on collision. Meanwhile, a new restitution of coefficient is deduced for calculating hysteresis damping factor, which suitable for both separation and non-separation states at the end of collision. In addition, the time-varying meshing stiffness (TVMS) is obtained based on the potential energy approach and the slice theory. Finally, a dynamic analysis of a helical gear system is carried out to better understand the contact force model proposed in this paper. The analysis results show that the contribution of supporting forces to the dynamic response of contact-impact event within gear pair is important. The supporting forces and dissipative energy are the main reasons for gear system to enter a steady contact state from repeated contact-impact state. This research proposes an improved contact force model which distinguishes meshing and collision states in gear system.
The current research on gear system dynamics mainly utilizes linear spring damping model to calculate the contact force between gears. However, this linear model cannot correctly describe the energy transfer process of collision that often occurs in gear system. Focus on the contact-impact events, this paper proposes an improved gear contact force model for dynamic analysis in helical gear transmission system. In this model, a new factor associated with hysteresis damping is developed for contact-impact state, whereas the traditional linear damping factor is utilized for normal meshing state. For determining the selection strategy of these two damping factors, the fundamental contact mechanics of contact-impact event affected by supporting forces are analyzed. During this analysis, an effect factor is proposed for evaluating the influence of supporting forces on collision. Meanwhile, a new restitution of coefficient is deduced for calculating hysteresis damping factor, which suitable for both separation and non-separation states at the end of collision. In addition, the time-varying meshing stiffness (TVMS) is obtained based on the potential energy approach and the slice theory. Finally, a dynamic analysis of a helical gear system is carried out to better understand the contact force model proposed in this paper. The analysis results show that the contribution of supporting forces to the dynamic response of contact-impact event within gear pair is important. The supporting forces and dissipative energy are the main reasons for gear system to enter a steady contact state from repeated contact-impact state. This research proposes an improved contact force model which distinguishes meshing and collision states in gear system.
2019, 32: 42.
doi: 10.1186/s10033-019-0354-6
Abstract:
Pneumatic system has been widely used throughout industry, and it consumes more than billions kW h of electricity one year all over the world. So as to improve the efficiency of pneumatic system, its power evaluation as well as measurement methods should be proposed, and their applicability should be validated. In this paper, firstly, power evaluation and measurement methods of pneumatic system were introduced for the first time. Secondly, based on the proposed methods, power distributions in pneumatic system was analyzed. Thirdly, through the analysis on pneumatic efficiencies of typical compressors and pneumatic components, the applicability of the proposed methods were validated. It can be concluded that, first of all, the proposed methods to evaluation and measurement the power of pneumatic system were efficient. Furthermore, the pneumatic power efficiencies of pneumatic system in the air production and cleaning procedure are respectively about 35%-75% and 85%-90%. Moreover, the pneumatic power efficiencies of pneumatic system in the transmission and consumption procedures are about 70%-85% and 10%-35%. And the total pneumatic power efficiency of pneumatic system is about 2%-20%, which varies largely with the system configuration. This paper provides a method to analyze and measure the power of pneumatic system, lay a foundation for the optimization and energy-saving design of pneumatic system.
Pneumatic system has been widely used throughout industry, and it consumes more than billions kW h of electricity one year all over the world. So as to improve the efficiency of pneumatic system, its power evaluation as well as measurement methods should be proposed, and their applicability should be validated. In this paper, firstly, power evaluation and measurement methods of pneumatic system were introduced for the first time. Secondly, based on the proposed methods, power distributions in pneumatic system was analyzed. Thirdly, through the analysis on pneumatic efficiencies of typical compressors and pneumatic components, the applicability of the proposed methods were validated. It can be concluded that, first of all, the proposed methods to evaluation and measurement the power of pneumatic system were efficient. Furthermore, the pneumatic power efficiencies of pneumatic system in the air production and cleaning procedure are respectively about 35%-75% and 85%-90%. Moreover, the pneumatic power efficiencies of pneumatic system in the transmission and consumption procedures are about 70%-85% and 10%-35%. And the total pneumatic power efficiency of pneumatic system is about 2%-20%, which varies largely with the system configuration. This paper provides a method to analyze and measure the power of pneumatic system, lay a foundation for the optimization and energy-saving design of pneumatic system.
2019, 32: 43.
doi: 10.1186/s10033-019-0360-8
Abstract:
A numerical control (NC) tool path of digital CAD model is widely generated as a set of short line segments in machining. However, there are three shortcomings in the linear tool path, such as discontinuities of tangency and curvature, huge number of line segments, and short lengths of line segments. These disadvantages hinder the development of high speed machining. To smooth the linear tool path and improve machining efficiency of short line segments, this paper presents an optimal feed interpolator based on G2 continuous Bézier curves for the linear tool path. First, the areas suitable for fitting are screened out based on the geometric characteristics of continuous short segments (CSSs). CSSs in every area are compressed and fitted into a G2 Continuous Bézier curve by using the least square method. Then a series of cubic Bézier curves are generated. However, the junction between adjacent Bézier curves is only G0 continuous. By adjusting the control points and inserting Bézier transition curves between adjacent Bézier curves, the G2 continuous tool path is constructed. The fitting error is estimated by the second-order Taylor formula. Without iteration, the fitting algorithm can be implemented in real-time environment. Second, the optimal feed interpolator considering the comprehensive constraints (such as the chord error constraint, the maximum normal acceleration, servo capacity of each axis, etc.) is proposed. Simulation and experiment are conducted. The results shows that the proposed method can generate smooth path, decrease the amount of segments and reduce machining time for machining of linear tool path. The proposed research provides an effective method for high-speed machining of complex 2-D/3-D profiles described by short line segments.
A numerical control (NC) tool path of digital CAD model is widely generated as a set of short line segments in machining. However, there are three shortcomings in the linear tool path, such as discontinuities of tangency and curvature, huge number of line segments, and short lengths of line segments. These disadvantages hinder the development of high speed machining. To smooth the linear tool path and improve machining efficiency of short line segments, this paper presents an optimal feed interpolator based on G2 continuous Bézier curves for the linear tool path. First, the areas suitable for fitting are screened out based on the geometric characteristics of continuous short segments (CSSs). CSSs in every area are compressed and fitted into a G2 Continuous Bézier curve by using the least square method. Then a series of cubic Bézier curves are generated. However, the junction between adjacent Bézier curves is only G0 continuous. By adjusting the control points and inserting Bézier transition curves between adjacent Bézier curves, the G2 continuous tool path is constructed. The fitting error is estimated by the second-order Taylor formula. Without iteration, the fitting algorithm can be implemented in real-time environment. Second, the optimal feed interpolator considering the comprehensive constraints (such as the chord error constraint, the maximum normal acceleration, servo capacity of each axis, etc.) is proposed. Simulation and experiment are conducted. The results shows that the proposed method can generate smooth path, decrease the amount of segments and reduce machining time for machining of linear tool path. The proposed research provides an effective method for high-speed machining of complex 2-D/3-D profiles described by short line segments.
2019, 32: 44.
doi: 10.1186/s10033-019-0358-2
Abstract:
Shape rolling is widely employed in the production of long workpieces with appropriate cross-section profiles for other industrial applications. In the development of shape rolling systems, roll pass design (RPD) plays an essential role on the quality control of products, service life of rolls, productivity of rolling systems, as well as energy consumption of rolling operations. This study attempts to establish a generic strategy based on hybrid modeling and an improved genetic algorithm, to support the optimizations of RPD and shape rolling operations at a systematic perspective. Objectives include improving the quality and efficiency of RPD, reducing energy consumption of shape rolling, as well as releasing the demands on costly trails and expert knowledge in RPD. Hybrid modeling based on cross-disciplinary knowledge is developed to overcome the limitations of isolated single-disciplinary models. And conventional genetic algorithm is improved for the implementation of optimal design. Targeting to integrate empirical data and published reliable solutions into optimizations, a parameters estimation method is proposed to transfer the initially misaligned models into a uniform pattern. A tool based on the Matlab platform is developed to demonstrate the optimal design operations, with case studies involved to validate the proposed methodology.
Shape rolling is widely employed in the production of long workpieces with appropriate cross-section profiles for other industrial applications. In the development of shape rolling systems, roll pass design (RPD) plays an essential role on the quality control of products, service life of rolls, productivity of rolling systems, as well as energy consumption of rolling operations. This study attempts to establish a generic strategy based on hybrid modeling and an improved genetic algorithm, to support the optimizations of RPD and shape rolling operations at a systematic perspective. Objectives include improving the quality and efficiency of RPD, reducing energy consumption of shape rolling, as well as releasing the demands on costly trails and expert knowledge in RPD. Hybrid modeling based on cross-disciplinary knowledge is developed to overcome the limitations of isolated single-disciplinary models. And conventional genetic algorithm is improved for the implementation of optimal design. Targeting to integrate empirical data and published reliable solutions into optimizations, a parameters estimation method is proposed to transfer the initially misaligned models into a uniform pattern. A tool based on the Matlab platform is developed to demonstrate the optimal design operations, with case studies involved to validate the proposed methodology.
2019, 32: 46.
doi: 10.1186/s10033-019-0356-4
Abstract:
Based on Multi-Masking Empirical Mode Decomposition (MMEMD) and fuzzy c-means (FCM) clustering, a new method of wind turbine bearing fault diagnosis FCM-MMEMD is proposed, which can determine the fault accurately and timely. First, FCM clustering is employed to classify the data into different clusters, which helps to estimate whether there is a fault and how many fault types there are. If fault signals exist, the fault vibration signals are then demodulated and decomposed into different frequency bands by MMEMD in order to be analyzed further. In order to overcome the mode mixing defect of empirical mode decomposition (EMD), a novel method called MMEMD is proposed. It is an improvement to masking empirical mode decomposition (MEMD). By adding multi-masking signals to the signals to be decomposed in different levels, it can restrain low-frequency components from mixing in high-frequency components effectively in the sifting process and then suppress the mode mixing. It has the advantages of easy implementation and strong ability of suppressing modal mixing. The fault type is determined by Hilbert envelope finally. The results of simulation signal decomposition showed the high performance of MMEMD. Experiments of bearing fault diagnosis in wind turbine bearing fault diagnosis proved the validity and high accuracy of the new method.
Based on Multi-Masking Empirical Mode Decomposition (MMEMD) and fuzzy c-means (FCM) clustering, a new method of wind turbine bearing fault diagnosis FCM-MMEMD is proposed, which can determine the fault accurately and timely. First, FCM clustering is employed to classify the data into different clusters, which helps to estimate whether there is a fault and how many fault types there are. If fault signals exist, the fault vibration signals are then demodulated and decomposed into different frequency bands by MMEMD in order to be analyzed further. In order to overcome the mode mixing defect of empirical mode decomposition (EMD), a novel method called MMEMD is proposed. It is an improvement to masking empirical mode decomposition (MEMD). By adding multi-masking signals to the signals to be decomposed in different levels, it can restrain low-frequency components from mixing in high-frequency components effectively in the sifting process and then suppress the mode mixing. It has the advantages of easy implementation and strong ability of suppressing modal mixing. The fault type is determined by Hilbert envelope finally. The results of simulation signal decomposition showed the high performance of MMEMD. Experiments of bearing fault diagnosis in wind turbine bearing fault diagnosis proved the validity and high accuracy of the new method.
2019, 32: 47.
doi: 10.1186/s10033-019-0361-7
Abstract:
A model based on the curvature integration method has been applied in an online plate leveling system. However, there are some shortcomings in the current leveling models. On the one hand, the models cannot deal with the leveling process of plates with a random curvature distribution. On the other hand, the current models are suitable only for stable leveling processes and ignore the biting in and tailing out stages. This study presents a new plate-leveling model based on the curvature integration method, which can describe the leveling process of plates with random curvature distribution. Further, the model is solved in two cases in order to take the biting in and tailing out stages into consideration. The proposed model is evaluated by comparing with a plate leveling experiment. Finally, the leveling process of a plate with a wave bent is studied using the proposed model. It is found that the contact angles vary greatly during the biting in and tailing out stages. However, they are relatively steady during the 5 roller leveling stage. In addition, the contact angle of roller No. 2 is the smallest, which is close to 0. Roller leveling can effectively eliminate bending in the plate, but there are regions in the head and tail of the plate, where roller leveling is not effective. The non-leveling region length is about 2 times that of the roller space. This study proposes a quasi-static plate-leveling model, which makes it possible to analyze the dynamic straightening process using a curvature integration method. It also makes it possible to analyze the straightening process of a plate with random curvature distribution.
A model based on the curvature integration method has been applied in an online plate leveling system. However, there are some shortcomings in the current leveling models. On the one hand, the models cannot deal with the leveling process of plates with a random curvature distribution. On the other hand, the current models are suitable only for stable leveling processes and ignore the biting in and tailing out stages. This study presents a new plate-leveling model based on the curvature integration method, which can describe the leveling process of plates with random curvature distribution. Further, the model is solved in two cases in order to take the biting in and tailing out stages into consideration. The proposed model is evaluated by comparing with a plate leveling experiment. Finally, the leveling process of a plate with a wave bent is studied using the proposed model. It is found that the contact angles vary greatly during the biting in and tailing out stages. However, they are relatively steady during the 5 roller leveling stage. In addition, the contact angle of roller No. 2 is the smallest, which is close to 0. Roller leveling can effectively eliminate bending in the plate, but there are regions in the head and tail of the plate, where roller leveling is not effective. The non-leveling region length is about 2 times that of the roller space. This study proposes a quasi-static plate-leveling model, which makes it possible to analyze the dynamic straightening process using a curvature integration method. It also makes it possible to analyze the straightening process of a plate with random curvature distribution.
2019, 32: 55.
doi: 10.1186/s10033-019-0366-2
Abstract:
Penetration estimation is a prerequisite of the automation of backing welding based on vision sensing technology. However, the arc interference in welding process leads to the difficulties of extracting the weld pool characteristic information, which brings great challenges to the penetration estimation. At present, most researches focus on the extraction of weld pool geometry parameters, and the visual sensing systems are complex in structure and complicated in the image processing algorithms. The research of penetration estimation based on weld pool geometry parameters is still in the exploratory stage. The purpose of this paper is to research the relationship between the weld pool geometry parameters and the penetration during backing welding and to estimate penetration using the weld pool geometry parameters. A passive vision sensing test system for gas metal arc (GMA) backing welding was established. An image processing algorithm was developed to extract the weld pool geometry parameters, namely, the area, maximum width and length, half-length, length-width ratio and advancing contact angle (simplified as AWP, MWWP, MLWP, HLWP, LWR and ACA, respectively). The corresponding relationships between the weld pool geometry parameters and the penetration state were explored by analysing their changes with the welding current and speed. The distribution of the weld pool geometry parameters corresponding to penetration was determined. When the AWP of the weld pool is within a certain range and the values of LWR and ACA are close to their maximum and minimum respectively, the penetration is in good condition. A mathematical model with the weld pool geometry parameters as independent variables and the back-bead width (the indicator of the penetration state) as a dependent variable was established based on multivariable linear regression analysis, and relevant statistical tests were carried out. Multivariable linear regression equations for the weld pool geometry parameters and the back-bead width were deduced according to the variations in the current and speed, and the equations can be used to estimate the penetration of backing welding. The study provides a solution to penetration estimation of GMA backing welding based on automatic vision sensing.
Penetration estimation is a prerequisite of the automation of backing welding based on vision sensing technology. However, the arc interference in welding process leads to the difficulties of extracting the weld pool characteristic information, which brings great challenges to the penetration estimation. At present, most researches focus on the extraction of weld pool geometry parameters, and the visual sensing systems are complex in structure and complicated in the image processing algorithms. The research of penetration estimation based on weld pool geometry parameters is still in the exploratory stage. The purpose of this paper is to research the relationship between the weld pool geometry parameters and the penetration during backing welding and to estimate penetration using the weld pool geometry parameters. A passive vision sensing test system for gas metal arc (GMA) backing welding was established. An image processing algorithm was developed to extract the weld pool geometry parameters, namely, the area, maximum width and length, half-length, length-width ratio and advancing contact angle (simplified as AWP, MWWP, MLWP, HLWP, LWR and ACA, respectively). The corresponding relationships between the weld pool geometry parameters and the penetration state were explored by analysing their changes with the welding current and speed. The distribution of the weld pool geometry parameters corresponding to penetration was determined. When the AWP of the weld pool is within a certain range and the values of LWR and ACA are close to their maximum and minimum respectively, the penetration is in good condition. A mathematical model with the weld pool geometry parameters as independent variables and the back-bead width (the indicator of the penetration state) as a dependent variable was established based on multivariable linear regression analysis, and relevant statistical tests were carried out. Multivariable linear regression equations for the weld pool geometry parameters and the back-bead width were deduced according to the variations in the current and speed, and the equations can be used to estimate the penetration of backing welding. The study provides a solution to penetration estimation of GMA backing welding based on automatic vision sensing.
2019, 32: 56.
doi: 10.1186/s10033-019-0370-6
Abstract:
The labyrinth seal in turbomachinery is a key element that restricts leakage flow among rotor-stator clearances from high-pressure regions to low-pressure regions. The fluid-induced forces on the rotor from seals during machine operation must be accurately quantified to predict their dynamic behavior effectively. To understand the fluid-induced force characteristics of the labyrinth seal more fully, the effects of four types of pre-swirls on the leakage, flow field, and fluid-induced force of a rotary straight-through labyrinth gas seal (RSTLGS) were numerically investigated using the proposed steady computational fluid dynamics (CFD) method based on the three-dimensional models of the RSTLGS. The leakage, flow field, and fluid-induced force of the RSTLGS for six axial pre-swirl velocities, four radial pre-swirl angles, four circumferential positive pre-swirl angles, and four circumferential negative pre-swirl angles were computed under the same geometrical parameters and operational conditions. Mesh analysis ensures the accuracy of the present steady CFD method. The numerical results show that the four types of pre-swirls influence the leakage, flow field, and fluid-induced force of the RSTLGS. The axial pre-swirl velocity remarkably inhibits the fluid-induced force, and the circumferential positive pre-swirl angle and circumferential negative pre-swirl angle remarkably promote the fluid-induced force. The effects of the radial pre-swirl angle on the fluid-induced force are complicated, and the pressure forces and viscous forces show the maximum or minimum values at a specific radial pre-swirl angle. The pre-swirl has a negligible impact on the leakage. The four types of pre-swirls affect the leakage, flow field, and fluid-induced force of the RSTLGS to varying degrees. The pre-swirl is the influence factor affecting the leakage, flow field, and fluid-induced force of the RSTLGS. The conclusions will help to understand the fluid-induced force of labyrinth seals more fully, by providing helpful suggestions for engineering practices and a theoretical basis to analyze the fluid-structure interaction of the seal-rotor system in future research.
The labyrinth seal in turbomachinery is a key element that restricts leakage flow among rotor-stator clearances from high-pressure regions to low-pressure regions. The fluid-induced forces on the rotor from seals during machine operation must be accurately quantified to predict their dynamic behavior effectively. To understand the fluid-induced force characteristics of the labyrinth seal more fully, the effects of four types of pre-swirls on the leakage, flow field, and fluid-induced force of a rotary straight-through labyrinth gas seal (RSTLGS) were numerically investigated using the proposed steady computational fluid dynamics (CFD) method based on the three-dimensional models of the RSTLGS. The leakage, flow field, and fluid-induced force of the RSTLGS for six axial pre-swirl velocities, four radial pre-swirl angles, four circumferential positive pre-swirl angles, and four circumferential negative pre-swirl angles were computed under the same geometrical parameters and operational conditions. Mesh analysis ensures the accuracy of the present steady CFD method. The numerical results show that the four types of pre-swirls influence the leakage, flow field, and fluid-induced force of the RSTLGS. The axial pre-swirl velocity remarkably inhibits the fluid-induced force, and the circumferential positive pre-swirl angle and circumferential negative pre-swirl angle remarkably promote the fluid-induced force. The effects of the radial pre-swirl angle on the fluid-induced force are complicated, and the pressure forces and viscous forces show the maximum or minimum values at a specific radial pre-swirl angle. The pre-swirl has a negligible impact on the leakage. The four types of pre-swirls affect the leakage, flow field, and fluid-induced force of the RSTLGS to varying degrees. The pre-swirl is the influence factor affecting the leakage, flow field, and fluid-induced force of the RSTLGS. The conclusions will help to understand the fluid-induced force of labyrinth seals more fully, by providing helpful suggestions for engineering practices and a theoretical basis to analyze the fluid-structure interaction of the seal-rotor system in future research.
2019, 32: 68.
doi: 10.1186/s10033-019-0384-0
Abstract:
Grinding burn monitoring is of great importance to guarantee the surface integrity of the workpiece. Existing methods monitor overall signal variation. However, the signals produced by metal burn are always weak. Therefore, the detection rate of grinding burn still needs to be improved. The paper presents a novel grinding burn detection method basing on acoustic emission (AE) signals. It is achieved by establishing the coherence relationship of pure metal burn and grinding burn signals. Firstly, laser and grinding experiments were carried out to produce pure metal burn signals and grinding burn signals. No-burn and burn surfaces were generated and AE signals were captured separately. Then, the cross wavelet transform (XWT) and wavelet coherence (WTC) were applied to reveal the coherence relationship of the pure metal burn signal and grinding burn signal. The methods can reduce unwanted AE sources and background noise. Novel parameters based on XWT and WTC are proposed to quantify the degree of coherence and monitor the grinding burn. The grinding burn signals were recognized successfully by the proposed indexes under same grinding condition.
Grinding burn monitoring is of great importance to guarantee the surface integrity of the workpiece. Existing methods monitor overall signal variation. However, the signals produced by metal burn are always weak. Therefore, the detection rate of grinding burn still needs to be improved. The paper presents a novel grinding burn detection method basing on acoustic emission (AE) signals. It is achieved by establishing the coherence relationship of pure metal burn and grinding burn signals. Firstly, laser and grinding experiments were carried out to produce pure metal burn signals and grinding burn signals. No-burn and burn surfaces were generated and AE signals were captured separately. Then, the cross wavelet transform (XWT) and wavelet coherence (WTC) were applied to reveal the coherence relationship of the pure metal burn signal and grinding burn signal. The methods can reduce unwanted AE sources and background noise. Novel parameters based on XWT and WTC are proposed to quantify the degree of coherence and monitor the grinding burn. The grinding burn signals were recognized successfully by the proposed indexes under same grinding condition.
2019, 32: 80.
doi: 10.1186/s10033-019-0393-z
Abstract:
The hydro-viscous drive (HVD) has been widely used in fan transmission in vehicles, fans, and scraper conveyors for step-less speed regulation or soft starting. In the mixed friction stage, the contact, friction, and torque characteristics of friction pairs are very complex and change at any time. The characteristics of the frictional and hydrodynamic lubrication states were studied in order to calculate and predict the friction and torque characteristics of the friction pairs in the mixed friction stage. The fuid torque was calculated by applying the average shear stress model and the load-carrying capacity of asperity was determined on the basis of the fractal contact theory. In addition, the contact friction coefcient of the friction pairs was taken into consideration and measured by using the MM1000-III friction and wear testing machine. The asperity friction torque and total torque in the mixed friction stage were obtained and fnally, the test rig for the torque characteristics was set up. The results show that the contribution to the total torque is shared by the oil flm and the asperity friction. The friction coefcient decreases sharply at frst and then increases with a change in the relative rotational speed, following the Stribeck curve closely, and the contact frictional coeffcient slowly decreases with increase in the pressure between the friction pairs. The torque between the friction pairs is provided by the asperity friction, and the torque due to the oil flm reduces to zero. When the thickness of the oil flm is small, a major contribution to the total torque is due to the asperity friction. The total torque also increases with the decrease in the flm thickness ratio. Therefore, by theoretical analysis and experimental verifcation, the torque of the friction pairs in the mixed friction stage can be accurately calculated using the average shear stress model and asperity friction torque model.
The hydro-viscous drive (HVD) has been widely used in fan transmission in vehicles, fans, and scraper conveyors for step-less speed regulation or soft starting. In the mixed friction stage, the contact, friction, and torque characteristics of friction pairs are very complex and change at any time. The characteristics of the frictional and hydrodynamic lubrication states were studied in order to calculate and predict the friction and torque characteristics of the friction pairs in the mixed friction stage. The fuid torque was calculated by applying the average shear stress model and the load-carrying capacity of asperity was determined on the basis of the fractal contact theory. In addition, the contact friction coefcient of the friction pairs was taken into consideration and measured by using the MM1000-III friction and wear testing machine. The asperity friction torque and total torque in the mixed friction stage were obtained and fnally, the test rig for the torque characteristics was set up. The results show that the contribution to the total torque is shared by the oil flm and the asperity friction. The friction coefcient decreases sharply at frst and then increases with a change in the relative rotational speed, following the Stribeck curve closely, and the contact frictional coeffcient slowly decreases with increase in the pressure between the friction pairs. The torque between the friction pairs is provided by the asperity friction, and the torque due to the oil flm reduces to zero. When the thickness of the oil flm is small, a major contribution to the total torque is due to the asperity friction. The total torque also increases with the decrease in the flm thickness ratio. Therefore, by theoretical analysis and experimental verifcation, the torque of the friction pairs in the mixed friction stage can be accurately calculated using the average shear stress model and asperity friction torque model.
2019, 32: 82.
doi: 10.1186/s10033-019-0395-x
Abstract:
The magnetic properties of the claw pole have a direct effect on the output power of a generator. Many methods can be used to measure these magnetic properties, each with its own advantages, but an important shortcoming is that all are destructive. In this study, a new non-destructive method to measure the magnetic properties of claw pole was proposed and a corresponding testing set-up was designed. A finite-element model was constructed to simulate the measurement process. Results proved that the measured magnetization-like curves had good agreement with the trend of the input magnetic curves and the effect of the positioning error in the measuring process could be neglected. To further validate the new method, seven types of claw poles of different materials subjected to different heat-treatment processes were forged and tested by both the new method and the conventional ring-sample method. Compared with the latter, the new method showed better consistency, relatively higher accuracy, and much stronger stability of measurement results; however, its sensitivity needs to be improved. The effects of material compositions and heat-treatment parameters on the magnetic properties of the claw pole were briefly analyzed.
The magnetic properties of the claw pole have a direct effect on the output power of a generator. Many methods can be used to measure these magnetic properties, each with its own advantages, but an important shortcoming is that all are destructive. In this study, a new non-destructive method to measure the magnetic properties of claw pole was proposed and a corresponding testing set-up was designed. A finite-element model was constructed to simulate the measurement process. Results proved that the measured magnetization-like curves had good agreement with the trend of the input magnetic curves and the effect of the positioning error in the measuring process could be neglected. To further validate the new method, seven types of claw poles of different materials subjected to different heat-treatment processes were forged and tested by both the new method and the conventional ring-sample method. Compared with the latter, the new method showed better consistency, relatively higher accuracy, and much stronger stability of measurement results; however, its sensitivity needs to be improved. The effects of material compositions and heat-treatment parameters on the magnetic properties of the claw pole were briefly analyzed.
2019, 32: 86.
doi: 10.1186/s10033-019-0400-4
Abstract:
Product innovation can be achieved by analyzing leading products patents in the market. Different methods have been proposed for design around patent, commonly using the elimination or replacement of a single patent element. However, the existing research fails to restore the position and function of the design around object in the original patent portfolio of enterprises, which often leads to the phenomenon of evading one patent and violating another. This paper proposes a method for design around patent through using the fusion of technologies of the evolution theory and bundle-type patent portfolio analysis in the initial stage of product development. The object system is analyzed to select technical opportunities through the evolutionary path of technologies and functional trimming methods to achieve circumvent barriers of bundle-type patents. The bundle patent portfolio is analyzed for the product evolution with a radar map. The technological evolution path is combined with the TRIZ innovation method to identify and solve the design problem. Patentability of the new design is evaluated using the patent system rules for innovative scheme difference from the original patent portfolio. The method is verified in a case study for the design of a glass-wiping robot. The design solution has been patented.
Product innovation can be achieved by analyzing leading products patents in the market. Different methods have been proposed for design around patent, commonly using the elimination or replacement of a single patent element. However, the existing research fails to restore the position and function of the design around object in the original patent portfolio of enterprises, which often leads to the phenomenon of evading one patent and violating another. This paper proposes a method for design around patent through using the fusion of technologies of the evolution theory and bundle-type patent portfolio analysis in the initial stage of product development. The object system is analyzed to select technical opportunities through the evolutionary path of technologies and functional trimming methods to achieve circumvent barriers of bundle-type patents. The bundle patent portfolio is analyzed for the product evolution with a radar map. The technological evolution path is combined with the TRIZ innovation method to identify and solve the design problem. Patentability of the new design is evaluated using the patent system rules for innovative scheme difference from the original patent portfolio. The method is verified in a case study for the design of a glass-wiping robot. The design solution has been patented.
2019, 32: 87.
doi: 10.1186/s10033-019-0398-7
Abstract:
Sharp corners usually are used on glass contours to meet the highly increasing demand for personalized products, but they result in a broken wheel center toolpath in edge grinding. To ensure that the whole wheel center toolpath is of G1 continuity and that the grinding depth is controllable at the corners, a transition toolpath generation method based on a velocity-blending algorithm is proposed. Taking the grinding depth into consideration, the sharp-corner grinding process is planned, and a velocity-blending algorithm is introduced. With the constraints, such as traverse displacement and grinding depth, the sharp-corner transition toolpath is generated with a three-phase motion arrangement and with confirmations of the acceleration/deceleration positions. A piece of glass with three sharp corners is ground on a three-axis numerical-control glass grinding equipment. The experimental results demonstrate that the proposed algorithm can protect the sharp corners from breakage efficiently and achieve satisfactory shape accuracy. This research proposed a toolpath generation method based on a velocity-blending algorithm for the manufacturing of personalized glass products, which generates the transition toolpath as needed around a sharp corner in real time.
Sharp corners usually are used on glass contours to meet the highly increasing demand for personalized products, but they result in a broken wheel center toolpath in edge grinding. To ensure that the whole wheel center toolpath is of G1 continuity and that the grinding depth is controllable at the corners, a transition toolpath generation method based on a velocity-blending algorithm is proposed. Taking the grinding depth into consideration, the sharp-corner grinding process is planned, and a velocity-blending algorithm is introduced. With the constraints, such as traverse displacement and grinding depth, the sharp-corner transition toolpath is generated with a three-phase motion arrangement and with confirmations of the acceleration/deceleration positions. A piece of glass with three sharp corners is ground on a three-axis numerical-control glass grinding equipment. The experimental results demonstrate that the proposed algorithm can protect the sharp corners from breakage efficiently and achieve satisfactory shape accuracy. This research proposed a toolpath generation method based on a velocity-blending algorithm for the manufacturing of personalized glass products, which generates the transition toolpath as needed around a sharp corner in real time.
2019, 32: 91.
doi: 10.1186/s10033-019-0407-x
Abstract:
Ball burnishing is a plastic deformation process used as a surface smoothing and surface improvement finishing treatment after turning or milling processes. This process changes the surface stereometrics of the previously machining surface. Burnishing with hydrostatic tools can be easily and effectively used on both conventional and Computer Numeric Control (CNC) machines. The existing research of the burnishing process mainly focuses on the functional surface characterization, for example, surface roughness, wear resistance, surface layer hardness, etc. There is a lack of references reporting a detailed analysis of 3D parameters calculation with a mathematical model to evaluate the results of the ball burnishing. This paper presents the effect of ball burnishing process parameters with hydrostatic tools on the resulting surface structure geometry. The surface topography parameters were calculated using the TalyMap software. Studies were conducted based on Hartley's static, determined plan. Such a plan can be built on a hypersphere or hypercube. In this work, a hypercube was used. In the case of Hartley's plan makes it possible to define the regression equation in the form of a polynomial of the second degree. The input process parameters considered in this study include the burnishing rate, applied pressure, and line-to-line pitch. The significant influence of these parameters was confirmed and described as a mathematical power model. The results also showed a positive effect of hydrostatic burnishing on the roughness and geometric structure of the surface.
Ball burnishing is a plastic deformation process used as a surface smoothing and surface improvement finishing treatment after turning or milling processes. This process changes the surface stereometrics of the previously machining surface. Burnishing with hydrostatic tools can be easily and effectively used on both conventional and Computer Numeric Control (CNC) machines. The existing research of the burnishing process mainly focuses on the functional surface characterization, for example, surface roughness, wear resistance, surface layer hardness, etc. There is a lack of references reporting a detailed analysis of 3D parameters calculation with a mathematical model to evaluate the results of the ball burnishing. This paper presents the effect of ball burnishing process parameters with hydrostatic tools on the resulting surface structure geometry. The surface topography parameters were calculated using the TalyMap software. Studies were conducted based on Hartley's static, determined plan. Such a plan can be built on a hypersphere or hypercube. In this work, a hypercube was used. In the case of Hartley's plan makes it possible to define the regression equation in the form of a polynomial of the second degree. The input process parameters considered in this study include the burnishing rate, applied pressure, and line-to-line pitch. The significant influence of these parameters was confirmed and described as a mathematical power model. The results also showed a positive effect of hydrostatic burnishing on the roughness and geometric structure of the surface.
2019, 32: 5.
doi: 10.1186/s10033-019-0315-0
Abstract:
The current investigations primarily focus on using advanced suspensions to overcome the tradeoff design of ride comfort and handling performance for mining vehicles. It is generally realized by adjusting spring stiffness or damping parameters through active control methods. However, some drawbacks regarding control complexity and uncertain reliability are inevitable for these advanced suspensions. Herein, a novel passive hydraulically interconnected suspension (HIS) system is proposed to achieve an improved ride-handling compromise of mining vehicles. A lumped-mass vehicle model involved with a mechanical-hydraulic coupled system is developed by applying the free-body diagram method. The transfer matrix method is used to derive the impedance of the hydraulic system, and the impedance is integrated to form the equation of motions for a mechanical-hydraulic coupled system. The modal analysis method is employed to obtain the free vibration transmissibilities and force vibration responses under different road excitations. A series of frequency characteristic analyses are presented to evaluate the isolation vibration performance between the mining vehicles with the proposed HIS and the conventional suspension. The analysis results prove that the proposed HIS system can effectively suppress the pitch motion of sprung mass to guarantee the handling performance, and favorably provide soft bounce stiffness to improve the ride comfort. The distribution of dynamic forces between the front and rear wheels is more reasonable, and the vibration decay rate of sprung mass is increased effectively. This research proposes a new suspension design method that can achieve the enhanced cooperative control of bounce and pitch motion modes to improve the ride comfort and handling performance of mining vehicles as an effective passive suspension system.
The current investigations primarily focus on using advanced suspensions to overcome the tradeoff design of ride comfort and handling performance for mining vehicles. It is generally realized by adjusting spring stiffness or damping parameters through active control methods. However, some drawbacks regarding control complexity and uncertain reliability are inevitable for these advanced suspensions. Herein, a novel passive hydraulically interconnected suspension (HIS) system is proposed to achieve an improved ride-handling compromise of mining vehicles. A lumped-mass vehicle model involved with a mechanical-hydraulic coupled system is developed by applying the free-body diagram method. The transfer matrix method is used to derive the impedance of the hydraulic system, and the impedance is integrated to form the equation of motions for a mechanical-hydraulic coupled system. The modal analysis method is employed to obtain the free vibration transmissibilities and force vibration responses under different road excitations. A series of frequency characteristic analyses are presented to evaluate the isolation vibration performance between the mining vehicles with the proposed HIS and the conventional suspension. The analysis results prove that the proposed HIS system can effectively suppress the pitch motion of sprung mass to guarantee the handling performance, and favorably provide soft bounce stiffness to improve the ride comfort. The distribution of dynamic forces between the front and rear wheels is more reasonable, and the vibration decay rate of sprung mass is increased effectively. This research proposes a new suspension design method that can achieve the enhanced cooperative control of bounce and pitch motion modes to improve the ride comfort and handling performance of mining vehicles as an effective passive suspension system.
2019, 32: 39.
doi: 10.1186/s10033-019-0352-8
Abstract:
The paper attempts to analyze full load characteristics of over 500 combustion engines. Using statistical tools, the author determined the value of the coefficient of flexibility. Engine flexibility is the capability of the engine to adapt to varying loads. Importantly, in the investigations, the author took into account the parameters calculated in the course of the investigations on a chassis dynamometer, i.e., actual, not taken from technical specifications of brand new vehicles. Different stages of operating wear allow a better characterization of the population. Subsequent utilization of the results in tractive calculations is more reliable. The engines were divided into in six groups, depending on the type of fuel system: fuel injected gasoline and turbocharged gasoline, spark ignition LPG, naturally aspirated diesel and turbocharged diesel. However, engines running on alternative fuels are characterized with a greater flexibility than the fuel injected base engines. Conformity of flexibility of fuel injected and LPG Ⅳ generation engines have been observed, which confirms the appropriateness of engine adaptation to alternative fueling. Gasoline engine supercharging allowed a reduction of the maximum engine speed of the maximum torque, which extends the range of analyzable speeds for flexibility and consequently, the flexibility as such.
The paper attempts to analyze full load characteristics of over 500 combustion engines. Using statistical tools, the author determined the value of the coefficient of flexibility. Engine flexibility is the capability of the engine to adapt to varying loads. Importantly, in the investigations, the author took into account the parameters calculated in the course of the investigations on a chassis dynamometer, i.e., actual, not taken from technical specifications of brand new vehicles. Different stages of operating wear allow a better characterization of the population. Subsequent utilization of the results in tractive calculations is more reliable. The engines were divided into in six groups, depending on the type of fuel system: fuel injected gasoline and turbocharged gasoline, spark ignition LPG, naturally aspirated diesel and turbocharged diesel. However, engines running on alternative fuels are characterized with a greater flexibility than the fuel injected base engines. Conformity of flexibility of fuel injected and LPG Ⅳ generation engines have been observed, which confirms the appropriateness of engine adaptation to alternative fueling. Gasoline engine supercharging allowed a reduction of the maximum engine speed of the maximum torque, which extends the range of analyzable speeds for flexibility and consequently, the flexibility as such.
2019, 32: 40.
doi: 10.1186/s10033-019-0353-7
Abstract:
Different wind models are being used for the operational safety evaluation of a high-speed train exposed to crosswinds. However, the methodology for simulating natural wind is of substantial importance in the wind-train system, and different simplified forms of natural wind result in different levels of accuracy. The purpose of the research in this paper is to investigate the effects of different wind models on the operational safety evaluation of high-speed trains. First, three wind models, namely, steady wind model, gust wind model, and turbulent wind model, are constructed. Following this, the algorithms for computing the aerodynamic loads using the wind models are described. A multi-body dynamic model of a vehicle is then set up using the commercial software "Simpack" for investigating the dynamic behavior of a railway vehicle exposed to wind loads. The rollover risks corresponding to each wind model are evaluated by applying the definition of characteristic wind curves (CWC). The results indicate that the CWC computed using the gust wind model is marginally higher than that computed using the turbulent wind model; the difference is less than 1%. With regard to the steady wind model, the assurance coefficient substantially affects the final CWC. A reasonable agreement of CWC between the steady wind model and turbulent wind model can be obtained by applying an "appropriate value" of the assurance coefficient. This study included a systematic analysis of the operational safety evaluation results using different wind models; the analysis can serve as a reference basis for different engineering accuracy requirements.
Different wind models are being used for the operational safety evaluation of a high-speed train exposed to crosswinds. However, the methodology for simulating natural wind is of substantial importance in the wind-train system, and different simplified forms of natural wind result in different levels of accuracy. The purpose of the research in this paper is to investigate the effects of different wind models on the operational safety evaluation of high-speed trains. First, three wind models, namely, steady wind model, gust wind model, and turbulent wind model, are constructed. Following this, the algorithms for computing the aerodynamic loads using the wind models are described. A multi-body dynamic model of a vehicle is then set up using the commercial software "Simpack" for investigating the dynamic behavior of a railway vehicle exposed to wind loads. The rollover risks corresponding to each wind model are evaluated by applying the definition of characteristic wind curves (CWC). The results indicate that the CWC computed using the gust wind model is marginally higher than that computed using the turbulent wind model; the difference is less than 1%. With regard to the steady wind model, the assurance coefficient substantially affects the final CWC. A reasonable agreement of CWC between the steady wind model and turbulent wind model can be obtained by applying an "appropriate value" of the assurance coefficient. This study included a systematic analysis of the operational safety evaluation results using different wind models; the analysis can serve as a reference basis for different engineering accuracy requirements.
2019, 32: 51.
doi: 10.1186/s10033-019-0365-3
Abstract:
The current method of estimating the fatigue life of railway structures is to calculating the equivalent stress amplitude based on the measured stress data. However, the random of the measured data is not considered. In this paper, a new method was established to compute the equivalent stress amplitude to evaluate the fatigue damage based on the measurable randomness, since the equivalent stress is the key parameter for assessment of structure fatigue life and load derivation. The equivalent stress amplitude of a high-speed train welded bogie frame was found to obey normal distribution under uniform operation route that verified by on-track dynamic stress data, and the proposed model is, in effect, an improved version of the mathematical model used to calculate the equivalent stress amplitude. The data of a long-term, on-track dynamic stress test program was analyzed to find that the normal distribution parameters of equivalent stress amplitude values differ across different operation route. Thus, the fatigue damage of the high-speed train welded bogie frame can be evaluated by the proposed method if the running schedule of the train is known a priori. The results also showed that the equivalent stress amplitude of the region connected to the power system is more random than in other regions of the bogie frame.
The current method of estimating the fatigue life of railway structures is to calculating the equivalent stress amplitude based on the measured stress data. However, the random of the measured data is not considered. In this paper, a new method was established to compute the equivalent stress amplitude to evaluate the fatigue damage based on the measurable randomness, since the equivalent stress is the key parameter for assessment of structure fatigue life and load derivation. The equivalent stress amplitude of a high-speed train welded bogie frame was found to obey normal distribution under uniform operation route that verified by on-track dynamic stress data, and the proposed model is, in effect, an improved version of the mathematical model used to calculate the equivalent stress amplitude. The data of a long-term, on-track dynamic stress test program was analyzed to find that the normal distribution parameters of equivalent stress amplitude values differ across different operation route. Thus, the fatigue damage of the high-speed train welded bogie frame can be evaluated by the proposed method if the running schedule of the train is known a priori. The results also showed that the equivalent stress amplitude of the region connected to the power system is more random than in other regions of the bogie frame.
2019, 32: 58.
doi: 10.1186/s10033-019-0372-4
Abstract:
The brake unit bracket of a bogie frame is an important load-carrying component, particularly under emergency start/stop conditions. Conventional infinite/safe life approaches provide an over-conservative recommendation for the allowable strength and lifetime, which hinders the lightweight design of modern railway vehicles. In this study, to ensure the reliability and durability of a brake unit bracket, an attempt was made to integrate the nominal stress method and an advanced damage tolerance method. First, a complex bogie frame was modelled using solid elements instead of plate and beam elements. A hot spot stress region on the bracket was found under an eight-stage load spectrum obtained from the Wuhan–Guangzhou high-speed railway line. Based on the probability of foreign damage, a semi-elliptical surface crack was then assumed for residual life assessment. The results obtained by the cumulative damage and damage tolerance methods show that the brake unit bracket can operate for over 30 years. Moreover, even if a 2-mm depth crack exists, the brake unit bracket can be safely operated for more than 2.27 years, with the hope that the crack can be detected in subsequent maintenance procedures. Finally, an appropriate safety margin was suggested which provides a basis for the life prediction and durability assessment of brake unit brackets of high-speed railways.
The brake unit bracket of a bogie frame is an important load-carrying component, particularly under emergency start/stop conditions. Conventional infinite/safe life approaches provide an over-conservative recommendation for the allowable strength and lifetime, which hinders the lightweight design of modern railway vehicles. In this study, to ensure the reliability and durability of a brake unit bracket, an attempt was made to integrate the nominal stress method and an advanced damage tolerance method. First, a complex bogie frame was modelled using solid elements instead of plate and beam elements. A hot spot stress region on the bracket was found under an eight-stage load spectrum obtained from the Wuhan–Guangzhou high-speed railway line. Based on the probability of foreign damage, a semi-elliptical surface crack was then assumed for residual life assessment. The results obtained by the cumulative damage and damage tolerance methods show that the brake unit bracket can operate for over 30 years. Moreover, even if a 2-mm depth crack exists, the brake unit bracket can be safely operated for more than 2.27 years, with the hope that the crack can be detected in subsequent maintenance procedures. Finally, an appropriate safety margin was suggested which provides a basis for the life prediction and durability assessment of brake unit brackets of high-speed railways.
2019, 32: 59.
doi: 10.1186/s10033-019-0375-1
Abstract:
Noise is one of the key issues in the operation of high-speed railways, with sound source localisation and its transfer path as the two major aspects. This study investigates both the exterior and interior sound source distribution of a high-speed train and presents a method for performing the contribution analysis of airborne sound with regard to the interior noise. First, both exterior and interior sound source locations of the high-speed train are identified through in-situ measurements. Second, the sound source contribution for different regions of the train and the relationships between the exterior and interior noises are analysed. Third, a method for conducting the contribution analysis of airborne sound with regard to the interior noise of the high-speed train is described. Lastly, a case study on the sidewall area is carried out, and the contribution of airborne sound to the interior noise of this area is obtained. The results show that, when the high-speed train runs at 310 km/h, dominant exterior sound sources are located in the bogie and pantograph regions, while main interior sound sources are located at the sidewall and roof. The interior noise, the bogie area noise and the sound source at the middle of the coach exhibit very similar rates of increase with increasing train speed. For the selected sidewall area, structure-borne sound dominates in most of the 1/3 octave bands.
Noise is one of the key issues in the operation of high-speed railways, with sound source localisation and its transfer path as the two major aspects. This study investigates both the exterior and interior sound source distribution of a high-speed train and presents a method for performing the contribution analysis of airborne sound with regard to the interior noise. First, both exterior and interior sound source locations of the high-speed train are identified through in-situ measurements. Second, the sound source contribution for different regions of the train and the relationships between the exterior and interior noises are analysed. Third, a method for conducting the contribution analysis of airborne sound with regard to the interior noise of the high-speed train is described. Lastly, a case study on the sidewall area is carried out, and the contribution of airborne sound to the interior noise of this area is obtained. The results show that, when the high-speed train runs at 310 km/h, dominant exterior sound sources are located in the bogie and pantograph regions, while main interior sound sources are located at the sidewall and roof. The interior noise, the bogie area noise and the sound source at the middle of the coach exhibit very similar rates of increase with increasing train speed. For the selected sidewall area, structure-borne sound dominates in most of the 1/3 octave bands.
2019, 32: 64.
doi: 10.1186/s10033-019-0376-0
Abstract:
Vehicle rollover, and its resulting fatalities, is an actively researched topic especially for multi-axle vehicles in the field of vehicle dynamics and control. This paper first presents a new rollover index for a triaxle bus to accurately evaluate its rollover possibility and then discusses the influence laws of the vehicle rollover dynamics to explore the mechanism of its stability. First, a six degree of freedom rollover model of the triaxle bus is developed, including lateral, yaw, roll motion of the sprung mass of the front/rear axle, and roll motion of the unsprung mass of the front/rear axle. Next, some key parameters of the vehicle rollover model are identified. A new rollover index is deduced according to the basics of vehicle dynamics, to predict vehicle rollover risk for the triaxle bus, which is verified by TruckSim. Furthermore, the influence laws of vehicle rollover dynamics by vehicle parameters and road parameters are discussed based on the simulation results. More importantly, the results show that the new method of modeling can precisely describe the rollover dynamics of the studied bus, and the proposed new index can effectively evaluate the rollover possibility. Therefore, this study provides a theoretical basis to improve anti-rollover ability for triaxle buses.
Vehicle rollover, and its resulting fatalities, is an actively researched topic especially for multi-axle vehicles in the field of vehicle dynamics and control. This paper first presents a new rollover index for a triaxle bus to accurately evaluate its rollover possibility and then discusses the influence laws of the vehicle rollover dynamics to explore the mechanism of its stability. First, a six degree of freedom rollover model of the triaxle bus is developed, including lateral, yaw, roll motion of the sprung mass of the front/rear axle, and roll motion of the unsprung mass of the front/rear axle. Next, some key parameters of the vehicle rollover model are identified. A new rollover index is deduced according to the basics of vehicle dynamics, to predict vehicle rollover risk for the triaxle bus, which is verified by TruckSim. Furthermore, the influence laws of vehicle rollover dynamics by vehicle parameters and road parameters are discussed based on the simulation results. More importantly, the results show that the new method of modeling can precisely describe the rollover dynamics of the studied bus, and the proposed new index can effectively evaluate the rollover possibility. Therefore, this study provides a theoretical basis to improve anti-rollover ability for triaxle buses.
2019, 32: 67.
doi: 10.1186/s10033-019-0383-1
Abstract:
Resilient wheels are extensively used in urban rail transit, especially for tramway systems, owing to its advantages in noise reduction. A new type of resilient wheel for a metro is designed, and its characteristics of vibration and sound radiation, including the rolling noise of a resilient single wheel coupled with a track, are studied in this paper. A two-step research is presented. Firstly, laboratory experiments were conducted to obtain the vibration response of the designed resilient wheel under the radial excitation on its tread. Secondly, the rolling noise model of the resilient wheel coupled with a slab track used in a metro line is developed. The wheel model is based on the 3D finite element and boundary element methods and verified by using the experimental results obtained from the laboratory. The track vibration model is based on the wavenumber finite element method, and the track sound radiation is calculated by using an efficient frequency-domain Rayleigh method. The interaction of the resilient wheel and the slab track is analyzed considering the measured wheel/rail roughness of the metro. The contribution of the resilient wheel to the reduction of wheel/rail system noise is analyzed. The results show that the resilient wheel can effectively reduce the wheel/rail rolling noise by approximately 2 dB(A) to 3 dB(A), mainly because the radiated noise by the rail is reduced. In addition, the elastic modulus of the rubber has an important influence on the noise reduction of resilient wheels.
Resilient wheels are extensively used in urban rail transit, especially for tramway systems, owing to its advantages in noise reduction. A new type of resilient wheel for a metro is designed, and its characteristics of vibration and sound radiation, including the rolling noise of a resilient single wheel coupled with a track, are studied in this paper. A two-step research is presented. Firstly, laboratory experiments were conducted to obtain the vibration response of the designed resilient wheel under the radial excitation on its tread. Secondly, the rolling noise model of the resilient wheel coupled with a slab track used in a metro line is developed. The wheel model is based on the 3D finite element and boundary element methods and verified by using the experimental results obtained from the laboratory. The track vibration model is based on the wavenumber finite element method, and the track sound radiation is calculated by using an efficient frequency-domain Rayleigh method. The interaction of the resilient wheel and the slab track is analyzed considering the measured wheel/rail roughness of the metro. The contribution of the resilient wheel to the reduction of wheel/rail system noise is analyzed. The results show that the resilient wheel can effectively reduce the wheel/rail rolling noise by approximately 2 dB(A) to 3 dB(A), mainly because the radiated noise by the rail is reduced. In addition, the elastic modulus of the rubber has an important influence on the noise reduction of resilient wheels.
2019, 32: 83.
doi: 10.1186/s10033-019-0396-9
Abstract:
As energy crisis and environment pollution all around the world threaten the widespread use of fossil fuels, compressed natural gas (CNG) vehicles are explored as an alternative to the conventional gasoline powered vehicles. Because of the limited space available for the car, the composite pressure vessel (Type Ⅱ) has been applied to the CNG vehicles to reach large capacity and weight lightening vehicles. High pressure vessel (Type Ⅱ) is composed of a composite layer and a metal liner. The metal liner is formed by the deep drawing and ironing (D.D.I.) process, which is a complex process of deep drawing and ironing. The cylinder part is reinforced by composite layer wrapped through the filament winding process and is bonded to the liner by the curing process. In this study, an integrated design method was presented by establishing the techniques for FE analysis of entire processes (D.D.I., filament winding and curing processes) to manufacture the CNG composite pressure vessel (Type Ⅱ). Dimensions of the dies and the punches of the 1st (cup drawing), 2nd (redrawing-ironing 1-ironing 2) and 3rd (redrawing-ironing) stages were calculated theoretically, and shape of tractrix die to be satisfied with the minimum forming load was suggested for life improvement and manufacturing costs in the D.D.I. process. Thickness of the composite material was determined in the filament winding process, finally, conditions of the curing process (number of heating stage, curing temperature, heating rate and time) were proposed to reinforce adhesive strength between the composite layers.
As energy crisis and environment pollution all around the world threaten the widespread use of fossil fuels, compressed natural gas (CNG) vehicles are explored as an alternative to the conventional gasoline powered vehicles. Because of the limited space available for the car, the composite pressure vessel (Type Ⅱ) has been applied to the CNG vehicles to reach large capacity and weight lightening vehicles. High pressure vessel (Type Ⅱ) is composed of a composite layer and a metal liner. The metal liner is formed by the deep drawing and ironing (D.D.I.) process, which is a complex process of deep drawing and ironing. The cylinder part is reinforced by composite layer wrapped through the filament winding process and is bonded to the liner by the curing process. In this study, an integrated design method was presented by establishing the techniques for FE analysis of entire processes (D.D.I., filament winding and curing processes) to manufacture the CNG composite pressure vessel (Type Ⅱ). Dimensions of the dies and the punches of the 1st (cup drawing), 2nd (redrawing-ironing 1-ironing 2) and 3rd (redrawing-ironing) stages were calculated theoretically, and shape of tractrix die to be satisfied with the minimum forming load was suggested for life improvement and manufacturing costs in the D.D.I. process. Thickness of the composite material was determined in the filament winding process, finally, conditions of the curing process (number of heating stage, curing temperature, heating rate and time) were proposed to reinforce adhesive strength between the composite layers.
2019, 32: 85.
doi: 10.1186/s10033-019-0402-2
Abstract:
The numerical simulation based on Reynolds time-averaged equation is one of the approved methods to evaluate the aerodynamic performance of trains in crosswind. However, there are several turbulence models, trains may present different aerodynamic performances in crosswind using different turbulence models. In order to select the most suitable turbulence model, the inter-city express 2 (ICE2) model is chosen as a research object, 6 different turbulence models are used to simulate the flow characteristics, surface pressure and aerodynamic forces of the train in crosswind, respectively. 6 turbulence models are the standard k-ε, Renormalization Group (RNG) k-ε, Realizable k-ε, Shear Stress Transport (SST) k-ω, standard k-ω and Spalart–Allmaras (SPA), respectively. The numerical results and the wind tunnel experimental data are compared. The results show that the most accurate model for predicting the surface pressure of the train is SST k-ω, followed by Realizable k-ε. Compared with the experimental result, the error of the side force coefficient obtained by SST k-ω and Realizable k-ε turbulence model is less than 1 %. The most accurate prediction for the lift force coefficient is achieved by SST k-ω, followed by RNG k-ε. By comparing 6 different turbulence models, the SST k-ω model is most suitable for the numerical simulation of the aerodynamic behavior of trains in crosswind.
The numerical simulation based on Reynolds time-averaged equation is one of the approved methods to evaluate the aerodynamic performance of trains in crosswind. However, there are several turbulence models, trains may present different aerodynamic performances in crosswind using different turbulence models. In order to select the most suitable turbulence model, the inter-city express 2 (ICE2) model is chosen as a research object, 6 different turbulence models are used to simulate the flow characteristics, surface pressure and aerodynamic forces of the train in crosswind, respectively. 6 turbulence models are the standard k-ε, Renormalization Group (RNG) k-ε, Realizable k-ε, Shear Stress Transport (SST) k-ω, standard k-ω and Spalart–Allmaras (SPA), respectively. The numerical results and the wind tunnel experimental data are compared. The results show that the most accurate model for predicting the surface pressure of the train is SST k-ω, followed by Realizable k-ε. Compared with the experimental result, the error of the side force coefficient obtained by SST k-ω and Realizable k-ε turbulence model is less than 1 %. The most accurate prediction for the lift force coefficient is achieved by SST k-ω, followed by RNG k-ε. By comparing 6 different turbulence models, the SST k-ω model is most suitable for the numerical simulation of the aerodynamic behavior of trains in crosswind.
2019, 32: 88.
doi: 10.1186/s10033-019-0399-6
Abstract:
The safety of trains, a highly efficient mode of transportation, has attracted significant attention. In the vehicle structure design of a train, the evaluation of the passenger evacuation time is necessary. The establishment of a simulation model is the fastest, most convenient, and practical way to achieve this goal. However, few scholars have focused on the reliability of a passenger train evacuation simulation model. This paper proposes a new validation method based on dynamic time warping and multidimensional scaling. The proposed method validates the dynamic process of a simulation model, provides statistical results, and can be used for small-sample scenarios such as a train evacuation scenario. The results of a case study indicate that the proposed method is an effective and quantitative approach to the validation of simulation models in a dynamic process. Thus, this paper describes the influence of the train structure size on an evacuation based on the results of simulation experiments. The structural size factors include the door width, aisle width, and seat pitch. The experiment results indicate that a wide aisle and reasonable seat pitch can promote a proper evacuation. In addition, a normal train door width has no effect on an evacuation.
The safety of trains, a highly efficient mode of transportation, has attracted significant attention. In the vehicle structure design of a train, the evaluation of the passenger evacuation time is necessary. The establishment of a simulation model is the fastest, most convenient, and practical way to achieve this goal. However, few scholars have focused on the reliability of a passenger train evacuation simulation model. This paper proposes a new validation method based on dynamic time warping and multidimensional scaling. The proposed method validates the dynamic process of a simulation model, provides statistical results, and can be used for small-sample scenarios such as a train evacuation scenario. The results of a case study indicate that the proposed method is an effective and quantitative approach to the validation of simulation models in a dynamic process. Thus, this paper describes the influence of the train structure size on an evacuation based on the results of simulation experiments. The structural size factors include the door width, aisle width, and seat pitch. The experiment results indicate that a wide aisle and reasonable seat pitch can promote a proper evacuation. In addition, a normal train door width has no effect on an evacuation.
2019, 32: 95.
doi: 10.1186/s10033-019-0417-8
Abstract:
The paper presents a method of calculating the full load engine characteristics based on the Leiderman-Khlystov relation. Because the values of the coefficients of the discussed function available in literature were determined for obsolete engine designs, an attempt was made to update them. To this end, a chassis dynamometer was used where a database of results had been built for a variety of vehicles. Following the data collection, the coefficients for variety of fueling system (six groups: fuel injected gasoline and turbocharged gasoline, spark ignition LPG Ⅰ-Ⅱ and Ⅳ generation, naturally aspirated diesel and turbocharged diesel) were determined. The identification of the coefficients was carried out in Matlab-Simulink indicating the applicability of the said function for most of the engines, yet the recent popularity of turbocharged gasoline engines requires an additional analysis of the possibility of use of a different functional description. The full load engine characteristics is a basis for the vehicle performance characteristics and, further, for modeling of traffic in a variety of aspects of the vehicle operation.
The paper presents a method of calculating the full load engine characteristics based on the Leiderman-Khlystov relation. Because the values of the coefficients of the discussed function available in literature were determined for obsolete engine designs, an attempt was made to update them. To this end, a chassis dynamometer was used where a database of results had been built for a variety of vehicles. Following the data collection, the coefficients for variety of fueling system (six groups: fuel injected gasoline and turbocharged gasoline, spark ignition LPG Ⅰ-Ⅱ and Ⅳ generation, naturally aspirated diesel and turbocharged diesel) were determined. The identification of the coefficients was carried out in Matlab-Simulink indicating the applicability of the said function for most of the engines, yet the recent popularity of turbocharged gasoline engines requires an additional analysis of the possibility of use of a different functional description. The full load engine characteristics is a basis for the vehicle performance characteristics and, further, for modeling of traffic in a variety of aspects of the vehicle operation.
2019, 32: 8.
doi: 10.1186/s10033-019-0321-2
Abstract:
The previous research regarding the gait planning of quadruped robot focuses on the sequence for lifting off and placing the feet, but neglects the influence of body height. However, body height affects gait performance significantly, such as in terms of the stride length and stability margin. We herein study the performance of a quadruped robot using the equivalent mechanism concept based on metamorphosis. Assuming the constraints between standing feet and the ground with hinges, the ground, standing legs and robot body are considered as a parallel mechanism, and each swing leg is regarded as a typical serial manipulator. The equivalent mechanism varies while the robot moves on the ground. One gait cycle is divided into several periods, including step forward stages and switching stages. There exists a specific equivalent mechanism corresponding to each gait period. The robotos locomotion can be regarded as the motion of these series of equivalent mechanisms. The kinematics model and simplified model of the equivalent mechanism is established. A new definition of the multilegged robot stability margin, based on friction coefficient, is presented to evaluate the robot stability. The stable workspaces of the equivalent mechanism in the step forward stage of trotting gait under different friction coefficients are analyzed. The stride length of the robots is presented by analyzing the relationship between the stable workspaces of the equivalent mechanisms of two adjacent step forward stages in one gait cycle. The simulation results show that the stride length is larger with increasing friction coefficient. We herein propose a new method based on metamorphosis, and an equivalent mechanism to analyze the stability margin and stable workspace of the multilegged robot.
The previous research regarding the gait planning of quadruped robot focuses on the sequence for lifting off and placing the feet, but neglects the influence of body height. However, body height affects gait performance significantly, such as in terms of the stride length and stability margin. We herein study the performance of a quadruped robot using the equivalent mechanism concept based on metamorphosis. Assuming the constraints between standing feet and the ground with hinges, the ground, standing legs and robot body are considered as a parallel mechanism, and each swing leg is regarded as a typical serial manipulator. The equivalent mechanism varies while the robot moves on the ground. One gait cycle is divided into several periods, including step forward stages and switching stages. There exists a specific equivalent mechanism corresponding to each gait period. The robotos locomotion can be regarded as the motion of these series of equivalent mechanisms. The kinematics model and simplified model of the equivalent mechanism is established. A new definition of the multilegged robot stability margin, based on friction coefficient, is presented to evaluate the robot stability. The stable workspaces of the equivalent mechanism in the step forward stage of trotting gait under different friction coefficients are analyzed. The stride length of the robots is presented by analyzing the relationship between the stable workspaces of the equivalent mechanisms of two adjacent step forward stages in one gait cycle. The simulation results show that the stride length is larger with increasing friction coefficient. We herein propose a new method based on metamorphosis, and an equivalent mechanism to analyze the stability margin and stable workspace of the multilegged robot.
2019, 32: 9.
doi: 10.1186/s10033-019-0324-z
Abstract:
Considerable studies have been carried out on fault diagnosis of gears, with most of them concentrated on conventional vibration analysis. However, besides the complexity of gear dynamics, the diagnosis results in terms of vibration signal are easily misjudged owing to the interference of sensor position or other components. In this paper, an alternative gearbox fault detection method based on the instantaneous rotational speed is proposed because of its advantages over vibration analysis. Depending on the timer/counter-based method for the pulse signal of the optical encoder, the varying rotational speed can be obtained effectively. Owing to the coupling and meshing of gears in transmission, the excitations are the same for the instantaneous rotational speed of the input and output shafts. Thus, the differential signal of instantaneous rotational speeds can be adopted to eliminate the effect of the interference excitations and extract the associated feature of the localized fault effectively. With the experiments on multistage gearbox test system, the differential signal of instantaneous speeds is compared with other signals. It is proved that localized faults in the gearbox generate small angular speed fluctuations, which are measurable with an optical encoder. Using the differential signal of instantaneous speeds, the fault characteristics are extracted in the spectrum where the deterministic frequency component and its harmonics corresponding to crack fault characteristics are displayed clearly.
Considerable studies have been carried out on fault diagnosis of gears, with most of them concentrated on conventional vibration analysis. However, besides the complexity of gear dynamics, the diagnosis results in terms of vibration signal are easily misjudged owing to the interference of sensor position or other components. In this paper, an alternative gearbox fault detection method based on the instantaneous rotational speed is proposed because of its advantages over vibration analysis. Depending on the timer/counter-based method for the pulse signal of the optical encoder, the varying rotational speed can be obtained effectively. Owing to the coupling and meshing of gears in transmission, the excitations are the same for the instantaneous rotational speed of the input and output shafts. Thus, the differential signal of instantaneous rotational speeds can be adopted to eliminate the effect of the interference excitations and extract the associated feature of the localized fault effectively. With the experiments on multistage gearbox test system, the differential signal of instantaneous speeds is compared with other signals. It is proved that localized faults in the gearbox generate small angular speed fluctuations, which are measurable with an optical encoder. Using the differential signal of instantaneous speeds, the fault characteristics are extracted in the spectrum where the deterministic frequency component and its harmonics corresponding to crack fault characteristics are displayed clearly.
2019, 32: 13.
doi: 10.1186/s10033-019-0332-z
Abstract:
A flexure hinge is a major component in designing compliant mechanisms that offers unique possibilities in a wide range of application fields in which high positioning accuracy is required. Although various flexure hinges with different configurations have been successively proposed, they are often designed based on designers' experiences and inspirations. This study presents a systematic method for topological optimization of flexure hinges by using the level set method. Optimization formulations are developed by considering the functional requirements and geometrical constraints of flexure hinges. The functional requirements are first constructed by maximizing the compliance in the desired direction while minimizing the compliances in the other directions. The weighting sum method is used to construct an objective function in which a self-adjust method is used to set the weighting factors. A constraint on the symmetry of the obtained configuration is developed. Several numerical examples are presented to demonstrate the validity of the proposed method. The obtained results reveal that the design of a flexure hinge starting from the topology level can yield more choices for compliant mechanism design and obtain better designs that achieve higher performance.
A flexure hinge is a major component in designing compliant mechanisms that offers unique possibilities in a wide range of application fields in which high positioning accuracy is required. Although various flexure hinges with different configurations have been successively proposed, they are often designed based on designers' experiences and inspirations. This study presents a systematic method for topological optimization of flexure hinges by using the level set method. Optimization formulations are developed by considering the functional requirements and geometrical constraints of flexure hinges. The functional requirements are first constructed by maximizing the compliance in the desired direction while minimizing the compliances in the other directions. The weighting sum method is used to construct an objective function in which a self-adjust method is used to set the weighting factors. A constraint on the symmetry of the obtained configuration is developed. Several numerical examples are presented to demonstrate the validity of the proposed method. The obtained results reveal that the design of a flexure hinge starting from the topology level can yield more choices for compliant mechanism design and obtain better designs that achieve higher performance.
2019, 32: 61.
doi: 10.1186/s10033-019-0373-3
Abstract:
When the mobile robot performs certain motion tasks in complex environment, wheel slipping inevitably occurs due to the wet or icy road and other reasons, thus directly influences the motion control accuracy. To address unknown wheel longitudinal slipping problem for mobile robot, a RBF neural network approach based on whole model approximation is presented. The real-time data acquisition of inertial measure unit (IMU), encoders and other sensors is employed to get the mobile robotos position and orientation in the movement, which is applied to compensate the unknown bounds of the longitudinal slipping using the adaptive technique. Both the simulation and experimental results prove that the control scheme possesses good practical performance and realize the motion control with unknown longitudinal slipping.
When the mobile robot performs certain motion tasks in complex environment, wheel slipping inevitably occurs due to the wet or icy road and other reasons, thus directly influences the motion control accuracy. To address unknown wheel longitudinal slipping problem for mobile robot, a RBF neural network approach based on whole model approximation is presented. The real-time data acquisition of inertial measure unit (IMU), encoders and other sensors is employed to get the mobile robotos position and orientation in the movement, which is applied to compensate the unknown bounds of the longitudinal slipping using the adaptive technique. Both the simulation and experimental results prove that the control scheme possesses good practical performance and realize the motion control with unknown longitudinal slipping.
2019, 32: 63.
doi: 10.1186/s10033-019-0378-y
Abstract:
Non-contact actuated microbeads have attracted a lot of attention in recent years because of its enormous potential in medical, biological, and industrial applications. Researchers have proposed a multitude of electromagnetic actuation (EMA) systems consisting of a variety of coil pairs. However, a unified method to design and optimize a coil pair according to technical specifications still does not exist. Initially, this paper presented the modeling of an untethered ferromagnetic particle actuated by externally applied magnetic field. Based on the models, a simple method of designing and optimizing the EMA coil pair according to technical specifications, was proposed. A loop-shaped coil pair generating uniform magnetic and gradient fields was chosen to demonstrate this method clearly and practically. The results of the optimization showed that the best distance to radius ratio of a loop-shaped coil pair is 1.02 for a uniform magnetic field and 1.75 for a uniform gradient field. The applicability of the method to other shapes of coil configuration was also illustrated. The best width to distance ratio for a square-shaped coil pair is 0.558 and 0.958 for uniform magnetic and gradient fields, respectively. The best height to width ratio and distance to width ratio for a rectangle-shaped coil pair is h/w = [0.9, 1.1], d/w = [0.5, 0.6] for uniform magnetic field and h/w = [1.0, 1.2], d/w = [0.9, 1.1] for uniform gradient field. Furthermore, simulations of a microparticle tracking the targeted trajectory were conducted to analyze the performance of the newly designed coils. The simulations suggested the ability of manipulating microparticles via the coils designed by our proposed method. The research mainly proposed a unified design and optimization method for a coil pair, which can support researchers while designing a specific coil pair according to the technical requirements. This study is aimed at researchers who are interested in EMA system and microrobots.
Non-contact actuated microbeads have attracted a lot of attention in recent years because of its enormous potential in medical, biological, and industrial applications. Researchers have proposed a multitude of electromagnetic actuation (EMA) systems consisting of a variety of coil pairs. However, a unified method to design and optimize a coil pair according to technical specifications still does not exist. Initially, this paper presented the modeling of an untethered ferromagnetic particle actuated by externally applied magnetic field. Based on the models, a simple method of designing and optimizing the EMA coil pair according to technical specifications, was proposed. A loop-shaped coil pair generating uniform magnetic and gradient fields was chosen to demonstrate this method clearly and practically. The results of the optimization showed that the best distance to radius ratio of a loop-shaped coil pair is 1.02 for a uniform magnetic field and 1.75 for a uniform gradient field. The applicability of the method to other shapes of coil configuration was also illustrated. The best width to distance ratio for a square-shaped coil pair is 0.558 and 0.958 for uniform magnetic and gradient fields, respectively. The best height to width ratio and distance to width ratio for a rectangle-shaped coil pair is h/w = [0.9, 1.1], d/w = [0.5, 0.6] for uniform magnetic field and h/w = [1.0, 1.2], d/w = [0.9, 1.1] for uniform gradient field. Furthermore, simulations of a microparticle tracking the targeted trajectory were conducted to analyze the performance of the newly designed coils. The simulations suggested the ability of manipulating microparticles via the coils designed by our proposed method. The research mainly proposed a unified design and optimization method for a coil pair, which can support researchers while designing a specific coil pair according to the technical requirements. This study is aimed at researchers who are interested in EMA system and microrobots.
2019, 32: 66.
doi: 10.1186/s10033-019-0380-4
Abstract:
Current studies of a seawater axial piston pump mainly solve the problems of corrosion and wear in a slipper pair by selecting materials with corrosion resistance, self-lubrication, and wear resistance. In addition, an appropriate biomimetic non-smooth surface design for the slipper pair can further improve the tribological behavior. In this paper, 316L stainless steel and CF/PEEK were selected to process the upper and bottom specimens, and the biomimetic non-smooth surface was introduced into the interface between the friction pair. The friction and wear tests were performed on a MMD-5A tester at a rotation speed of 1000 r/min and load of 200 N under seawater lubricated condition. The results indicate that the main friction form of the smooth surface friction pair corresponds to abrasive wear and adhesive wear and that it exhibits a friction coefficient of 0.05-0.07, a specimen temperature of 56 ℃, a high wear rate, and surface roughness. Pits on the non-smooth surface friction pairs produced hydrodynamic lubrication and reduced abrasive wear, and thus the plowing effect is their main friction form. The non-smooth surface friction pairs exhibit a friction coefficient of 0.03-0.04, a specimen temperature of 48 ℃, a low wear rate, and surface roughness. The study has important theoretical significance for enriching the lubrication, friction, and wear theory of a seawater axial piston pump, and economic significance and military significance for promoting the marine development and the national defense military.
Current studies of a seawater axial piston pump mainly solve the problems of corrosion and wear in a slipper pair by selecting materials with corrosion resistance, self-lubrication, and wear resistance. In addition, an appropriate biomimetic non-smooth surface design for the slipper pair can further improve the tribological behavior. In this paper, 316L stainless steel and CF/PEEK were selected to process the upper and bottom specimens, and the biomimetic non-smooth surface was introduced into the interface between the friction pair. The friction and wear tests were performed on a MMD-5A tester at a rotation speed of 1000 r/min and load of 200 N under seawater lubricated condition. The results indicate that the main friction form of the smooth surface friction pair corresponds to abrasive wear and adhesive wear and that it exhibits a friction coefficient of 0.05-0.07, a specimen temperature of 56 ℃, a high wear rate, and surface roughness. Pits on the non-smooth surface friction pairs produced hydrodynamic lubrication and reduced abrasive wear, and thus the plowing effect is their main friction form. The non-smooth surface friction pairs exhibit a friction coefficient of 0.03-0.04, a specimen temperature of 48 ℃, a low wear rate, and surface roughness. The study has important theoretical significance for enriching the lubrication, friction, and wear theory of a seawater axial piston pump, and economic significance and military significance for promoting the marine development and the national defense military.
2019, 32: 73.
doi: 10.1186/s10033-019-0382-2
Abstract:
Traditional simulation methods are unable to meet the requirements of lunar takeoff simulations, such as high force output precision, low cost, and repeated use. Considering that cable-driven parallel mechanisms have the advantages of high payload to weight ratio, potentially large workspace, and high-speed motion, these mechanisms have the potential to be used for lunar takeoff simulations. Thus, this paper presents a parallel mechanism driven by nine cables. The purpose of this study is to optimize the dimensions of the cable-driven parallel mechanism to meet dynamic workspace requirements under cable tension constraints. The dynamic workspace requirements are derived from the kinematical function requests of the lunar takeoff simulation equipment. Experimental design and response surface methods are adopted for building the surrogate mathematical model linking the optimal variables and the optimization indices. A set of dimensional parameters are determined by analyzing the surrogate mathematical model. The volume of the dynamic workspace increased by 46% after optimization. Besides, a force control method is proposed for calculating output vector and sinusoidal forces. A force control loop is introduced into the traditional position control loop to adjust the cable force precisely, while controlling the cable length. The effectiveness of the proposed control method is verified through experiments. A 5% vector output accuracy and 12 Hz undulation force output can be realized. This paper proposes a cable-driven parallel mechanism which can be used for lunar takeoff simulation.
Traditional simulation methods are unable to meet the requirements of lunar takeoff simulations, such as high force output precision, low cost, and repeated use. Considering that cable-driven parallel mechanisms have the advantages of high payload to weight ratio, potentially large workspace, and high-speed motion, these mechanisms have the potential to be used for lunar takeoff simulations. Thus, this paper presents a parallel mechanism driven by nine cables. The purpose of this study is to optimize the dimensions of the cable-driven parallel mechanism to meet dynamic workspace requirements under cable tension constraints. The dynamic workspace requirements are derived from the kinematical function requests of the lunar takeoff simulation equipment. Experimental design and response surface methods are adopted for building the surrogate mathematical model linking the optimal variables and the optimization indices. A set of dimensional parameters are determined by analyzing the surrogate mathematical model. The volume of the dynamic workspace increased by 46% after optimization. Besides, a force control method is proposed for calculating output vector and sinusoidal forces. A force control loop is introduced into the traditional position control loop to adjust the cable force precisely, while controlling the cable length. The effectiveness of the proposed control method is verified through experiments. A 5% vector output accuracy and 12 Hz undulation force output can be realized. This paper proposes a cable-driven parallel mechanism which can be used for lunar takeoff simulation.
2019, 32: 98.
doi: 10.1186/s10033-019-0412-0
Abstract:
The cutterhead of a full-face rock tunnel boring machine (TBM) is constantly subjected to varying impact and dynamic loads during tunneling processes, resulting in relatively large vibrations that could easily lead to fatigue cracking of the entire machine and affect the tunneling performance and efficiency. To explore the dynamic characteristics of the TBM mainframe, a TBM from a water-diversion project is investigated in this research. According to the TBM vibration transmission route, an equivalent dynamic model of the TBM mainframe is established using the lumped-mass method in which the relevant dynamic parameters are solved. Additionally, the dynamic response characteristics of the TBM mainframe are analyzed. The results indicate that the vibration levels in three directions are approximately the same, the multi-directional vibration of the cutterhead is more intense than that of other components, and the vibration and external excitation exhibit identical change trends. A set of vibration field tests is performed to analyze the in situ dynamic responses of the mainframe and verify the correctness of the dynamic model. The theoretical and measured acceleration values of the TBM mainframe have the same magnitude, which proves the validity of the dynamic model and its solution. The aforementioned results provide an important theoretical value and practical significance for the design and assessment of the TBM mainframe.
The cutterhead of a full-face rock tunnel boring machine (TBM) is constantly subjected to varying impact and dynamic loads during tunneling processes, resulting in relatively large vibrations that could easily lead to fatigue cracking of the entire machine and affect the tunneling performance and efficiency. To explore the dynamic characteristics of the TBM mainframe, a TBM from a water-diversion project is investigated in this research. According to the TBM vibration transmission route, an equivalent dynamic model of the TBM mainframe is established using the lumped-mass method in which the relevant dynamic parameters are solved. Additionally, the dynamic response characteristics of the TBM mainframe are analyzed. The results indicate that the vibration levels in three directions are approximately the same, the multi-directional vibration of the cutterhead is more intense than that of other components, and the vibration and external excitation exhibit identical change trends. A set of vibration field tests is performed to analyze the in situ dynamic responses of the mainframe and verify the correctness of the dynamic model. The theoretical and measured acceleration values of the TBM mainframe have the same magnitude, which proves the validity of the dynamic model and its solution. The aforementioned results provide an important theoretical value and practical significance for the design and assessment of the TBM mainframe.
2019, 32: 101.
doi: 10.1186/s10033-019-0414-y
Abstract:
Full-face hard rock tunnel boring machines (TBM) are essential equipment in highway and railway tunnel engineering construction. During the tunneling process, TBM have serious vibrations, which can damage some of its key components. The support system, an important part of TBM, is one path through which vibrational energy from the cutter head is transmitted. To reduce the vibration of support systems of TBM during the excavation process, based on the structural features of the support hydraulic system, a nonlinear dynamical model of support hydraulic systems of TBM is established. The influences of the component structure parameters and operating conditions parameters on the stiffness characteristics of the support hydraulic system are analyzed. The analysis results indicate that the static stiffness of the support hydraulic system consists of an increase stage, stable stage and decrease stage. The static stiffness value increases with an increase in the clearances. The pre-compression length of the spring in the relief valve affects the range of the stable stage of the static stiffness, and it does not affect the static stiffness value. The dynamic stiffness of the support hydraulic system consists of a U-shape and reverse U-shape. The bottom value of the U-shape increases with the amplitude and frequency of the external force acting on the cylinder body, however, the top value of the reverse U-shape remains constant. This study instructs how to design the support hydraulic system of TBM.
Full-face hard rock tunnel boring machines (TBM) are essential equipment in highway and railway tunnel engineering construction. During the tunneling process, TBM have serious vibrations, which can damage some of its key components. The support system, an important part of TBM, is one path through which vibrational energy from the cutter head is transmitted. To reduce the vibration of support systems of TBM during the excavation process, based on the structural features of the support hydraulic system, a nonlinear dynamical model of support hydraulic systems of TBM is established. The influences of the component structure parameters and operating conditions parameters on the stiffness characteristics of the support hydraulic system are analyzed. The analysis results indicate that the static stiffness of the support hydraulic system consists of an increase stage, stable stage and decrease stage. The static stiffness value increases with an increase in the clearances. The pre-compression length of the spring in the relief valve affects the range of the stable stage of the static stiffness, and it does not affect the static stiffness value. The dynamic stiffness of the support hydraulic system consists of a U-shape and reverse U-shape. The bottom value of the U-shape increases with the amplitude and frequency of the external force acting on the cylinder body, however, the top value of the reverse U-shape remains constant. This study instructs how to design the support hydraulic system of TBM.
2019, 32: 102.
doi: 10.1186/s10033-019-0413-z
Abstract:
Achieving highly efficient extrication of the tunnel boring machine (TBM) cutter-head driving system from the collapsed surrounding rock has become a key problem globally, and significant effort has been directed to improve TBM cutter-head extricating ability. In this study, the characteristics of a hydro-viscous device have been investigated to improve extricating performance of the TBM cutter-head. A numerical method based on an explicit pressure-linked equation is presented for computing the film parameters of the HVC, which is then applied to investigate extrication characteristics of a TBM cutter-head with a hydro-viscous clutch (HVC). The explicit pressure-linked equation is derived from the Navier–Stokes equations and the conservation equation, where boundary conditions are involved. The model of a cutter-head driving system with an HVC is established, and the extrication characteristics of the cutterhead driving system are analyzed and compared with three extrication strategies. The variation in extrication torque shows that the linear strategy or positive parabolic strategy are preferred for their relatively high extrication efficiency and low rigid impact, and the effects of throughflow rate on torque transmission are also investigated. The test rig of the TBM cutter-head driving system was set up to validate the numerical method and the model of a cutter-head driving system, and the feasibility of the proposed numerical method for researching the extrication of the TBM cutter-head is verified.
Achieving highly efficient extrication of the tunnel boring machine (TBM) cutter-head driving system from the collapsed surrounding rock has become a key problem globally, and significant effort has been directed to improve TBM cutter-head extricating ability. In this study, the characteristics of a hydro-viscous device have been investigated to improve extricating performance of the TBM cutter-head. A numerical method based on an explicit pressure-linked equation is presented for computing the film parameters of the HVC, which is then applied to investigate extrication characteristics of a TBM cutter-head with a hydro-viscous clutch (HVC). The explicit pressure-linked equation is derived from the Navier–Stokes equations and the conservation equation, where boundary conditions are involved. The model of a cutter-head driving system with an HVC is established, and the extrication characteristics of the cutterhead driving system are analyzed and compared with three extrication strategies. The variation in extrication torque shows that the linear strategy or positive parabolic strategy are preferred for their relatively high extrication efficiency and low rigid impact, and the effects of throughflow rate on torque transmission are also investigated. The test rig of the TBM cutter-head driving system was set up to validate the numerical method and the model of a cutter-head driving system, and the feasibility of the proposed numerical method for researching the extrication of the TBM cutter-head is verified.
2019, 32: 107.
doi: 10.1186/s10033-019-0416-9
Abstract:
To improve the adaptability of TBMs in diverse geological environments, this paper proposes a reconfigurable Type-V thrust mechanism (V-TM) with rearrangeable working states, in which structural stiffness can be automatically altered during operation. Therefore, millions of configurations can be obtained, and thousands of instances of working status per configuration can be set respectively. Nonetheless, the complexity of configurations and diversity of working states contributes to further complications for the structural stiffness algorithm. This results in challenges such as difficulty calculating the payload compliance index and the environment adaptability index. To solve this problem, we use the configuration matrix to describe the relationship between propelling jacks under reconfiguration and adopt pattern vectors to describe the working state of each hydraulic cylinder. Then, both the dynamic compatible equation between propeller forces of the hydraulic cylinders and driving forces, and the kinematic harmonizing equation between the hydraulic cylinder displacements and their deformations are established. Next, we derive the stiffness analytical equation using Hooke's law and the Jacobian Matrix. The proposed approach provides an effective algorithm to support structural rigidity analysis, and lays a solid theoretical foundation for calculating the performance indexes of the V-TM. We then analyze the rigidity characteristics of typical configurations under different working states, and obtain the main factors affecting structural stiffness of the V-TM. The results show the deviation degree of structural parameters in hydraulic cylinders within the same group, and the working status of propelling jacks. Finally, our constructive conclusions contribute valuable information for matching and optimization by drawing on the factors that affect the structural rigidity of the V-TM.
To improve the adaptability of TBMs in diverse geological environments, this paper proposes a reconfigurable Type-V thrust mechanism (V-TM) with rearrangeable working states, in which structural stiffness can be automatically altered during operation. Therefore, millions of configurations can be obtained, and thousands of instances of working status per configuration can be set respectively. Nonetheless, the complexity of configurations and diversity of working states contributes to further complications for the structural stiffness algorithm. This results in challenges such as difficulty calculating the payload compliance index and the environment adaptability index. To solve this problem, we use the configuration matrix to describe the relationship between propelling jacks under reconfiguration and adopt pattern vectors to describe the working state of each hydraulic cylinder. Then, both the dynamic compatible equation between propeller forces of the hydraulic cylinders and driving forces, and the kinematic harmonizing equation between the hydraulic cylinder displacements and their deformations are established. Next, we derive the stiffness analytical equation using Hooke's law and the Jacobian Matrix. The proposed approach provides an effective algorithm to support structural rigidity analysis, and lays a solid theoretical foundation for calculating the performance indexes of the V-TM. We then analyze the rigidity characteristics of typical configurations under different working states, and obtain the main factors affecting structural stiffness of the V-TM. The results show the deviation degree of structural parameters in hydraulic cylinders within the same group, and the working status of propelling jacks. Finally, our constructive conclusions contribute valuable information for matching and optimization by drawing on the factors that affect the structural rigidity of the V-TM.
2019, 32: 15.
doi: 10.1186/s10033-019-0317-y
Abstract:
The remaining useful life (RUL) prediction of mechanical products has been widely studied for online system performance reliability, device remanufacturing, and product safety (safety awareness and safety improvement). These studies incorporated many different models, algorithms, and techniques for modeling and assessment. In this paper, methods of RUL assessment are summarized and expounded upon using two major methods: physics model based and data driven based methods. The advantages and disadvantages of each of these methods are deliberated and compared as well. Due to the intricacy of failure mechanism in system, and difficulty in physics degradation observation, RUL assessment based on observations of performance variables turns into a science in evaluating the degradation. A modeling method from control systems, the state space model (SSM), as a first order hidden Markov, is presented. In the context of non-linear and non-Gaussian systems, the SSM methodology is capable of performing remaining life assessment by using Bayesian estimation (sequential Monte Carlo). Being effective for non-linear and non-Gaussian dynamics, the methodology can perform the assessment recursively online for applications in CBM (condition based maintenance), PHM (prognostics and health management), remanufacturing, and system performance reliability. Finally, the discussion raises concerns regarding online sensing data for SSM modeling and assessment of RUL.
The remaining useful life (RUL) prediction of mechanical products has been widely studied for online system performance reliability, device remanufacturing, and product safety (safety awareness and safety improvement). These studies incorporated many different models, algorithms, and techniques for modeling and assessment. In this paper, methods of RUL assessment are summarized and expounded upon using two major methods: physics model based and data driven based methods. The advantages and disadvantages of each of these methods are deliberated and compared as well. Due to the intricacy of failure mechanism in system, and difficulty in physics degradation observation, RUL assessment based on observations of performance variables turns into a science in evaluating the degradation. A modeling method from control systems, the state space model (SSM), as a first order hidden Markov, is presented. In the context of non-linear and non-Gaussian systems, the SSM methodology is capable of performing remaining life assessment by using Bayesian estimation (sequential Monte Carlo). Being effective for non-linear and non-Gaussian dynamics, the methodology can perform the assessment recursively online for applications in CBM (condition based maintenance), PHM (prognostics and health management), remanufacturing, and system performance reliability. Finally, the discussion raises concerns regarding online sensing data for SSM modeling and assessment of RUL.
2019, 32: 38.
doi: 10.1186/s10033-019-0350-x
Abstract:
Type synthesis of mechanisms aims to systematically determine all possible structures for a specific mobility requirement. Numerous methods based on different theories were proposed for type synthesis of lower mobility parallel mechanisms in past decades. However, there does not exist a comprehensive review on these approaches. Therefore, the goal of this paper is to give such a review, classifying the approaches proposed in the literature into three groups, namely, motion-based methods, constraint-based methods, and other methods. The motion-based methods include the Lie group based method, the GF set method, the linear transformation method, the POC set method, and the finite screw method. The constraint-based methods involve the screw theory-based method, the virtual chain method, the method based on Grassmann line geometry and line graphs, and the motion constraint generator method. Other methods contain the enumeration approach based on the general CGK mobility formula and the graph theory method. Upon thoroughly analyzing the characteristics and/or limitations of each method, this review provides a well reference to help researchers find an effective synthesis method for innovative design and further scientific investigations for mechanisms.
Type synthesis of mechanisms aims to systematically determine all possible structures for a specific mobility requirement. Numerous methods based on different theories were proposed for type synthesis of lower mobility parallel mechanisms in past decades. However, there does not exist a comprehensive review on these approaches. Therefore, the goal of this paper is to give such a review, classifying the approaches proposed in the literature into three groups, namely, motion-based methods, constraint-based methods, and other methods. The motion-based methods include the Lie group based method, the GF set method, the linear transformation method, the POC set method, and the finite screw method. The constraint-based methods involve the screw theory-based method, the virtual chain method, the method based on Grassmann line geometry and line graphs, and the motion constraint generator method. Other methods contain the enumeration approach based on the general CGK mobility formula and the graph theory method. Upon thoroughly analyzing the characteristics and/or limitations of each method, this review provides a well reference to help researchers find an effective synthesis method for innovative design and further scientific investigations for mechanisms.
2019, 32: 53.
doi: 10.1186/s10033-019-0368-0
Abstract:
Although several research works in the literature have focused on studying the capabilities of additive manufacturing(AM) systems, few works have addressed the development of Design for Additive Manufacturing (DfAM) knowledge, tools, rules, and methodologies, which has limited the penetration and impact of AM in industry. In this paper acomprehensive review of design and manufacturing strategies for Fused Deposition Modelling (FDM) is presented.Consequently, several DfAM strategies are proposed and analysed based on existing research works and the operation principles, materials, capabilities and limitations of the FDM process. These strategies have been divided into fourmain groups: geometry, quality, materials and sustainability. The implementation and practicality of the proposedDfAM is illustrated by three case studies. The new proposed DfAM strategies are intended to assist designers andmanufacturers when making decisions to satisfy functional needs, while ensuring manufacturability in FDM systems.Moreover, many of these strategies can be applied or extended to other AM processes besides FDM.
Although several research works in the literature have focused on studying the capabilities of additive manufacturing(AM) systems, few works have addressed the development of Design for Additive Manufacturing (DfAM) knowledge, tools, rules, and methodologies, which has limited the penetration and impact of AM in industry. In this paper acomprehensive review of design and manufacturing strategies for Fused Deposition Modelling (FDM) is presented.Consequently, several DfAM strategies are proposed and analysed based on existing research works and the operation principles, materials, capabilities and limitations of the FDM process. These strategies have been divided into fourmain groups: geometry, quality, materials and sustainability. The implementation and practicality of the proposedDfAM is illustrated by three case studies. The new proposed DfAM strategies are intended to assist designers andmanufacturers when making decisions to satisfy functional needs, while ensuring manufacturability in FDM systems.Moreover, many of these strategies can be applied or extended to other AM processes besides FDM.
2019, 32: 74.
doi: 10.1186/s10033-019-0389-8
Abstract:
Lower limb rehabilitation exoskeleton robots integrate sensing, control, and other technologies and exhibit the characteristics of bionics, robotics, information and control science, medicine, and other interdisciplinary areas. In this review, the typical products and prototypes of lower limb exoskeleton rehabilitation robots are introduced and state-of-the-art techniques are analyzed and summarized. Because the goal of rehabilitation training is to recover patientso sporting ability to the normal level, studying the human gait is the foundation of lower limb exoskeleton rehabilitation robot research. Therefore, this review critically evaluates research progress in human gait analysis and systematically summarizes developments in the mechanical design and control of lower limb rehabilitation exoskeleton robots. From the performance of typical prototypes, it can be deduced that these robots can be connected to human limbs as wearable forms; further, it is possible to control robot movement at each joint to simulate normal gait and drive the patientos limb to realize robot-assisted rehabilitation training. Therefore human-robot integration is one of the most important research directions, and in this context, rigid-flexible-soft hybrid structure design, customized personalized gait generation, and multimodal information fusion are three key technologies.
Lower limb rehabilitation exoskeleton robots integrate sensing, control, and other technologies and exhibit the characteristics of bionics, robotics, information and control science, medicine, and other interdisciplinary areas. In this review, the typical products and prototypes of lower limb exoskeleton rehabilitation robots are introduced and state-of-the-art techniques are analyzed and summarized. Because the goal of rehabilitation training is to recover patientso sporting ability to the normal level, studying the human gait is the foundation of lower limb exoskeleton rehabilitation robot research. Therefore, this review critically evaluates research progress in human gait analysis and systematically summarizes developments in the mechanical design and control of lower limb rehabilitation exoskeleton robots. From the performance of typical prototypes, it can be deduced that these robots can be connected to human limbs as wearable forms; further, it is possible to control robot movement at each joint to simulate normal gait and drive the patientos limb to realize robot-assisted rehabilitation training. Therefore human-robot integration is one of the most important research directions, and in this context, rigid-flexible-soft hybrid structure design, customized personalized gait generation, and multimodal information fusion are three key technologies.
2019, 32: 75.
doi: 10.1186/s10033-019-0388-9
Abstract:
Hydraulic systems have the characteristics of strong fault concealment, powerful nonlinear time-varying signals, and a complex vibration transmission mechanism; hence, diagnosis of these systems is a challenge. To provide accurate diagnosis results automatically, numerous studies have been carried out. Among them, signal-based methods are commonly used, which employ signal processing techniques based on the state signal used for extracting features, and further input the features into the classifier for fault recognition. However, their main deficiencies include the following: (1) The features are manually designed and thus may have a lack of objectivity. (2) For signal processing, feature extraction and pattern recognition are conducted using independent models, which cannot be jointly optimized globally. (3) The machine learning algorithms adopted by these methods have a shallow architecture, which limits their capacity to deeply mine the essential features of a fault. As a breakthrough in artificial intelligence, deep learning holds the potential to overcome such deficiencies. Based on deep learning, deep neural networks (DNNs) can automatically learn the complex nonlinear relations implied in a signal, can be globally optimized, and can obtain the high-level features of multi-dimensional data. In this paper, the main technology used in an intelligent fault diagnosis and the current research status of hydraulic system fault diagnosis are summarized and analyzed. The significant prospect of applying deep learning in the field of intelligent fault diagnosis is presented, and the main ideas, methods, and principles of several typical DNNs are described and summarized. The commonality between a fault diagnosis and other issues regarding typical pattern recognition are analyzed, and research ideas for applying DNNs for hydraulic fault diagnosis are proposed. Meanwhile, the research advantages and development trend of DNNs (both domestically and overseas) as applied to an intelligent fault diagnosis are reviewed. Furthermore, the fault characteristics of a complex hydraulic system are summarized and discussed, and the key problems and possible research ideas of applying DNNs to an intelligent hydraulic fault diagnosis are presented and comprehensively analyzed.
Hydraulic systems have the characteristics of strong fault concealment, powerful nonlinear time-varying signals, and a complex vibration transmission mechanism; hence, diagnosis of these systems is a challenge. To provide accurate diagnosis results automatically, numerous studies have been carried out. Among them, signal-based methods are commonly used, which employ signal processing techniques based on the state signal used for extracting features, and further input the features into the classifier for fault recognition. However, their main deficiencies include the following: (1) The features are manually designed and thus may have a lack of objectivity. (2) For signal processing, feature extraction and pattern recognition are conducted using independent models, which cannot be jointly optimized globally. (3) The machine learning algorithms adopted by these methods have a shallow architecture, which limits their capacity to deeply mine the essential features of a fault. As a breakthrough in artificial intelligence, deep learning holds the potential to overcome such deficiencies. Based on deep learning, deep neural networks (DNNs) can automatically learn the complex nonlinear relations implied in a signal, can be globally optimized, and can obtain the high-level features of multi-dimensional data. In this paper, the main technology used in an intelligent fault diagnosis and the current research status of hydraulic system fault diagnosis are summarized and analyzed. The significant prospect of applying deep learning in the field of intelligent fault diagnosis is presented, and the main ideas, methods, and principles of several typical DNNs are described and summarized. The commonality between a fault diagnosis and other issues regarding typical pattern recognition are analyzed, and research ideas for applying DNNs for hydraulic fault diagnosis are proposed. Meanwhile, the research advantages and development trend of DNNs (both domestically and overseas) as applied to an intelligent fault diagnosis are reviewed. Furthermore, the fault characteristics of a complex hydraulic system are summarized and discussed, and the key problems and possible research ideas of applying DNNs to an intelligent hydraulic fault diagnosis are presented and comprehensively analyzed.
2019, 32: 93.
doi: 10.1186/s10033-019-0406-y
Abstract:
Electro-hydraulic vibration equipment (EHVE) is widely used in vibration environment simulation tests, such as vehicles, weapons, ships, aerospace, nuclear industries and seismic waves replication, etc., due to its large output power, displacement and thrust, as well as good workload adaptation and multi-controllable parameters. Based on the domestic and overseas development of high-frequency EHVE, dividing them into servo-valve controlled vibration equipment and rotary-valve controlled vibration equipment. The research status and progress of high-frequency electro-hydraulic vibration control technology (EHVCT) are discussed, from the perspective of vibration waveform control and vibration controller. The problems of current electro-hydraulic vibration system bandwidth and waveform distortion control, stability control, offset control and complex vibration waveform generation in high-frequency vibration conditions are pointed out. Combining the existing rotary-valve controlled high-frequency electro-hydraulic vibration method, a new twin-valve independently controlled high-frequency electro-hydraulic vibration method is proposed to break through the limitations of current electro-hydraulic vibration technology in terms of system frequency bandwidth and waveform distortion. The new method can realize independent adjustment and control of vibration waveform frequency, amplitude and offset under high-frequency vibration conditions, and provide a new idea for accurate simulation of high-frequency vibration waveform.
Electro-hydraulic vibration equipment (EHVE) is widely used in vibration environment simulation tests, such as vehicles, weapons, ships, aerospace, nuclear industries and seismic waves replication, etc., due to its large output power, displacement and thrust, as well as good workload adaptation and multi-controllable parameters. Based on the domestic and overseas development of high-frequency EHVE, dividing them into servo-valve controlled vibration equipment and rotary-valve controlled vibration equipment. The research status and progress of high-frequency electro-hydraulic vibration control technology (EHVCT) are discussed, from the perspective of vibration waveform control and vibration controller. The problems of current electro-hydraulic vibration system bandwidth and waveform distortion control, stability control, offset control and complex vibration waveform generation in high-frequency vibration conditions are pointed out. Combining the existing rotary-valve controlled high-frequency electro-hydraulic vibration method, a new twin-valve independently controlled high-frequency electro-hydraulic vibration method is proposed to break through the limitations of current electro-hydraulic vibration technology in terms of system frequency bandwidth and waveform distortion. The new method can realize independent adjustment and control of vibration waveform frequency, amplitude and offset under high-frequency vibration conditions, and provide a new idea for accurate simulation of high-frequency vibration waveform.
2019, 32: 18.
doi: 10.1186/s10033-019-0333-y
Abstract:
The current research of quadruped robot focuses on the quadruped robot with spine motion. Contact time is a very important part of system performance. However, the mechanism of spine motion about contact time has not been clearly elucidated. In this paper, the effect of spine motion on contact time is studied deeply from dynamic view. Firstly, a simplified model of the quadruped robot with spine joint is set up, its dynamic equations are derivated, and a method that can generate passive periodic locomotion is proposed. Secondly, according to the vertical spring oscillator model, the two-dimension planar locomotion of the simplified model is regarded as a special vibration in the vertical direction, and the approximate formula of calculating contact time is obtained. Finally, the approximate formula of calculating contact time is verified by the simulation results of passive periodic locomotion, and the effect of spine motion on contact time is deeply discussed based on the approximate formula of calculating contact time. The discussion proves that spine motion indeed has little effect on contact time, but spine motion can slightly reduce body pith movement and regulate the leg stiffness in leg contact phase. This research proposes an effective research method which can be used to study the motion mechanism of the quadruped robot with spine motion, and the mechanism of spine motion about contact time is clearly elucidated which is helpful to set the parameters of mechanical structure and study control algorithm about the quadruped robot with spine motion.
The current research of quadruped robot focuses on the quadruped robot with spine motion. Contact time is a very important part of system performance. However, the mechanism of spine motion about contact time has not been clearly elucidated. In this paper, the effect of spine motion on contact time is studied deeply from dynamic view. Firstly, a simplified model of the quadruped robot with spine joint is set up, its dynamic equations are derivated, and a method that can generate passive periodic locomotion is proposed. Secondly, according to the vertical spring oscillator model, the two-dimension planar locomotion of the simplified model is regarded as a special vibration in the vertical direction, and the approximate formula of calculating contact time is obtained. Finally, the approximate formula of calculating contact time is verified by the simulation results of passive periodic locomotion, and the effect of spine motion on contact time is deeply discussed based on the approximate formula of calculating contact time. The discussion proves that spine motion indeed has little effect on contact time, but spine motion can slightly reduce body pith movement and regulate the leg stiffness in leg contact phase. This research proposes an effective research method which can be used to study the motion mechanism of the quadruped robot with spine motion, and the mechanism of spine motion about contact time is clearly elucidated which is helpful to set the parameters of mechanical structure and study control algorithm about the quadruped robot with spine motion.
2019, 32: 20.
doi: 10.1186/s10033-019-0331-0
Abstract:
A parameterized dynamics analysis model of legged lander with adaptive landing gear was established. Based on the analysis model, the landing performances under various landing conditions were analyzed by the optimized Latin hypercube experimental design method. In order to improve the landing performances, a hierarchical optimization method was proposed considering the uncertainty of landing conditions. The optimization problem was divided into a higher level (hereafter the "leader") and several lower levels (hereafter the "follower"). The followers took conditioning factors as design variables to fnd out the worst landing conditions, while the leader took bufer parameters as design variables to better the landing performance under worst conditions. First of all, sensitivity analysis of landing conditioning factors was carried out according to the results of experimental design. After the sensitive factors were screened out, the response surface models were established to refect the complicated relationships between sensitive conditioning factors, bufer parameters and landing performance indexes. Finally, the response surface model was used for hierarchical optimization iteration to improve the computational efciency. After selecting the optimum bufer parameters from the solution set, the dynamic model with the optimum parameters was simulated again under the same landing conditions as the simulation before. After optimization, nozzle performance against damage is improved by 5.24%, the acceleration overload is reduced by 5.74%, and the primary strut improves its performance by 21.10%.
A parameterized dynamics analysis model of legged lander with adaptive landing gear was established. Based on the analysis model, the landing performances under various landing conditions were analyzed by the optimized Latin hypercube experimental design method. In order to improve the landing performances, a hierarchical optimization method was proposed considering the uncertainty of landing conditions. The optimization problem was divided into a higher level (hereafter the "leader") and several lower levels (hereafter the "follower"). The followers took conditioning factors as design variables to fnd out the worst landing conditions, while the leader took bufer parameters as design variables to better the landing performance under worst conditions. First of all, sensitivity analysis of landing conditioning factors was carried out according to the results of experimental design. After the sensitive factors were screened out, the response surface models were established to refect the complicated relationships between sensitive conditioning factors, bufer parameters and landing performance indexes. Finally, the response surface model was used for hierarchical optimization iteration to improve the computational efciency. After selecting the optimum bufer parameters from the solution set, the dynamic model with the optimum parameters was simulated again under the same landing conditions as the simulation before. After optimization, nozzle performance against damage is improved by 5.24%, the acceleration overload is reduced by 5.74%, and the primary strut improves its performance by 21.10%.
2019, 32: 32.
doi: 10.1186/s10033-019-0344-8
Abstract:
Laying head is a high-precision engineering device in hot-rolled high speed wire rod production line. Previously research works are focused on the laying pipe wear-resisting. Laying pipe curve design method based on wire rod kinematics and dynamics analyses are not reported before. In order to design and manufacture the laying pipe, the motion and force process of the wire rod in the laying pipe should be studied. In this paper, a novel approach is proposed to investigate the force modeling for hot-rolled wire rod in laying pipe. An idea of limited element method is used to analysis and calculates the forces between laying pipe inner surface and wire rod. The design requirements of laying pipe curve for manufacturing are discussed. The kinematics and dynamics modeling for numerical calculation are built. A laying pipe curve equation is proposed by discussing design boundary conditions. Numerical results with different laying pipe curves design parameters are plotted and compared. The proposed approach performs good result which can be applied for laying pipe curve design and analysis for engineering application.
Laying head is a high-precision engineering device in hot-rolled high speed wire rod production line. Previously research works are focused on the laying pipe wear-resisting. Laying pipe curve design method based on wire rod kinematics and dynamics analyses are not reported before. In order to design and manufacture the laying pipe, the motion and force process of the wire rod in the laying pipe should be studied. In this paper, a novel approach is proposed to investigate the force modeling for hot-rolled wire rod in laying pipe. An idea of limited element method is used to analysis and calculates the forces between laying pipe inner surface and wire rod. The design requirements of laying pipe curve for manufacturing are discussed. The kinematics and dynamics modeling for numerical calculation are built. A laying pipe curve equation is proposed by discussing design boundary conditions. Numerical results with different laying pipe curves design parameters are plotted and compared. The proposed approach performs good result which can be applied for laying pipe curve design and analysis for engineering application.
2019, 32: 45.
doi: 10.1186/s10033-019-0355-5
Abstract:
In order to resist on the cavitation erosion, many researchers try to change the solidity and tenacity of the coatings, but ignore the influence of surface characteristics of materials on cavitation flow and the interaction with each other. In this paper, high speed visualization system is used to observe the cavitation flow patterns in different stage. After comparing the characteristics of cavitation flow around hydrofoils made of aluminum (Foil A), stainless steel (Foil B) and the hydrofoil painted with epoxy coating (Foil C), the study shows that material has a significant effect on the cavitation flow. Firstly, when the incipient cavitation occurs, cavitation number of Foil A is highest among three hydrofoils, generating horseshoe vortex randomly. For Foil B and Foil C, it shows in the form of free bubbles. When the sheet cavitation occurs, Foil A has the highest cavitation number and shortest period, which is contrary to Foil C. And cavity consists of lots of small finger-like cavities. For Foil B and Foil C, it both constitutes with many bubbles. Compared with the high-density and small-scale cavities over surface of Foil C, the cavity of Foil B has larger scale and less density, which causes a minimal scope of influence of the re-entrant jet and strong randomness. When the cloud cavitation occurs, Foil C has the lowest cavitation number and shortest period. Secondly, compared with aluminum, both of stainless steel and epoxy coating restrains the occurrence and development of cavitation, and stainless steel and epoxy coating performs better than aluminum. For inception and sheet cavitation, stainless steel performs better than epoxy coating and aluminum. For cloud cavitation, epoxy coating performs better than stainless steel and aluminum. The objective of this paper is applied experimental method to investigate the effect of surface materials on cavitation around Clark-Y hydrofoils.
In order to resist on the cavitation erosion, many researchers try to change the solidity and tenacity of the coatings, but ignore the influence of surface characteristics of materials on cavitation flow and the interaction with each other. In this paper, high speed visualization system is used to observe the cavitation flow patterns in different stage. After comparing the characteristics of cavitation flow around hydrofoils made of aluminum (Foil A), stainless steel (Foil B) and the hydrofoil painted with epoxy coating (Foil C), the study shows that material has a significant effect on the cavitation flow. Firstly, when the incipient cavitation occurs, cavitation number of Foil A is highest among three hydrofoils, generating horseshoe vortex randomly. For Foil B and Foil C, it shows in the form of free bubbles. When the sheet cavitation occurs, Foil A has the highest cavitation number and shortest period, which is contrary to Foil C. And cavity consists of lots of small finger-like cavities. For Foil B and Foil C, it both constitutes with many bubbles. Compared with the high-density and small-scale cavities over surface of Foil C, the cavity of Foil B has larger scale and less density, which causes a minimal scope of influence of the re-entrant jet and strong randomness. When the cloud cavitation occurs, Foil C has the lowest cavitation number and shortest period. Secondly, compared with aluminum, both of stainless steel and epoxy coating restrains the occurrence and development of cavitation, and stainless steel and epoxy coating performs better than aluminum. For inception and sheet cavitation, stainless steel performs better than epoxy coating and aluminum. For cloud cavitation, epoxy coating performs better than stainless steel and aluminum. The objective of this paper is applied experimental method to investigate the effect of surface materials on cavitation around Clark-Y hydrofoils.
2019, 32: 48.
doi: 10.1186/s10033-019-0362-6
Abstract:
Soft cable-driven systems have been employed in many assembled mechanisms, such as industrial robots, parallel kinematic mechanism machines, medical devices, and humaniform hands. A pre-stretching process is necessary to guarantee the quality of cable-driven systems during the assembly process. However, the stress relaxation of cables becomes a critical concern during long-term operation. This study investigates the effects of non-uniform deformation and long-term stress relaxation of the driven cables owing to moving parts in the system. A simple closed-loop cable-driven system is built and an alternating load is applied to it to replicate the operation of transmission cables. Under different experimental conditions, the cable tension is recorded and the boundary data are selected to be curve-fitted. Based on the fitted results, a formula is presented to estimate the stress relaxation of cables to evaluate the assembly performance. Further experimental results show that the stress relaxation is mainly caused by cable creep and the assembly procedure. To remove the influence of the assembly procedure, a modified pre-stretching assembly method based on the stress relaxation theory is proposed and verification experiments are performed. Finally, the assembly performance is optimized using a cable-driven surgical robot as an example. This paper proposes a dual stretching method instead of the pre-stretching method to assemble the cable-driven system to improve its performance and prolong its service life.
Soft cable-driven systems have been employed in many assembled mechanisms, such as industrial robots, parallel kinematic mechanism machines, medical devices, and humaniform hands. A pre-stretching process is necessary to guarantee the quality of cable-driven systems during the assembly process. However, the stress relaxation of cables becomes a critical concern during long-term operation. This study investigates the effects of non-uniform deformation and long-term stress relaxation of the driven cables owing to moving parts in the system. A simple closed-loop cable-driven system is built and an alternating load is applied to it to replicate the operation of transmission cables. Under different experimental conditions, the cable tension is recorded and the boundary data are selected to be curve-fitted. Based on the fitted results, a formula is presented to estimate the stress relaxation of cables to evaluate the assembly performance. Further experimental results show that the stress relaxation is mainly caused by cable creep and the assembly procedure. To remove the influence of the assembly procedure, a modified pre-stretching assembly method based on the stress relaxation theory is proposed and verification experiments are performed. Finally, the assembly performance is optimized using a cable-driven surgical robot as an example. This paper proposes a dual stretching method instead of the pre-stretching method to assemble the cable-driven system to improve its performance and prolong its service life.
2019, 32: 49.
doi: 10.1186/s10033-019-0357-3
Abstract:
Currently, transplanting mechanisms for dryland plug seedlings in China are mainly semiautomatic and have low efficiency. The rotary seedling pick-up mechanism with a planetary gear train for non-uniform intermittent transmission, and a concave and convex locking arc device, has a large rigid impact. To solve these problems, according to the design requirements for a dryland plug seedling transplanting mechanism, a rotary seedling pick-up mechanism of a planetary gear train with combined non-circular gear transmission of incomplete eccentric circular and non-circular gears was proposed. This has the characteristics of two-times greater fluctuation of the transmission ratio in a cycle, and can achieve a non-uniform continuous drive. Through analysis of the working principle of the seedling pick-up mechanism, its kinematics model was established. The human–computer interaction optimization method and self-developed computer-aided analysis and optimization software were used to obtain a set of parameters that satisfy the operation requirements of the seedling pick-up mechanism. According to the optimized parameters, the structure of the seedling pick-up mechanism was designed, a virtual prototype of the mechanism was created, and a physical prototype was manufactured. A virtual motion simulation of the mechanism was performed, high-speed photographic kinematics tests were conducted, and the kinematic properties of the physical prototype were investigated, whereby the correctness of the theoretical model and the optimized design of the mechanism were verified. Further, laboratory seedling pick-up tests were conducted. The success ratio of seedling pick-up was 93.8% when the seedling pick-up efficiency of the mechanism was 60 plants per minute per row, indicating that the mechanism has a high efficiency and success ratio for seedling pick-up and can be applied to a dryland plug seedling transplanter.
Currently, transplanting mechanisms for dryland plug seedlings in China are mainly semiautomatic and have low efficiency. The rotary seedling pick-up mechanism with a planetary gear train for non-uniform intermittent transmission, and a concave and convex locking arc device, has a large rigid impact. To solve these problems, according to the design requirements for a dryland plug seedling transplanting mechanism, a rotary seedling pick-up mechanism of a planetary gear train with combined non-circular gear transmission of incomplete eccentric circular and non-circular gears was proposed. This has the characteristics of two-times greater fluctuation of the transmission ratio in a cycle, and can achieve a non-uniform continuous drive. Through analysis of the working principle of the seedling pick-up mechanism, its kinematics model was established. The human–computer interaction optimization method and self-developed computer-aided analysis and optimization software were used to obtain a set of parameters that satisfy the operation requirements of the seedling pick-up mechanism. According to the optimized parameters, the structure of the seedling pick-up mechanism was designed, a virtual prototype of the mechanism was created, and a physical prototype was manufactured. A virtual motion simulation of the mechanism was performed, high-speed photographic kinematics tests were conducted, and the kinematic properties of the physical prototype were investigated, whereby the correctness of the theoretical model and the optimized design of the mechanism were verified. Further, laboratory seedling pick-up tests were conducted. The success ratio of seedling pick-up was 93.8% when the seedling pick-up efficiency of the mechanism was 60 plants per minute per row, indicating that the mechanism has a high efficiency and success ratio for seedling pick-up and can be applied to a dryland plug seedling transplanter.
2019, 32: 54.
doi: 10.1186/s10033-019-0369-z
Abstract:
Being different from avoidance of singularity of closed-loop linkages, this paper employs the kinematic singularity to construct compliant mechanisms with expected nonlinear stiffness characteristics to enrich the methods of compliant mechanisms synthesis. The theory for generating kinetostatic nonlinear stiffness characteristic by the kinematic limb-singularity of a crank-slider linkage is developed. Based on the principle of virtual work, the kinetostatic model of the crank-linkage with springs is established. The influences of spring stiffness on the toque-position angle relation are analyzed. It indicates that corresponding spring stiffness may generate one of four types of nonlinear stiffness characteristics including the bi-stable, local negative-stiffness, zero-stiffness or positive-stiffness when the mechanism works around the kinematic limb-singularity position. Thus the compliant mechanism with an expected stiffness characteristic can be constructed by employing the pseudo rigid-body model of the mechanism whose joints or links are replaced by corresponding flexures. Finally, a tri-symmetrical constant-torque compliant mechanism is fabricated, where the curve of torque-position angle is obtained by an experimental testing. The measurement indicates that the compliant mechanism can generate a nearly constant-torque zone.
Being different from avoidance of singularity of closed-loop linkages, this paper employs the kinematic singularity to construct compliant mechanisms with expected nonlinear stiffness characteristics to enrich the methods of compliant mechanisms synthesis. The theory for generating kinetostatic nonlinear stiffness characteristic by the kinematic limb-singularity of a crank-slider linkage is developed. Based on the principle of virtual work, the kinetostatic model of the crank-linkage with springs is established. The influences of spring stiffness on the toque-position angle relation are analyzed. It indicates that corresponding spring stiffness may generate one of four types of nonlinear stiffness characteristics including the bi-stable, local negative-stiffness, zero-stiffness or positive-stiffness when the mechanism works around the kinematic limb-singularity position. Thus the compliant mechanism with an expected stiffness characteristic can be constructed by employing the pseudo rigid-body model of the mechanism whose joints or links are replaced by corresponding flexures. Finally, a tri-symmetrical constant-torque compliant mechanism is fabricated, where the curve of torque-position angle is obtained by an experimental testing. The measurement indicates that the compliant mechanism can generate a nearly constant-torque zone.
2019, 32: 57.
doi: 10.1186/s10033-019-0371-5
Abstract:
At present, the water-cooling simulation of the water-cooled magnetic coupler is based on the water-cooled motor and the hydraulic coupler, which cannot accurately characterize the temperature distribution of the rotating water-cooled coupling of the coupler. Focusing on rotating water cooling radiating, the present paper proposes simulating the water cooling temperature field as well as the flow field through the method of combining fluid-solid coupled heat transfer and MRF (Multiphase Reference Frame). In addition, taking an 800 kW magnetic coupling as an example, the paper optimizes the shape, number, cooling water inlet speed? and so on? of the cooling channel. Considering factors such as the complete machine's temperature, and drag torque, it is proved that the cooling effect is best when there are 36 involute curved channels and when the inlet speed is 3 m/s. Further, through experiments, the actual temperature values at six different positions when 50 kW and 70 kW thermal losses differ are measured. The measured values agree with the simulation results, proving the correctness of the proposed method. Further, data have been collected during the entire experimental procedure? and the variation in the coupling's temperature is analyzed in depth, with the objective of laying a foundation for the estimation of the inner temperature rise as well as for the optimization of the structural design.
At present, the water-cooling simulation of the water-cooled magnetic coupler is based on the water-cooled motor and the hydraulic coupler, which cannot accurately characterize the temperature distribution of the rotating water-cooled coupling of the coupler. Focusing on rotating water cooling radiating, the present paper proposes simulating the water cooling temperature field as well as the flow field through the method of combining fluid-solid coupled heat transfer and MRF (Multiphase Reference Frame). In addition, taking an 800 kW magnetic coupling as an example, the paper optimizes the shape, number, cooling water inlet speed? and so on? of the cooling channel. Considering factors such as the complete machine's temperature, and drag torque, it is proved that the cooling effect is best when there are 36 involute curved channels and when the inlet speed is 3 m/s. Further, through experiments, the actual temperature values at six different positions when 50 kW and 70 kW thermal losses differ are measured. The measured values agree with the simulation results, proving the correctness of the proposed method. Further, data have been collected during the entire experimental procedure? and the variation in the coupling's temperature is analyzed in depth, with the objective of laying a foundation for the estimation of the inner temperature rise as well as for the optimization of the structural design.
2019, 32: 69.
doi: 10.1186/s10033-019-0387-x
Abstract:
Disposable blood collection needles become severely intertwined and hooked during stacking, and thus individually feeding disposable blood collection needles during mechanical packaging is difficult. Based on the physical characteristics of the blood collection needles during the stacking state, this study designed an automatic tidying and sorting mechanism by combining compound vibration, sorting, and conveying. During the feeding process, the compound vibration-type material-tidying mechanism tidies 20-30 blood collection needles first; then, the material sorting and conveying mechanism transports the tidied blood collection needles individually. The orthogonal testing of the automatic material tidying process shows that various experimental factors are ranked by the significance level of the effect on the tidying process and the significance ranking is as follows: vertical vibration frequency > horizontal amplitude > vertical amplitude > horizontal vibration frequency. Experiments were performed after analyzing the optimal combination. The results demonstrate that when the horizontal vibration frequency is 1.7 Hz, the horizontal amplitude is 150 mm, vertical vibration frequency is 1.3 Hz, vertical amplitude is 30 mm, and material length after tidying is 265 mm. The automatic sorting and conveying experiment shows the effect of various experimental factors on the feed rate of the material, where the significance level of the effect is ranked as follows: vibration frequency > material quantity > channel dip angle. The experimental results show that when the number of materials is 25, the channel dip angle is 12°, and vibration frequency is 52.5 Hz. The material delivery efficiency reaches 0.51 s/root, meeting the requirement of five channels for 80000 root/day feeding efficiency. The study can provide reference for the realization of automatic feeding of large aspect ratio flexible materials in similar stacking state.
Disposable blood collection needles become severely intertwined and hooked during stacking, and thus individually feeding disposable blood collection needles during mechanical packaging is difficult. Based on the physical characteristics of the blood collection needles during the stacking state, this study designed an automatic tidying and sorting mechanism by combining compound vibration, sorting, and conveying. During the feeding process, the compound vibration-type material-tidying mechanism tidies 20-30 blood collection needles first; then, the material sorting and conveying mechanism transports the tidied blood collection needles individually. The orthogonal testing of the automatic material tidying process shows that various experimental factors are ranked by the significance level of the effect on the tidying process and the significance ranking is as follows: vertical vibration frequency > horizontal amplitude > vertical amplitude > horizontal vibration frequency. Experiments were performed after analyzing the optimal combination. The results demonstrate that when the horizontal vibration frequency is 1.7 Hz, the horizontal amplitude is 150 mm, vertical vibration frequency is 1.3 Hz, vertical amplitude is 30 mm, and material length after tidying is 265 mm. The automatic sorting and conveying experiment shows the effect of various experimental factors on the feed rate of the material, where the significance level of the effect is ranked as follows: vibration frequency > material quantity > channel dip angle. The experimental results show that when the number of materials is 25, the channel dip angle is 12°, and vibration frequency is 52.5 Hz. The material delivery efficiency reaches 0.51 s/root, meeting the requirement of five channels for 80000 root/day feeding efficiency. The study can provide reference for the realization of automatic feeding of large aspect ratio flexible materials in similar stacking state.
2019, 32: 71.
doi: 10.1186/s10033-019-0381-3
Abstract:
When the gearbox body interference is connected to the ring gear, prestressing occurs in the ring gear, which has a significant impact on the strength and life of the gear. Research on the prestressing of the inner ring gear is in the preliminary stage, and the distribution rule of the prestressing and the influence of each parameter on the interference prestressing have not been derived. In this paper, based on the method of calculating the prestressing of the thick cylinder in interference fit, the ring gear is found to be equivalent to a thick cylinder, and the distribution rule of prestressing of the ring gear in the interference fit is inferred. Then, by modeling and analyzing the gearbox body and ring gear in the interference fit using ABAQUS, the distribution rule of prestressing the ring gear in the interference fit is obtained through a numerical simulation. Finally, the prestressing of the ring gear in the interference fit is measured using X-ray diffraction, and the distribution rule of prestressing of the ring gear in the interference fit is obtained through analysis. Compared with the distribution rule of prestressing in theory, numerical simulation, and experiment, the theoretical distribution rule of prestressing is amended through a statistical method, and a more accurate formula of prestressing is obtained. Through the calculation of the stress and bending moment in the dangerous section of the ring gear through prestressing, the formula for checking the tooth root flexural fatigue strength in the interference fit prestressing is inferred. This research proposes a tooth root bending strength conditional formula for the inner ring gear of the interference fit, which serves as a guide for the design and production of the actual interference joint inner ring gear.
When the gearbox body interference is connected to the ring gear, prestressing occurs in the ring gear, which has a significant impact on the strength and life of the gear. Research on the prestressing of the inner ring gear is in the preliminary stage, and the distribution rule of the prestressing and the influence of each parameter on the interference prestressing have not been derived. In this paper, based on the method of calculating the prestressing of the thick cylinder in interference fit, the ring gear is found to be equivalent to a thick cylinder, and the distribution rule of prestressing of the ring gear in the interference fit is inferred. Then, by modeling and analyzing the gearbox body and ring gear in the interference fit using ABAQUS, the distribution rule of prestressing the ring gear in the interference fit is obtained through a numerical simulation. Finally, the prestressing of the ring gear in the interference fit is measured using X-ray diffraction, and the distribution rule of prestressing of the ring gear in the interference fit is obtained through analysis. Compared with the distribution rule of prestressing in theory, numerical simulation, and experiment, the theoretical distribution rule of prestressing is amended through a statistical method, and a more accurate formula of prestressing is obtained. Through the calculation of the stress and bending moment in the dangerous section of the ring gear through prestressing, the formula for checking the tooth root flexural fatigue strength in the interference fit prestressing is inferred. This research proposes a tooth root bending strength conditional formula for the inner ring gear of the interference fit, which serves as a guide for the design and production of the actual interference joint inner ring gear.
2019, 32: 77.
doi: 10.1186/s10033-019-0391-1
Abstract:
There are vast constraint equations in conventional dynamics analysis of deployable structures, which lead to differential-algebraic equations (DAEs) solved hard. To reduce the difficulty of solving and the amount of equations, a new flexible multibody dynamics analysis methodology of deployable structures with scissor-like elements (SLEs) is presented. Firstly, a precise model of a flexible bar of SLE is established by the higher order shear deformable beam element based on the absolute nodal coordinate formulation (ANCF), and the master/slave freedom method is used to obtain the dynamics equations of SLEs without constraint equations. Secondly, according to features of deployable structures, the specification matrix method (SMM) is proposed to eliminate the constraint equations among SLEs in the frame of ANCF. With this method, the inner and the boundary nodal coordinates of element characteristic matrices can be separated simply and efficiently, especially on condition that there are vast nodal coordinates. So the element characteristic matrices can be added end to end circularly. Thus, the dynamic model of deployable structure reduces dimension and can be assembled without any constraint equation. Next, a new iteration procedure for the generalized-α algorithm is presented to solve the ordinary differential equations (ODEs) of deployable structure. Finally, the proposed methodology is used to analyze the flexible multi-body dynamics of a planar linear array deployable structure based on three scissor-like elements. The simulation results show that flexibility has a significant influence on the deployment motion of the deployable structure. The proposed methodology indeed reduce the difficulty of solving and the amount of equations by eliminating redundant degrees of freedom and the constraint equations in scissor-like elements and among scissor-like elements.
There are vast constraint equations in conventional dynamics analysis of deployable structures, which lead to differential-algebraic equations (DAEs) solved hard. To reduce the difficulty of solving and the amount of equations, a new flexible multibody dynamics analysis methodology of deployable structures with scissor-like elements (SLEs) is presented. Firstly, a precise model of a flexible bar of SLE is established by the higher order shear deformable beam element based on the absolute nodal coordinate formulation (ANCF), and the master/slave freedom method is used to obtain the dynamics equations of SLEs without constraint equations. Secondly, according to features of deployable structures, the specification matrix method (SMM) is proposed to eliminate the constraint equations among SLEs in the frame of ANCF. With this method, the inner and the boundary nodal coordinates of element characteristic matrices can be separated simply and efficiently, especially on condition that there are vast nodal coordinates. So the element characteristic matrices can be added end to end circularly. Thus, the dynamic model of deployable structure reduces dimension and can be assembled without any constraint equation. Next, a new iteration procedure for the generalized-α algorithm is presented to solve the ordinary differential equations (ODEs) of deployable structure. Finally, the proposed methodology is used to analyze the flexible multi-body dynamics of a planar linear array deployable structure based on three scissor-like elements. The simulation results show that flexibility has a significant influence on the deployment motion of the deployable structure. The proposed methodology indeed reduce the difficulty of solving and the amount of equations by eliminating redundant degrees of freedom and the constraint equations in scissor-like elements and among scissor-like elements.
2019, 32: 78.
doi: 10.1186/s10033-019-0392-0
Abstract:
In current research on soft grippers, pneumatically actuated soft grippers are generally fabricated using fully soft materials, which have the advantage of flexibility as well as the disadvantages of a small gripping force and slow response speed. To improve these characteristics, a novel pneumatic soft gripper with a jointed endoskeleton structure (E-Gripper) is developed, in which the muscle actuating function has been separated from the force bearing function. The soft action of an E-Gripper finger is performed by some air chambers surrounded by multilayer rubber embedded in the restraining fiber. The gripping force is borne and transferred by the rigid endoskeleton within the E-Gripper finger. Thus, the gripping force and action response speed can be increased while the flexibility is maintained. Through experiments, the bending angle of each finger segment, response time, and gripping force of the E-Gripper have been measured, which provides a basis for designing and controlling the soft gripper. The test results have shown that the maximum gripping force of the E-Gripper can be 35 N, which is three times greater than that of a fully soft gripper (FS-Gripper) of the same size. At the maximum charging pressure of 150 kPa, the response time is 1.123 s faster than that of the FS-Gripper. The research results indicate that the flexibility of a pneumatic soft gripper is not only maintained in the case of the E-Gripper, but its gripping force is also obviously increased, and the response time is reduced. The E-Gripper thus shows great potential for future development and applications.
In current research on soft grippers, pneumatically actuated soft grippers are generally fabricated using fully soft materials, which have the advantage of flexibility as well as the disadvantages of a small gripping force and slow response speed. To improve these characteristics, a novel pneumatic soft gripper with a jointed endoskeleton structure (E-Gripper) is developed, in which the muscle actuating function has been separated from the force bearing function. The soft action of an E-Gripper finger is performed by some air chambers surrounded by multilayer rubber embedded in the restraining fiber. The gripping force is borne and transferred by the rigid endoskeleton within the E-Gripper finger. Thus, the gripping force and action response speed can be increased while the flexibility is maintained. Through experiments, the bending angle of each finger segment, response time, and gripping force of the E-Gripper have been measured, which provides a basis for designing and controlling the soft gripper. The test results have shown that the maximum gripping force of the E-Gripper can be 35 N, which is three times greater than that of a fully soft gripper (FS-Gripper) of the same size. At the maximum charging pressure of 150 kPa, the response time is 1.123 s faster than that of the FS-Gripper. The research results indicate that the flexibility of a pneumatic soft gripper is not only maintained in the case of the E-Gripper, but its gripping force is also obviously increased, and the response time is reduced. The E-Gripper thus shows great potential for future development and applications.
2019, 32: 79.
doi: 10.1186/s10033-019-0394-y
Abstract:
A bionic fexible manipulator driven by pneumatic muscle actuator (PMA) can better refect the fexibility of the mechanism. Current research on PMA mainly focuses on the modeling and control strategy of the pneumatic manipulator system. Compared with traditional electro-hydraulic actuators, the structure of PMA is simple but possesses strong nonlinearity and fexibility, which leads to the difculty in improving the control accuracy. In this paper, the confguration design of a bionic fexible manipulator is performed by human physiological map, the kinematic model of the mechanism is established, and the dynamics is analyzed by Lagrange method. A fuzzy torque control algorithm is designed based on the computed torque method, where the fuzzy control theory is applied. The hardware experimental system is established. Through the co-simulation contrast test on MATLAB and ADAMS, it is found that the fuzzy torque control algorithm has better tracking performance and higher tracking accuracy than the computed torque method, and is applied to the entity control test. The experimental results show that the fuzzy torque algorithm can better control the trajectory tracking movement of the bionic fexible manipulator. This research proposes a fuzzy torque control algorithm which can compensate the error more efectively, and possesses the preferred trajectory tracking performance.
A bionic fexible manipulator driven by pneumatic muscle actuator (PMA) can better refect the fexibility of the mechanism. Current research on PMA mainly focuses on the modeling and control strategy of the pneumatic manipulator system. Compared with traditional electro-hydraulic actuators, the structure of PMA is simple but possesses strong nonlinearity and fexibility, which leads to the difculty in improving the control accuracy. In this paper, the confguration design of a bionic fexible manipulator is performed by human physiological map, the kinematic model of the mechanism is established, and the dynamics is analyzed by Lagrange method. A fuzzy torque control algorithm is designed based on the computed torque method, where the fuzzy control theory is applied. The hardware experimental system is established. Through the co-simulation contrast test on MATLAB and ADAMS, it is found that the fuzzy torque control algorithm has better tracking performance and higher tracking accuracy than the computed torque method, and is applied to the entity control test. The experimental results show that the fuzzy torque algorithm can better control the trajectory tracking movement of the bionic fexible manipulator. This research proposes a fuzzy torque control algorithm which can compensate the error more efectively, and possesses the preferred trajectory tracking performance.
2019, 32: 89.
doi: 10.1186/s10033-019-0403-1
Abstract:
Direct kinematics with analytic solutions is critical to the real-time control of parallel mechanisms. Therefore, the type synthesis of a mechanism having explicit form of forward kinematics has become a topic of interest. Based on this purpose, this paper deals with the type synthesis of 1T2R parallel mechanisms by investigating the topological structure coupling-reducing of the 3UPS&UP parallel mechanism. With the aid of the theory of mechanism topology, the analysis of the topological characteristics of the 3UPS&UP parallel mechanism is presented, which shows that there are highly coupled motions and constraints amongst the limbs of the mechanism. Three methods for structure coupling-reducing of the 3UPS&UP parallel mechanism are proposed, resulting in eight new types of 1T2R parallel mechanisms with one or zero coupling degree. One obtained parallel mechanism is taken as an example to demonstrate that a mechanism with zero coupling degree has an explicit form for forward kinematics. The process of type synthesis is in the order of permutation and combination; therefore, there are no omissions. This method is also applicable to other confgurations, and novel topological structures having simple forward kinematics can be obtained from an original mechanism via this method.
Direct kinematics with analytic solutions is critical to the real-time control of parallel mechanisms. Therefore, the type synthesis of a mechanism having explicit form of forward kinematics has become a topic of interest. Based on this purpose, this paper deals with the type synthesis of 1T2R parallel mechanisms by investigating the topological structure coupling-reducing of the 3UPS&UP parallel mechanism. With the aid of the theory of mechanism topology, the analysis of the topological characteristics of the 3UPS&UP parallel mechanism is presented, which shows that there are highly coupled motions and constraints amongst the limbs of the mechanism. Three methods for structure coupling-reducing of the 3UPS&UP parallel mechanism are proposed, resulting in eight new types of 1T2R parallel mechanisms with one or zero coupling degree. One obtained parallel mechanism is taken as an example to demonstrate that a mechanism with zero coupling degree has an explicit form for forward kinematics. The process of type synthesis is in the order of permutation and combination; therefore, there are no omissions. This method is also applicable to other confgurations, and novel topological structures having simple forward kinematics can be obtained from an original mechanism via this method.
2019, 32: 23.
doi: 10.1186/s10033-019-0335-9
Abstract:
Only the lubrication performance at rated engine operating condition was generally analyzed in current design and research of engine connecting-rod and main bearing. However, the actual engine (especially vehicle engine) does not always operate in rated operating condition and its operating condition changes constantly. In this paper, a four-stroke four-cylinder engine is taken as the studying object, the load and lubrication of connecting-rod and main bearing in different operating conditions are analyzed. The load of connecting-rod bearing is calculated by the dynamic calculation method, the loads of all main bearings are calculated by the whole crankshaft beam-element finite element method, and the lubrication performance of connecting-rod and main bearings are analyzed by the dynamic method. The results show that there are major differences in the changes and numerical value at corresponding moment of the loads and lubrication performance of connecting-rod and main bearings in an engine operating cycle in different engine operating conditions; the most unfavorable case of the lubrication performance of connecting-rod and main bearings may not take place in the rated engine operating condition. There are also major differences between the lubrication performance of connecting-rod bearing and that of main bearing and between the lubrication performances of main bearings one another. Therefore, it will not be reasonable that the lubrication performance of a certain connecting-rod bearing or main bearing is analyzed in the design of the engine bearing. It is necessary to analyze simultaneously the lubrication performances of all bearings in different engine operating conditions.
Only the lubrication performance at rated engine operating condition was generally analyzed in current design and research of engine connecting-rod and main bearing. However, the actual engine (especially vehicle engine) does not always operate in rated operating condition and its operating condition changes constantly. In this paper, a four-stroke four-cylinder engine is taken as the studying object, the load and lubrication of connecting-rod and main bearing in different operating conditions are analyzed. The load of connecting-rod bearing is calculated by the dynamic calculation method, the loads of all main bearings are calculated by the whole crankshaft beam-element finite element method, and the lubrication performance of connecting-rod and main bearings are analyzed by the dynamic method. The results show that there are major differences in the changes and numerical value at corresponding moment of the loads and lubrication performance of connecting-rod and main bearings in an engine operating cycle in different engine operating conditions; the most unfavorable case of the lubrication performance of connecting-rod and main bearings may not take place in the rated engine operating condition. There are also major differences between the lubrication performance of connecting-rod bearing and that of main bearing and between the lubrication performances of main bearings one another. Therefore, it will not be reasonable that the lubrication performance of a certain connecting-rod bearing or main bearing is analyzed in the design of the engine bearing. It is necessary to analyze simultaneously the lubrication performances of all bearings in different engine operating conditions.
2019, 32: 25.
doi: 10.1186/s10033-019-0343-9
Abstract:
Reduction of drag torque in disengaged wet clutches is essential for transmission research because it is one of the potentials of efficiency improvement. Aeration of oil film between two closely rotating plates promotes the decrease of drag torque at high speed region. The effects of surface tension and static contact angles during aeration are non-negligible showed by test results. The traditional lubrication model does not adequately predict the experimental results with different surface tension and contact angles during aeration. Hence, in this present paper, contact angles between Aluminum and Teflon materials were firstly measured, and the drag torques under two different contact angles were examined experimentally. An improved lubrication model of drag torque based on Navier-Stokes equations at the gas-liquid interface was built. The lubrication boundary condition was modified to introduce the effects of surface tension and contact angle. The model shows that the effects at the beginning of aeration of oil film are significant. These effects almost occur at stationary plate due to low Reynolds number and Weber number. The model shows that an increase in the surface tension promotes aeration, but does not affect the peak drag torque. Increasing contact angle also promotes the aeration, and accelerates the decrease of drag torque. The larger contact angle is, the smaller the peak drag torque will be. A computational fluid dynamics (CFD) model based on volume of fluid (VOF) method was presented to validate the interface shape when aeration occurs. The model prediction has a good agreement with experimental observations for Aluminum plates and Teflon plates. The modified lubrication model of drag torque gives a convenient description of the effects of surface tension and contact angel, and lays down a frame to understand the beginning of aeration.
Reduction of drag torque in disengaged wet clutches is essential for transmission research because it is one of the potentials of efficiency improvement. Aeration of oil film between two closely rotating plates promotes the decrease of drag torque at high speed region. The effects of surface tension and static contact angles during aeration are non-negligible showed by test results. The traditional lubrication model does not adequately predict the experimental results with different surface tension and contact angles during aeration. Hence, in this present paper, contact angles between Aluminum and Teflon materials were firstly measured, and the drag torques under two different contact angles were examined experimentally. An improved lubrication model of drag torque based on Navier-Stokes equations at the gas-liquid interface was built. The lubrication boundary condition was modified to introduce the effects of surface tension and contact angle. The model shows that the effects at the beginning of aeration of oil film are significant. These effects almost occur at stationary plate due to low Reynolds number and Weber number. The model shows that an increase in the surface tension promotes aeration, but does not affect the peak drag torque. Increasing contact angle also promotes the aeration, and accelerates the decrease of drag torque. The larger contact angle is, the smaller the peak drag torque will be. A computational fluid dynamics (CFD) model based on volume of fluid (VOF) method was presented to validate the interface shape when aeration occurs. The model prediction has a good agreement with experimental observations for Aluminum plates and Teflon plates. The modified lubrication model of drag torque gives a convenient description of the effects of surface tension and contact angel, and lays down a frame to understand the beginning of aeration.
2019, 32: 27.
doi: 10.1186/s10033-019-0336-8
Abstract:
The current research of corrosion resistance of stainless steels mainly focuses on characterization of the passive films by point defect mode and mixed-conduction model. The corrosion resistance of the passive films formed on as-received and sensitized AISI304 stainless steel in borate buffer solution were evaluated in this paper. The degree of sensitization and corrosion resistance of AISI304 stainless steels was evaluated by double loop electrochemical potentiodynamic reactivation and electrochemical impedance spectroscopy. The passive films formed on the stainless steels were studied by XPS technique. It was found that as-received specimen had higher pitting corrosion potential and corrosion resistance than sensitized one. The Mott-Schottky results showed that sensitized stainless steel had more defects in the passive film than as-received one. The compositions of the passive films were mainly Cr and Fe oxides according to XPS results.
The current research of corrosion resistance of stainless steels mainly focuses on characterization of the passive films by point defect mode and mixed-conduction model. The corrosion resistance of the passive films formed on as-received and sensitized AISI304 stainless steel in borate buffer solution were evaluated in this paper. The degree of sensitization and corrosion resistance of AISI304 stainless steels was evaluated by double loop electrochemical potentiodynamic reactivation and electrochemical impedance spectroscopy. The passive films formed on the stainless steels were studied by XPS technique. It was found that as-received specimen had higher pitting corrosion potential and corrosion resistance than sensitized one. The Mott-Schottky results showed that sensitized stainless steel had more defects in the passive film than as-received one. The compositions of the passive films were mainly Cr and Fe oxides according to XPS results.
2019, 32: 29.
doi: 10.1186/s10033-019-0346-6
Abstract:
The current research of low cycle fatigue (LCF) is mainly focused on the components with uniform microstructure. Compared with these typical components, LCF behavior of welded components are more complex due to their great gradient microstructure, especially for different temperature. In this paper, LCF properties were conducted on the welded joint at different temperatures for bainite steel, and the failure mechanism was systematically discussed. Fatigue parameters derived from fitting curves indicated that welded joint had worse plastic deformation resistance and experienced more significantly strain hardening effect at 300 ℃. The joint failed in the weld metal at room temperature, which attributed to the softening in weld metal combined with cyclic strain hardening effect in heat-affected zone, which meant the joint was more sensitive with the hardness at this condition. When it came to 300 ℃, more cracks appeared near to HAZ and the heterogeneous distributed surface inclusion was responsible for the fracture transition to HAZ adjacent to bainite steel rather than the softest zone in HAZ, reflecting the joint was more sensitive with the surface inclusion at 300 ℃. This research could support the design on loading of welded component at different temperature, and further ensure the safe operation.
The current research of low cycle fatigue (LCF) is mainly focused on the components with uniform microstructure. Compared with these typical components, LCF behavior of welded components are more complex due to their great gradient microstructure, especially for different temperature. In this paper, LCF properties were conducted on the welded joint at different temperatures for bainite steel, and the failure mechanism was systematically discussed. Fatigue parameters derived from fitting curves indicated that welded joint had worse plastic deformation resistance and experienced more significantly strain hardening effect at 300 ℃. The joint failed in the weld metal at room temperature, which attributed to the softening in weld metal combined with cyclic strain hardening effect in heat-affected zone, which meant the joint was more sensitive with the hardness at this condition. When it came to 300 ℃, more cracks appeared near to HAZ and the heterogeneous distributed surface inclusion was responsible for the fracture transition to HAZ adjacent to bainite steel rather than the softest zone in HAZ, reflecting the joint was more sensitive with the surface inclusion at 300 ℃. This research could support the design on loading of welded component at different temperature, and further ensure the safe operation.
2019, 32: 50.
doi: 10.1186/s10033-019-0363-5
Abstract:
In order to control the ferrite and austenite percentage in duplex stainless steel welding, many researchers try to change the laser welding parameters and cooling medium, but ignore to study the influence of heat sink effect on weld strength. In this work, the effect of aluminium heat sink and varying cooling medium on the laser welding of duplex stainless steel (DSS) 2205 is studied. The 2 mm thick DSS sheets welded with pulsed Nd: YAG laser welding machine by varying the cooling medium (air and oil) and an aluminium plate used as a heat sink. The welded specimens tested for tensile strength, micro-hardness, distortion, microstructure and radiography analysis. The faster cooling rate in the oil quenching process enhances the ferrite percentage compared with air-cooled samples. But the faster cooling rate in oil quenching leads to more distortion and using aluminium as a heat sink influenced positively the distortion to a small extent. The lower cooling rate in air quenching leads to a higher tensile strength of the welded specimen. The objective of this work is to analyse experimentally the effect of cooling medium and heat sink in the mechanical and metallurgical properties of laser welded duplex stainless steel.
In order to control the ferrite and austenite percentage in duplex stainless steel welding, many researchers try to change the laser welding parameters and cooling medium, but ignore to study the influence of heat sink effect on weld strength. In this work, the effect of aluminium heat sink and varying cooling medium on the laser welding of duplex stainless steel (DSS) 2205 is studied. The 2 mm thick DSS sheets welded with pulsed Nd: YAG laser welding machine by varying the cooling medium (air and oil) and an aluminium plate used as a heat sink. The welded specimens tested for tensile strength, micro-hardness, distortion, microstructure and radiography analysis. The faster cooling rate in the oil quenching process enhances the ferrite percentage compared with air-cooled samples. But the faster cooling rate in oil quenching leads to more distortion and using aluminium as a heat sink influenced positively the distortion to a small extent. The lower cooling rate in air quenching leads to a higher tensile strength of the welded specimen. The objective of this work is to analyse experimentally the effect of cooling medium and heat sink in the mechanical and metallurgical properties of laser welded duplex stainless steel.
2019, 32: 52.
doi: 10.1186/s10033-019-0364-4
Abstract:
Machining damage occurs on the surface of carbon fiber reinforced polymer (CFRP) composites during processing. In the current simulation model of CFRP, the initial defects on the carbon fiber and the periodic random distribution of the reinforcement phase in the matrix are not considered in detail, which makes the characteristics of the cutting model significantly different from the actual processing conditions. In this paper, a novel three-phase model of carbon fiber/cyanate ester composites is proposed to simulate the machining damage of the composites. The periodic random distribution of the carbon fiber reinforced phase in the matrix was realized using a double perturbation algorithm. To achieve the stochastic distribution of the strength of a single carbon fiber, a novel method that combines the Weibull intensity distribution theory with the Monte Carlo method is presented. The mechanical properties of the cyanate matrix were characterized by fitting the stress-strain curves, and the cohesive zone model was employed to simulate the interface. Based on the model, the machining damage mechanism of the composites was revealed using finite element simulations and by conducting a theoretical analysis. Furthermore, the milling surfaces of the composites were observed using a scanning electron microscope, to verify the accuracy of the simulation results. In this study, the simulations and theoretical analysis of the carbon fiber/cyanate ester composite processing were carried out based on a novel three-phase model, which revealed the material failure and machining damage mechanism more accurately.
Machining damage occurs on the surface of carbon fiber reinforced polymer (CFRP) composites during processing. In the current simulation model of CFRP, the initial defects on the carbon fiber and the periodic random distribution of the reinforcement phase in the matrix are not considered in detail, which makes the characteristics of the cutting model significantly different from the actual processing conditions. In this paper, a novel three-phase model of carbon fiber/cyanate ester composites is proposed to simulate the machining damage of the composites. The periodic random distribution of the carbon fiber reinforced phase in the matrix was realized using a double perturbation algorithm. To achieve the stochastic distribution of the strength of a single carbon fiber, a novel method that combines the Weibull intensity distribution theory with the Monte Carlo method is presented. The mechanical properties of the cyanate matrix were characterized by fitting the stress-strain curves, and the cohesive zone model was employed to simulate the interface. Based on the model, the machining damage mechanism of the composites was revealed using finite element simulations and by conducting a theoretical analysis. Furthermore, the milling surfaces of the composites were observed using a scanning electron microscope, to verify the accuracy of the simulation results. In this study, the simulations and theoretical analysis of the carbon fiber/cyanate ester composite processing were carried out based on a novel three-phase model, which revealed the material failure and machining damage mechanism more accurately.
2019, 32: 60.
doi: 10.1186/s10033-019-0374-2
Abstract:
Currently, lithium-sulfur batteries suffer from several critical limitations that hinder their practical application, such as the large volumetric expansion of electrode, poor conductivity and lower sulfur utilization. In this work, TiO2 nanofibers with mesoporous structure have been synthesized by electrospinning and heat treating. As the host material of cathode for Li-S battery, the as prepared samples with novelty structure could enhance the conductivity of cathode composite, promote the utilization of sulfur, and relieve volume expansion for improving the electrochemical property. The initial discharge capacity of TiO2/S composite cathode is 703 mAh/g and the capacity remained at 652 mAh/g after 200 cycles at 0.1 C, whose the capacity retention remains is at 92.7%, demonstrating great prospect for application in high-performance Li-S batteries.
Currently, lithium-sulfur batteries suffer from several critical limitations that hinder their practical application, such as the large volumetric expansion of electrode, poor conductivity and lower sulfur utilization. In this work, TiO2 nanofibers with mesoporous structure have been synthesized by electrospinning and heat treating. As the host material of cathode for Li-S battery, the as prepared samples with novelty structure could enhance the conductivity of cathode composite, promote the utilization of sulfur, and relieve volume expansion for improving the electrochemical property. The initial discharge capacity of TiO2/S composite cathode is 703 mAh/g and the capacity remained at 652 mAh/g after 200 cycles at 0.1 C, whose the capacity retention remains is at 92.7%, demonstrating great prospect for application in high-performance Li-S batteries.
2019, 32: 76.
doi: 10.1186/s10033-019-0390-2
Abstract:
Earings appear easily during deep drawing of cylindrical parts owing to the anisotropic properties of materials. However, current methods cannot fully utilize the mechanical properties of material, and the number of earings obtained differ with the simulation methods. In order to predict the eight-earing problem in the cylindrical deep drawing of 5754O aluminum alloy sheet, a new method of combining the yield stress and anisotropy index (r-value) to solve the parameters of the Hill48 yield function is proposed. The general formula for the yield stress and r-value in any direction is presented. Taking a 5754O aluminum alloy sheet as an example in this study, the deformation area in deep drawing is divided into several equal sectorial regions based on the anisotropy. The parameters of the Hill48 yield function are solved based on the yield stress and r-value simultaneously for the corresponding deformation area. Finite element simulations of deep drawing based on new and existing methods are carried out for comparison with experimental results. This study provides a convenient and reliable way to predict the formation of eight earings in the deep drawing process, which is expected to be useful in industrial applications. The results of this study lay the foundation for the optimization of the cylindrical deep drawing process, including the optimization of the blank shape to eliminate earing defects on the final product, which is of great importance in the actual production process.
Earings appear easily during deep drawing of cylindrical parts owing to the anisotropic properties of materials. However, current methods cannot fully utilize the mechanical properties of material, and the number of earings obtained differ with the simulation methods. In order to predict the eight-earing problem in the cylindrical deep drawing of 5754O aluminum alloy sheet, a new method of combining the yield stress and anisotropy index (r-value) to solve the parameters of the Hill48 yield function is proposed. The general formula for the yield stress and r-value in any direction is presented. Taking a 5754O aluminum alloy sheet as an example in this study, the deformation area in deep drawing is divided into several equal sectorial regions based on the anisotropy. The parameters of the Hill48 yield function are solved based on the yield stress and r-value simultaneously for the corresponding deformation area. Finite element simulations of deep drawing based on new and existing methods are carried out for comparison with experimental results. This study provides a convenient and reliable way to predict the formation of eight earings in the deep drawing process, which is expected to be useful in industrial applications. The results of this study lay the foundation for the optimization of the cylindrical deep drawing process, including the optimization of the blank shape to eliminate earing defects on the final product, which is of great importance in the actual production process.
2019, 32: 81.
doi: 10.1186/s10033-019-0397-8
Abstract:
High-dispersed nanoscale Cu precipitates often contribute to extremely high strength due to precipitation hardening, and whereas usually lead to degraded toughness for especially ferritic steels. Hence, it is important to understand the formation behaviors of the Cu precipitates. High-resolution transmission electron microscopy (TEM) is utilized to investigate the structure of Cu precipitates thermally formed in a high-strength low-alloy (HSLA) steel. The Cu precipitates were generally formed from solid solution and at the crystallographic defects such as martensite lath boundaries and dislocations. The Cu precipitates in the same aging condition have various structure of BCC, 9R and FCC, and the structural evolution does not greatly correlate with the actual sizes. The presence of different structures in an individual Cu precipitate is observed, which reflects the structural transformation occurring locally to relax the strain energy. The multiply additions in the steel possibly make the Cu precipitation more complex compared to the binary or the ternary Fe–Cu alloys with Ni or Mn additions. This research gives constructive suggestions on alloying design of Cu-bearing alloy steels.
High-dispersed nanoscale Cu precipitates often contribute to extremely high strength due to precipitation hardening, and whereas usually lead to degraded toughness for especially ferritic steels. Hence, it is important to understand the formation behaviors of the Cu precipitates. High-resolution transmission electron microscopy (TEM) is utilized to investigate the structure of Cu precipitates thermally formed in a high-strength low-alloy (HSLA) steel. The Cu precipitates were generally formed from solid solution and at the crystallographic defects such as martensite lath boundaries and dislocations. The Cu precipitates in the same aging condition have various structure of BCC, 9R and FCC, and the structural evolution does not greatly correlate with the actual sizes. The presence of different structures in an individual Cu precipitate is observed, which reflects the structural transformation occurring locally to relax the strain energy. The multiply additions in the steel possibly make the Cu precipitation more complex compared to the binary or the ternary Fe–Cu alloys with Ni or Mn additions. This research gives constructive suggestions on alloying design of Cu-bearing alloy steels.
2019, 32: 84.
doi: 10.1186/s10033-019-0401-3
Abstract:
It is significant to numerically investigate thermo-mechanical behaviors of shape memory alloy (SMA) structures undergoing large and uneven deformation for they are used in many engineering fields to meet special requirements. To solve the problems of convergence in the numerical simulation on thermo-mechanical behaviors of SMA structures by universal finite element software. This work suppose a finite element method to simulate the super-elasticity and shape memory effect in the SMA structure undergoing large and uneven deformation. Two scalars, named by phase-transition modulus and equivalent stiffness, are defined to make it easy to establish and implement the finite element method for a SMA structure. An incremental constitutive equation is developed to formulate the relationship of stress, strain and temperature in a SMA material based on phase-transition modulus and equivalent stiffness. A phase-transition modulus equation is derived to describe the relationship of phase-transition modulus, stress and temperature in a SMA material during the processes of martensitic phase transition and martensitic inverse phase transition. A finite element equation is established to express the incremental relationship of nodal displacement, external force and temperature change in a finite element discrete structure of SMA. The incremental constitutive equation, phase-transition modulus equation and finite element equation compose the supposed finite element method which simulate the thermo-mechanical behaviors of a SMA structure. Two SMA structures, which undergo large and uneven deformation, are numerically simulated by the supposed finite element method. Results of numerical simulation show that the supposed finite element method can effectively simulate the super-elasticity and shape memory effect of a SMA structure undergoing large and uneven deformation, and is suitable to act as an effective computational tool for the wide applications based on the SMA materials.
It is significant to numerically investigate thermo-mechanical behaviors of shape memory alloy (SMA) structures undergoing large and uneven deformation for they are used in many engineering fields to meet special requirements. To solve the problems of convergence in the numerical simulation on thermo-mechanical behaviors of SMA structures by universal finite element software. This work suppose a finite element method to simulate the super-elasticity and shape memory effect in the SMA structure undergoing large and uneven deformation. Two scalars, named by phase-transition modulus and equivalent stiffness, are defined to make it easy to establish and implement the finite element method for a SMA structure. An incremental constitutive equation is developed to formulate the relationship of stress, strain and temperature in a SMA material based on phase-transition modulus and equivalent stiffness. A phase-transition modulus equation is derived to describe the relationship of phase-transition modulus, stress and temperature in a SMA material during the processes of martensitic phase transition and martensitic inverse phase transition. A finite element equation is established to express the incremental relationship of nodal displacement, external force and temperature change in a finite element discrete structure of SMA. The incremental constitutive equation, phase-transition modulus equation and finite element equation compose the supposed finite element method which simulate the thermo-mechanical behaviors of a SMA structure. Two SMA structures, which undergo large and uneven deformation, are numerically simulated by the supposed finite element method. Results of numerical simulation show that the supposed finite element method can effectively simulate the super-elasticity and shape memory effect of a SMA structure undergoing large and uneven deformation, and is suitable to act as an effective computational tool for the wide applications based on the SMA materials.
2019, 32: 92.
doi: 10.1186/s10033-019-0405-z
Abstract:
Aluminum-Lithium (Al-Li) alloy is a topic of great interest owing to its high strength and light weight, but there are only a few applications of Al-Li alloy in wire+arc additive manufacturing (WAAM) process. To identify its feasibility in WAAM process, a special AA2050 Al-Li alloy wire was produced and employed in the production of straight-walled components, using a WAAM system based on variable polarity gas tungsten arc welding (VP-GTAW) process. The influence of post-deposited heat treatment on the microstructure and property of the deposit was investigated using optical micrographs (OM), scanning electron microscopy (SEM), X-ray diffraction (XRD), hardness and tensile properties tests. Results revealed that the microstructures of AA2050 aluminum deposits varied with their location layers. The upper layers consisted of fine equiaxed grains, while the bottom layer exhibited a coarse columnar structure. Mechanical properties witnessed a significant improvement after post-deposited heat treatment, with the average micro-hardness reaching 141HV and the ultimate tensile strength exceeding 400 MPa. Fracture morphology exhibited a typical ductile fracture.
Aluminum-Lithium (Al-Li) alloy is a topic of great interest owing to its high strength and light weight, but there are only a few applications of Al-Li alloy in wire+arc additive manufacturing (WAAM) process. To identify its feasibility in WAAM process, a special AA2050 Al-Li alloy wire was produced and employed in the production of straight-walled components, using a WAAM system based on variable polarity gas tungsten arc welding (VP-GTAW) process. The influence of post-deposited heat treatment on the microstructure and property of the deposit was investigated using optical micrographs (OM), scanning electron microscopy (SEM), X-ray diffraction (XRD), hardness and tensile properties tests. Results revealed that the microstructures of AA2050 aluminum deposits varied with their location layers. The upper layers consisted of fine equiaxed grains, while the bottom layer exhibited a coarse columnar structure. Mechanical properties witnessed a significant improvement after post-deposited heat treatment, with the average micro-hardness reaching 141HV and the ultimate tensile strength exceeding 400 MPa. Fracture morphology exhibited a typical ductile fracture.
2019, 32: 97.
doi: 10.1186/s10033-019-0409-8
Abstract:
Ultrasonic welding is an effective ways to achieve a non-reactive/immiscible heterogeneous metal connection, such as the connection of magnesium alloy and titanium alloy. But the thermal mechanism of magnesium alloy/titanium alloy ultrasonic welding has not been defined clearly. In this paper, the experimental and the finite element analysis were adopted to study the thermal mechanism during welding. Through the test, the temperature variation law during the welding process is obtained, and the accuracy of the finite element model is verified. The microscopic analysis indicates that at the welding time of 0.5 s, the magnesium alloy in the center of the solder joint is partially melted and generates the liquid phase. Through the finite element analysis, the friction coefficient of the magnesium-titanium ultrasonic welding interface can be considered as an average constant value of 0.28. The maximum temperature at the interface can exceed 600 ℃ to reach the melting point temperature of the magnesium alloy. The plastic deformation begins after 0.35 s and occurs at the magnesium side at the center of the interface.
Ultrasonic welding is an effective ways to achieve a non-reactive/immiscible heterogeneous metal connection, such as the connection of magnesium alloy and titanium alloy. But the thermal mechanism of magnesium alloy/titanium alloy ultrasonic welding has not been defined clearly. In this paper, the experimental and the finite element analysis were adopted to study the thermal mechanism during welding. Through the test, the temperature variation law during the welding process is obtained, and the accuracy of the finite element model is verified. The microscopic analysis indicates that at the welding time of 0.5 s, the magnesium alloy in the center of the solder joint is partially melted and generates the liquid phase. Through the finite element analysis, the friction coefficient of the magnesium-titanium ultrasonic welding interface can be considered as an average constant value of 0.28. The maximum temperature at the interface can exceed 600 ℃ to reach the melting point temperature of the magnesium alloy. The plastic deformation begins after 0.35 s and occurs at the magnesium side at the center of the interface.
2019, 32: 62.
doi: 10.1186/s10033-019-0377-z
Abstract:
Due to the influence of material characteristics and winding power, single output electromagnet has limited ability to improve the dynamic characteristic of electro-hydraulic valve. Therefore, an electromechanical converter with double push rods is proposed in this paper, which can simultaneously output two electromagnetic forces, can push or pull the valve core and sleeve according to the current direction and realize rapid operation of load. According to the electromagnetic principle and the magnetic circuit analysis method, the mathematical model and equivalent circuit of the electromechanical converter with double push rods are established. Through the finite element simulation model of the electromechanical converter with double push rods with the same magnetization directions, the changing rules of its magnetic field distribution and force–displacement behaviors are studied and analyzed. According to the analysis results, the electromagnetic mechanical parameters and mechanical structure of the electromechanical converter with double push rods are determined, and the prototype is made. The test platform for the push-pull characteristics of the electromechanical converter with double push rods is built, and its static and dynamic characteristics are tested and analyzed. The results show that the thrust and pull output characteristics of the internal and external push rods are basically consistent with the simulation output, and proportional to the current density of the coil; the push-pull hysteresis of internal and external push rods output force is less than 5%; and the dynamic time response characteristics of the displacement and force are obtained. The hysteresis effect of output force is improved effectively through the H bridge drive control circuit modulated by PWM. Compared with the displacement response of a single-winding electromagnet with a similar volume, it can effectively improve the dynamic displacement response. Follow-up work will further optimize the structure of the electromechanical converter and test the corresponding pilot valve. The research results provide a new theory for improving the output characteristics of electro-hydraulic pilot valve and have an extremely high engineering application value and broad application prospect.
Due to the influence of material characteristics and winding power, single output electromagnet has limited ability to improve the dynamic characteristic of electro-hydraulic valve. Therefore, an electromechanical converter with double push rods is proposed in this paper, which can simultaneously output two electromagnetic forces, can push or pull the valve core and sleeve according to the current direction and realize rapid operation of load. According to the electromagnetic principle and the magnetic circuit analysis method, the mathematical model and equivalent circuit of the electromechanical converter with double push rods are established. Through the finite element simulation model of the electromechanical converter with double push rods with the same magnetization directions, the changing rules of its magnetic field distribution and force–displacement behaviors are studied and analyzed. According to the analysis results, the electromagnetic mechanical parameters and mechanical structure of the electromechanical converter with double push rods are determined, and the prototype is made. The test platform for the push-pull characteristics of the electromechanical converter with double push rods is built, and its static and dynamic characteristics are tested and analyzed. The results show that the thrust and pull output characteristics of the internal and external push rods are basically consistent with the simulation output, and proportional to the current density of the coil; the push-pull hysteresis of internal and external push rods output force is less than 5%; and the dynamic time response characteristics of the displacement and force are obtained. The hysteresis effect of output force is improved effectively through the H bridge drive control circuit modulated by PWM. Compared with the displacement response of a single-winding electromagnet with a similar volume, it can effectively improve the dynamic displacement response. Follow-up work will further optimize the structure of the electromechanical converter and test the corresponding pilot valve. The research results provide a new theory for improving the output characteristics of electro-hydraulic pilot valve and have an extremely high engineering application value and broad application prospect.
2019, 32: 65.
doi: 10.1186/s10033-019-0379-x
Abstract:
The unstable flow phenomena in compressors, such as stall and surge, are closely related to the efficiency and the operating region. It is indispensable to capture the unstable flow structure in compressors and understand the mechanism of flow instability at low flow rates. Cooperated with the manufacturer, an industrial centrifugal compressor with a vaneless diffuser is tested by its performance test rig and our multi-phase dynamic measurement system. Many dynamic pressure transducers are circumferentially mounted on the casing surface at seven radial locations, spanning the impeller region and the diffuser inlet region. The pressure fields from the design condition to surge are measured in details. Based on the multi-phase dynamic signals, the original location of stall occurring can be determined. Meanwhile, the information of the unstable flow structure is obtained, such as the circumferential mode and the propagating speed of stall cells. To get more details of the vortex structure, an unsteady simulation of this tested compressor is carried out. The computational result is well matched with the experimental result and further illustrates how the unstable flow structure in the impeller region gradually affects the stability of the total machine at low flow rates. The dynamic mode decomposition (DMD) method is applied to get the specific flow pattern corresponding to the stall frequency. Both experimental and computational analysis show that the flow structure at a particular radial location in the impeller region has a great impact on the stall and surge. Some differences between the computational and experimental result are also discussed. Through these two main analytical methods, an insight into the unstable flow structure in an industrial compressor is gained. The result also plays a crucial role in the guidance of the compressor stabilization techniques.
The unstable flow phenomena in compressors, such as stall and surge, are closely related to the efficiency and the operating region. It is indispensable to capture the unstable flow structure in compressors and understand the mechanism of flow instability at low flow rates. Cooperated with the manufacturer, an industrial centrifugal compressor with a vaneless diffuser is tested by its performance test rig and our multi-phase dynamic measurement system. Many dynamic pressure transducers are circumferentially mounted on the casing surface at seven radial locations, spanning the impeller region and the diffuser inlet region. The pressure fields from the design condition to surge are measured in details. Based on the multi-phase dynamic signals, the original location of stall occurring can be determined. Meanwhile, the information of the unstable flow structure is obtained, such as the circumferential mode and the propagating speed of stall cells. To get more details of the vortex structure, an unsteady simulation of this tested compressor is carried out. The computational result is well matched with the experimental result and further illustrates how the unstable flow structure in the impeller region gradually affects the stability of the total machine at low flow rates. The dynamic mode decomposition (DMD) method is applied to get the specific flow pattern corresponding to the stall frequency. Both experimental and computational analysis show that the flow structure at a particular radial location in the impeller region has a great impact on the stall and surge. Some differences between the computational and experimental result are also discussed. Through these two main analytical methods, an insight into the unstable flow structure in an industrial compressor is gained. The result also plays a crucial role in the guidance of the compressor stabilization techniques.
2019, 32: 70.
doi: 10.1186/s10033-019-0385-z
Abstract:
The vibration propagates through the shaft in the form of elastic waves. The propagation characteristics of the elastic waves are affected by the axial loads. The influence of the axial loads to the propagation characteristics of the elastic waves is studied in this paper. Firstly, the transfer matrix of the elastic waves for the non-uniform shaft with axial loads is deduced by combining the transfer matrix without axial load and the additional equation caused by the axial load. And then, a numerical method is used to study the influence of the axial load, non-uniformity and the rotating speed to the propagation characteristics of the elastic waves. It's found that a new Stop Band will appear due to the axial force, and the central frequency of which will decrease as the increase of the force, while the band width of which remains the same. The central frequency of the new Stop Band will also increase as the increase of the cross-section area ratio; however, the rotating speed of the shaft doesn't affect the propagation characteristics of the elastic waves obviously. Finally, an experimental rig is built up for further study, even though there are some small local errors, the results of experiments match well with the numerical ones, which indicates the validation of the theoretical results. The result can help to study the influence of the axial load to the dynamics of a non-uniform shaft and help to reveal the vibration propagating mechanism in such a shaft.
The vibration propagates through the shaft in the form of elastic waves. The propagation characteristics of the elastic waves are affected by the axial loads. The influence of the axial loads to the propagation characteristics of the elastic waves is studied in this paper. Firstly, the transfer matrix of the elastic waves for the non-uniform shaft with axial loads is deduced by combining the transfer matrix without axial load and the additional equation caused by the axial load. And then, a numerical method is used to study the influence of the axial load, non-uniformity and the rotating speed to the propagation characteristics of the elastic waves. It's found that a new Stop Band will appear due to the axial force, and the central frequency of which will decrease as the increase of the force, while the band width of which remains the same. The central frequency of the new Stop Band will also increase as the increase of the cross-section area ratio; however, the rotating speed of the shaft doesn't affect the propagation characteristics of the elastic waves obviously. Finally, an experimental rig is built up for further study, even though there are some small local errors, the results of experiments match well with the numerical ones, which indicates the validation of the theoretical results. The result can help to study the influence of the axial load to the dynamics of a non-uniform shaft and help to reveal the vibration propagating mechanism in such a shaft.
2019, 32: 72.
doi: 10.1186/s10033-019-0386-y
Abstract:
By studying the effects of geometric precision on kinematic accuracy, an error mapping model has been established, based on the hypothesis that a motion pair and its installation surface are rigid. However, when using this assumption, there is a significant error induced in high-precision computer numerical control (CNC) machine tools as compared with reality. One of the most important reasons for this error is failing to consider the error averaging effect of motion pair elements. Therefore, this work examines a high-precision horizontal machining center as its research object, and analyzes the error averaging mechanism of a rolling guide pair under a deformation of the rolling elements. The carriage bearing forces caused by guideway straightness errors are obtained by constructing a geometric error model of a single carriage. The relationship between guideway straightness errors and carriage bearing forces is described by a transfer function in the spatial frequency domain, and its characteristics are analyzed. It quantifies the so-called error averaging effect of the rolling guide system and, on this basis, a static model for four carriages is established to reflect the error averaging effect of the rolling guide pair on the position and orientation errors of the motion pair. In addition, it is found that the wavelengths and phase differences of guideway errors affect this error averaging mechanism, but the amplitude and preload have little influence thereon. The experiment result shows that the kinematic straightness errors in the x- and y-directions were approximately 1/3 to 1/2 of the guideway straightness errors in the corresponding directions. The results can be used to guide the precision design and assembly of machine tools.
By studying the effects of geometric precision on kinematic accuracy, an error mapping model has been established, based on the hypothesis that a motion pair and its installation surface are rigid. However, when using this assumption, there is a significant error induced in high-precision computer numerical control (CNC) machine tools as compared with reality. One of the most important reasons for this error is failing to consider the error averaging effect of motion pair elements. Therefore, this work examines a high-precision horizontal machining center as its research object, and analyzes the error averaging mechanism of a rolling guide pair under a deformation of the rolling elements. The carriage bearing forces caused by guideway straightness errors are obtained by constructing a geometric error model of a single carriage. The relationship between guideway straightness errors and carriage bearing forces is described by a transfer function in the spatial frequency domain, and its characteristics are analyzed. It quantifies the so-called error averaging effect of the rolling guide system and, on this basis, a static model for four carriages is established to reflect the error averaging effect of the rolling guide pair on the position and orientation errors of the motion pair. In addition, it is found that the wavelengths and phase differences of guideway errors affect this error averaging mechanism, but the amplitude and preload have little influence thereon. The experiment result shows that the kinematic straightness errors in the x- and y-directions were approximately 1/3 to 1/2 of the guideway straightness errors in the corresponding directions. The results can be used to guide the precision design and assembly of machine tools.
2019, 32: 90.
doi: 10.1186/s10033-019-0404-0
Abstract:
The current researches mainly adopt "Guide to the expression of uncertainty in measurement (GUM)" to calculate the profle error. However, GUM can only be applied in the linear models. The standard GUM is not appropriate to calculate the uncertainty of profle error because the mathematical model of profle error is strongly non-linear. An improved second-order GUM method (GUMM) is proposed to calculate the uncertainty. At the same time, the uncertainties in diferent coordinate axes directions are calculated as the measuring points uncertainties. In addition, the correlations between variables could not be ignored while calculating the uncertainty. A k-factor conversion method is proposed to calculate the converge factor due to the unknown and asymmetrical distribution of the output quantity. Subsequently, the adaptive Monte Carlo method (AMCM) is used to evaluate whether the second-order GUMM is better. Two practical examples are listed and the conclusion is drawn by comparing and discussing the second-order GUMM and AMCM. The results show that the diference between the improved second-order GUM and the AMCM is smaller than the diference between the standard GUM and the AMCM. The improved second-order GUMM is more precise in consideration of the nonlinear mathematical model of profle error.
The current researches mainly adopt "Guide to the expression of uncertainty in measurement (GUM)" to calculate the profle error. However, GUM can only be applied in the linear models. The standard GUM is not appropriate to calculate the uncertainty of profle error because the mathematical model of profle error is strongly non-linear. An improved second-order GUM method (GUMM) is proposed to calculate the uncertainty. At the same time, the uncertainties in diferent coordinate axes directions are calculated as the measuring points uncertainties. In addition, the correlations between variables could not be ignored while calculating the uncertainty. A k-factor conversion method is proposed to calculate the converge factor due to the unknown and asymmetrical distribution of the output quantity. Subsequently, the adaptive Monte Carlo method (AMCM) is used to evaluate whether the second-order GUMM is better. Two practical examples are listed and the conclusion is drawn by comparing and discussing the second-order GUMM and AMCM. The results show that the diference between the improved second-order GUM and the AMCM is smaller than the diference between the standard GUM and the AMCM. The improved second-order GUMM is more precise in consideration of the nonlinear mathematical model of profle error.
2019, 32: 94.
doi: 10.1186/s10033-019-0408-9
Abstract:
As the manufacturing industry is facing increasingly serious environmental problems, because of which carbon tax policies are being implemented, choosing the optimum cutting parameters during the machining process is crucial for automobile panel dies in order to achieve synergistic minimization of the environment impact, product quality, and processing efciency. This paper presents a processing task-based evaluation method to optimize the cutting parameters, considering the trade-of among carbon emissions, surface roughness, and processing time. Three objective models and their relationships with the cutting parameters were obtained through input–output, response surface, and theoretical analyses, respectively. Examples of cylindrical turning were applied to achieve a central composite design (CCD), and relative validation experiments were applied to evaluate the proposed method. The experiments were conducted on the CAK50135di lathe cutting of AISI 1045 steel, and NSGA-II was used to obtain the Pareto fronts of the three objectives. Based on the TOPSIS method, the Pareto solution set was ranked to fnd the optimal solution to evaluate and select the optimal cutting parameters. An S/N ratio analysis and contour plots were applied to analyze the infuence of each decision variable on the optimization objective. Finally, the changing rules of a single factor for each objective were analyzed. The results demonstrate that the proposed method is efective in fnding the trade-of among the three objectives and obtaining reasonable application ranges of the cutting parameters from Pareto fronts.
As the manufacturing industry is facing increasingly serious environmental problems, because of which carbon tax policies are being implemented, choosing the optimum cutting parameters during the machining process is crucial for automobile panel dies in order to achieve synergistic minimization of the environment impact, product quality, and processing efciency. This paper presents a processing task-based evaluation method to optimize the cutting parameters, considering the trade-of among carbon emissions, surface roughness, and processing time. Three objective models and their relationships with the cutting parameters were obtained through input–output, response surface, and theoretical analyses, respectively. Examples of cylindrical turning were applied to achieve a central composite design (CCD), and relative validation experiments were applied to evaluate the proposed method. The experiments were conducted on the CAK50135di lathe cutting of AISI 1045 steel, and NSGA-II was used to obtain the Pareto fronts of the three objectives. Based on the TOPSIS method, the Pareto solution set was ranked to fnd the optimal solution to evaluate and select the optimal cutting parameters. An S/N ratio analysis and contour plots were applied to analyze the infuence of each decision variable on the optimization objective. Finally, the changing rules of a single factor for each objective were analyzed. The results demonstrate that the proposed method is efective in fnding the trade-of among the three objectives and obtaining reasonable application ranges of the cutting parameters from Pareto fronts.
2019, 32: 100.
doi: 10.1186/s10033-019-0415-x
Abstract:
Mobile machinery energy efciency and emission pollution are the national and worldwide issues. This paper contributes in solving these problems by applying a speed variable power source. Unfortunately, almost all of the speed variable systems have the dynamic response problem when the motor starts with full load or heavy load. To address this problem, a hydraulic accumulator is used to balance the load of the power source for assisting starting of the motor and a matching method combined with speed and displacement control of the pump is proposed to improve the energy efciency and dynamic performance simultaneously under diferent working conditions. Also, the power source/valve combined control strategy of an independent metering system is designed to realize fow matching of the whole system. Firstly, a test system is established to study the dynamic performance and energy efciency of the speed variable power source with an auxiliary accumulator. Working performance and energy consumption of the power source under diferent rotating speeds and diferent loads are studied. And then, the hydraulic excavator test rig with the proposed system is constructed. Furthermore, the working performance of the excavator with the speedfxed and speed-variable strategy are studied comparatively. Results show that, compared with fxed-speed strategy, the electric power consumption during the idle period and partial load condition can be reduced about 2.05 kW and 1.37 kW. The energy efciency of speed variable power source is about 40%-71%, which is higher than that of the fxed-speed power source by 3%-10%.
Mobile machinery energy efciency and emission pollution are the national and worldwide issues. This paper contributes in solving these problems by applying a speed variable power source. Unfortunately, almost all of the speed variable systems have the dynamic response problem when the motor starts with full load or heavy load. To address this problem, a hydraulic accumulator is used to balance the load of the power source for assisting starting of the motor and a matching method combined with speed and displacement control of the pump is proposed to improve the energy efciency and dynamic performance simultaneously under diferent working conditions. Also, the power source/valve combined control strategy of an independent metering system is designed to realize fow matching of the whole system. Firstly, a test system is established to study the dynamic performance and energy efciency of the speed variable power source with an auxiliary accumulator. Working performance and energy consumption of the power source under diferent rotating speeds and diferent loads are studied. And then, the hydraulic excavator test rig with the proposed system is constructed. Furthermore, the working performance of the excavator with the speedfxed and speed-variable strategy are studied comparatively. Results show that, compared with fxed-speed strategy, the electric power consumption during the idle period and partial load condition can be reduced about 2.05 kW and 1.37 kW. The energy efciency of speed variable power source is about 40%-71%, which is higher than that of the fxed-speed power source by 3%-10%.
2019, 32: 96.
doi: 10.1186/s10033-019-0418-7
Abstract:
The scattered fields of plane waves in a solid from a cylinder or sphere are critical in determining its acoustic characteristics as well as in engineering applications. This paper investigates the scattered field distributions of different incident waves created by elastic cylinders embedded in an elastic isotropic medium. Scattered waves, including longitudinal and transverse waves both inside and outside the cylinder, are described with specific modalities under an incident plane wave. A model with a scatterer embedded in a structural steel matrix and filled with aluminum is developed for comparison with the theoretical solution. The frequency of the plane wave ranged from 235 kHz to 2348 kHz, which corresponds to scaling factors from 0.5 to 5. Scattered field distributions in matrix materials blocked by an elastic cylindrical solid have been obtained by simulation or calculated using existing parameters. The simulation results are in good agreement with the theoretical solution, which supports the correctness of the simulation analysis. Furthermore, ultrasonic phased arrays are used to study scattered fields by changing the characteristics of the incident wave. On this foundation, a partial preliminary study of the scattered field distribution of double cylinders in a solid has been carried out, and the scattered field distribution at a given distance has been found to exhibit particular behaviors at different moments. Further studies on directivities and scattered fields are expected to improve the quantification of scattered images in isotropic solid materials by the phased array technique.
The scattered fields of plane waves in a solid from a cylinder or sphere are critical in determining its acoustic characteristics as well as in engineering applications. This paper investigates the scattered field distributions of different incident waves created by elastic cylinders embedded in an elastic isotropic medium. Scattered waves, including longitudinal and transverse waves both inside and outside the cylinder, are described with specific modalities under an incident plane wave. A model with a scatterer embedded in a structural steel matrix and filled with aluminum is developed for comparison with the theoretical solution. The frequency of the plane wave ranged from 235 kHz to 2348 kHz, which corresponds to scaling factors from 0.5 to 5. Scattered field distributions in matrix materials blocked by an elastic cylindrical solid have been obtained by simulation or calculated using existing parameters. The simulation results are in good agreement with the theoretical solution, which supports the correctness of the simulation analysis. Furthermore, ultrasonic phased arrays are used to study scattered fields by changing the characteristics of the incident wave. On this foundation, a partial preliminary study of the scattered field distribution of double cylinders in a solid has been carried out, and the scattered field distribution at a given distance has been found to exhibit particular behaviors at different moments. Further studies on directivities and scattered fields are expected to improve the quantification of scattered images in isotropic solid materials by the phased array technique.
2019, 32: 104.
doi: 10.1186/s10033-019-0420-0
Abstract:
Magnetic Barkhausen Noise (MBN) method is known as an effective nondestructive evaluation (NDE) method for evaluation of residual stress in ferromagnetic materials. Some studies on the feasibility of the MBN method for NDE of residual strains were also conducted and found applicable. However, these studies are mainly focused on the state of residual strains which were introduced through a one-cycle-loading process. In practice, however, structures may suffer from an unpredictable and complicated loading history, i.e., the final state of plastic strain may be induced by several times of large loads. Whether the loading history has influences on MBN signals or not is of great importance for the practical application of the MBN method. In this paper, several ferromagnetic specimens with the same final state of residual strain but of different loading history were fabricated and inspected by using a MBN testing system. The experimental results reveal that the loading history has a significant influence on the detected MBN signals especially for a residual strain in range less than 1%, which doubts the feasibility to apply the MBN method simply in the practical environment. In addition, micro-observations on the magnetic domain structures of the plastic damaged specimens were also carried out to clarify the influence mechanism of loading history on the MBN signals.
Magnetic Barkhausen Noise (MBN) method is known as an effective nondestructive evaluation (NDE) method for evaluation of residual stress in ferromagnetic materials. Some studies on the feasibility of the MBN method for NDE of residual strains were also conducted and found applicable. However, these studies are mainly focused on the state of residual strains which were introduced through a one-cycle-loading process. In practice, however, structures may suffer from an unpredictable and complicated loading history, i.e., the final state of plastic strain may be induced by several times of large loads. Whether the loading history has influences on MBN signals or not is of great importance for the practical application of the MBN method. In this paper, several ferromagnetic specimens with the same final state of residual strain but of different loading history were fabricated and inspected by using a MBN testing system. The experimental results reveal that the loading history has a significant influence on the detected MBN signals especially for a residual strain in range less than 1%, which doubts the feasibility to apply the MBN method simply in the practical environment. In addition, micro-observations on the magnetic domain structures of the plastic damaged specimens were also carried out to clarify the influence mechanism of loading history on the MBN signals.
2019, 32: 105.
doi: 10.1186/s10033-019-0421-z
Abstract:
Composite sucker rod has been extensively used due to its high strength, light weight and corrosion resistive nature. However, such composite sucker rod is difcult for conventional non-destructive evaluation (NDE) techniques to inspect because of its complex material and/or structure. It is thus useful to embark research on developing novel NDE technique to comply the inspection requirement. This work demonstrates the feasibility of using the capacitive imaging (CI) technique for the inspection of composite sucker rod. Finite element (FE) models were constructed in COMSOL to simulate the detection of defects in the glass-fber layer and on the carbon core surface. An FE Model based inversion method is proposed to obtain the profle of the carbon core. Preliminary CI experimental results are then presented, including the detection of surface wearing defect in the glass-fber layer, and obtaining the profle of the carbon core. A set of accelerated aging experiments were also carried out and the results indicate that the CI technique is potentially useful in evaluating the ageing status of such composite sucker rod. The CI technique described in this work shows great potential to target some challenging tasks faced in the non-destructive evaluation of composite sucker rod, including quality control, defect detection and ageing assessment.
Composite sucker rod has been extensively used due to its high strength, light weight and corrosion resistive nature. However, such composite sucker rod is difcult for conventional non-destructive evaluation (NDE) techniques to inspect because of its complex material and/or structure. It is thus useful to embark research on developing novel NDE technique to comply the inspection requirement. This work demonstrates the feasibility of using the capacitive imaging (CI) technique for the inspection of composite sucker rod. Finite element (FE) models were constructed in COMSOL to simulate the detection of defects in the glass-fber layer and on the carbon core surface. An FE Model based inversion method is proposed to obtain the profle of the carbon core. Preliminary CI experimental results are then presented, including the detection of surface wearing defect in the glass-fber layer, and obtaining the profle of the carbon core. A set of accelerated aging experiments were also carried out and the results indicate that the CI technique is potentially useful in evaluating the ageing status of such composite sucker rod. The CI technique described in this work shows great potential to target some challenging tasks faced in the non-destructive evaluation of composite sucker rod, including quality control, defect detection and ageing assessment.
2019, 32: 106.
doi: 10.1186/s10033-019-0419-6
Abstract:
In eddy current testing, the law of attenuation of eddy current (EC) is of great concern. In conductive half space under the excitation of uniform magnetic field, the EC density decreases exponentially in the depth direction. However, in conductor with finite thickness tested by coil, the distribution of EC in the depth direction is more complicated. This paper studies the characteristics of EC attenuation in metallic plate of finite thickness. Simulation results show that there is an EC reflection at the bottom of plate, which changes the law of EC attenuation. A new concept, namely the equivalent attenuation coefficient, is proposed to quantify the speed of EC attenuation. The characteristics of EC attenuation are utilized to explain the nonmonotonic relation between coil voltage and plate thickness. Procedure of selecting frequency is discussed. Thereafter, measurement of plate thickness is carried out and accurate result is obtained.
In eddy current testing, the law of attenuation of eddy current (EC) is of great concern. In conductive half space under the excitation of uniform magnetic field, the EC density decreases exponentially in the depth direction. However, in conductor with finite thickness tested by coil, the distribution of EC in the depth direction is more complicated. This paper studies the characteristics of EC attenuation in metallic plate of finite thickness. Simulation results show that there is an EC reflection at the bottom of plate, which changes the law of EC attenuation. A new concept, namely the equivalent attenuation coefficient, is proposed to quantify the speed of EC attenuation. The characteristics of EC attenuation are utilized to explain the nonmonotonic relation between coil voltage and plate thickness. Procedure of selecting frequency is discussed. Thereafter, measurement of plate thickness is carried out and accurate result is obtained.
2019, 32: 99.
doi: 10.1186/s10033-019-0411-1
Abstract:
Cutterhead loads are the key mechanical parameters for the strength design of the full face hard rock tunnel boring machine (TBM). Due to the brittle rock-breaking mechanism, the excavation loads acting on cutters fluctuate strongly and show some randomness. The conventional method that using combinations of some special static loads to perform the strength design of TBM cutterhead may lead to strength failure during working practice. In this paper, a three-dimensional finite element model for coupled CutterheadɃRock is developed to determine the cutterhead loads. Then the distribution characteristics and the influence factors of cutterhead loads are analyzed based on the numerical results. It is found that, as time changes, the normal and tangential forces acting on cutters and the total torque acting on the cutterhead approximately distribute log normally, while the total thrusts acting on the cutterhead approximately show a normal distribution. Furthermore, the statistical average values of cutterhead loads are proportional to the uniaxial compressive strength (UCS) of cutting rocks. The values also change with the penetration and the diameter of cutterhead following a power function. Based on these findings, we propose a three-parameter model for the mean of cutterhead loads and a method of generating the random cutter forces. Then the strength properties of a typical cutterhead are analyzed in detail using loads generated by the new method. The optimized cutterhead has been successfully applied in engineering. The method in this paper may provide a useful reference for the strength design of TBM cutterhead.
Cutterhead loads are the key mechanical parameters for the strength design of the full face hard rock tunnel boring machine (TBM). Due to the brittle rock-breaking mechanism, the excavation loads acting on cutters fluctuate strongly and show some randomness. The conventional method that using combinations of some special static loads to perform the strength design of TBM cutterhead may lead to strength failure during working practice. In this paper, a three-dimensional finite element model for coupled CutterheadɃRock is developed to determine the cutterhead loads. Then the distribution characteristics and the influence factors of cutterhead loads are analyzed based on the numerical results. It is found that, as time changes, the normal and tangential forces acting on cutters and the total torque acting on the cutterhead approximately distribute log normally, while the total thrusts acting on the cutterhead approximately show a normal distribution. Furthermore, the statistical average values of cutterhead loads are proportional to the uniaxial compressive strength (UCS) of cutting rocks. The values also change with the penetration and the diameter of cutterhead following a power function. Based on these findings, we propose a three-parameter model for the mean of cutterhead loads and a method of generating the random cutter forces. Then the strength properties of a typical cutterhead are analyzed in detail using loads generated by the new method. The optimized cutterhead has been successfully applied in engineering. The method in this paper may provide a useful reference for the strength design of TBM cutterhead.
2019, 32: 103.
doi: 10.1186/s10033-019-0410-2
Abstract:
The accurate performance evaluation of a cutterhead is essential to improving cutterhead structure design and predicting project cost. Through extensive research, this paper evaluates the performance of a tunnel boring machine (TBM) cutterhead for cutting ability and slagging ability. This paper propose cutting efficiency, stability, and continuity of slagging as the evaluation indexes of comprehensive cutterhead performance. On the basis of research of true TBM engineering applications, this paper proposes a calculation method for each index. A slagging efficiency index with a ratio of the maximum difference between the slagging amount and average slagging is established. And a slagging stability index with a ratio of the maximum slagging fluctuation and average slagging is presented. Meanwhile, a cutting efficiency index by the weighed average value of multistage rock fragmentation of a cutter’s specific energy is established. The Robbins and China Railway Construction Corporation (CRCC) cutterheads are evaluated. The results show that under the same thrust and torque, the slagging stability of the CRCC scheme is worse, but the slagging continuity of the CRCC scheme is better. The cutting ability index shows that the CRCC cutterhead is more efficient.
The accurate performance evaluation of a cutterhead is essential to improving cutterhead structure design and predicting project cost. Through extensive research, this paper evaluates the performance of a tunnel boring machine (TBM) cutterhead for cutting ability and slagging ability. This paper propose cutting efficiency, stability, and continuity of slagging as the evaluation indexes of comprehensive cutterhead performance. On the basis of research of true TBM engineering applications, this paper proposes a calculation method for each index. A slagging efficiency index with a ratio of the maximum difference between the slagging amount and average slagging is established. And a slagging stability index with a ratio of the maximum slagging fluctuation and average slagging is presented. Meanwhile, a cutting efficiency index by the weighed average value of multistage rock fragmentation of a cutter’s specific energy is established. The Robbins and China Railway Construction Corporation (CRCC) cutterheads are evaluated. The results show that under the same thrust and torque, the slagging stability of the CRCC scheme is worse, but the slagging continuity of the CRCC scheme is better. The cutting ability index shows that the CRCC cutterhead is more efficient.
2019, 32: 108.
doi: 10.1186/s10033-019-0422-y
Abstract:
The current research of seawater hydraulic motor mainly focused on piston motor and vane motor, but seldom regarded low speed high torque seawater hydraulic motor. Low speed high torque seawater hydraulic motor as a kind of energy conversion device and actuator plays an important role in seawater hydraulic transmission system. However, the physical and chemical properties of seawater, such as low viscosity, high causticity and poor lubrication, result in numerous problems. In this paper, the flow distribution characteristics of port plate pairs for the seawater hydraulic motor are investigated, and the leakage flow and power loss models of port plate pairs are established. Numerical simulations are carried out to examine the effects of water film, inlet pressure and rotating speed on the pressure distribution and leakage flow. And the friction and wear tests of port plate pairs are also carried out. Moreover, the test system of the seawater hydraulic motor is constructed and the performance of prototype with no-load or loading is conducted. The results indicate that the clearance of port plate pairs and inlet pressure have a significant effect on distribution characteristics, but the effect of rotating speed is not very obvious. The experimental results show that the minimum error rate can be maintained within 0.3% by the proposed flow model and the counter materials of 316L against carbon-fiber-reinforced polyetheretherketone (CFRPEEK) are suitable for the port plate pairs of seawater hydraulic motor. Finally, based on the seawater hydraulic experiment platform, the volumetric efficiency of no-load and loading are obtained that the maximum can achieve 94.71% and 90.14%, respectively. This research work may improve the flow distribution performance, lubrication and the friction and wear properties, enhance energy converting efficiency of port plate pair and provide theoretical and technical support for the design of high-performance water hydraulic components.
The current research of seawater hydraulic motor mainly focused on piston motor and vane motor, but seldom regarded low speed high torque seawater hydraulic motor. Low speed high torque seawater hydraulic motor as a kind of energy conversion device and actuator plays an important role in seawater hydraulic transmission system. However, the physical and chemical properties of seawater, such as low viscosity, high causticity and poor lubrication, result in numerous problems. In this paper, the flow distribution characteristics of port plate pairs for the seawater hydraulic motor are investigated, and the leakage flow and power loss models of port plate pairs are established. Numerical simulations are carried out to examine the effects of water film, inlet pressure and rotating speed on the pressure distribution and leakage flow. And the friction and wear tests of port plate pairs are also carried out. Moreover, the test system of the seawater hydraulic motor is constructed and the performance of prototype with no-load or loading is conducted. The results indicate that the clearance of port plate pairs and inlet pressure have a significant effect on distribution characteristics, but the effect of rotating speed is not very obvious. The experimental results show that the minimum error rate can be maintained within 0.3% by the proposed flow model and the counter materials of 316L against carbon-fiber-reinforced polyetheretherketone (CFRPEEK) are suitable for the port plate pairs of seawater hydraulic motor. Finally, based on the seawater hydraulic experiment platform, the volumetric efficiency of no-load and loading are obtained that the maximum can achieve 94.71% and 90.14%, respectively. This research work may improve the flow distribution performance, lubrication and the friction and wear properties, enhance energy converting efficiency of port plate pair and provide theoretical and technical support for the design of high-performance water hydraulic components.
E-mail Alerts
